作为一个从事多年的电力工作者,弄明白下面的内容你才能算得上真正的入门了。长话短说,直接上干货!
电工第一准则:
就是验电。很多人不明白这其中的意思,绝大部分老电工也是凭着经验变老的。但是经验可不是每次都行的通的,一次不注意可能就终身遗憾了。
事实上,线路上很有可能开关漏保坏了,造成触点黏连,你认为拉闸断电了,往往还有一相或者两相还有电,最让人后悔莫及的,懊悔的莫过于你让同事断电,同事断错闸刀了,你直接动手维修,导致事故发生,而触电就是这么在你认为的情况下发生的。所以验电是电工第一准则。
电工两个必须:
必须要心细,电上故障千千万,粗心大意者肯定不能干电工的,电工是一门危险系数很高的工作,很多人并不以为然,甚至是懂点皮毛就私拉乱接,殊不知其严重性,我记得九几年的时候一般家庭都是没有漏保的,漏电电死人是常有的事,那时候的电工真的很吃香,是个技术活,村里人都很尊重电工,我们村那时候收电费的就是电工,村里的人不多,但家里多多少少都会有点电路故障,都是他免费帮忙的。现在想想,这个年代的电工,真不值钱,也许是因为电工太多了的缘故,这个行业卷的不行,更没有师承一说,只要有个证那就是电工,甚至没有证的反而技术更好!
必须要胆大。这里的胆大必须建立在细心之后。电工没有一定的胆量和魄力,你就不要干电工。明明故障维护好了,你却不敢送电,怕短路爆炸或者烧毁电器等原因,犹豫不决,瞻前顾后,那么你一定会被淘汰,所以电工要相信自己,要自信,要对自己的所学所想认同,同时还要不断的学习,方能成为一个优秀的电工,学而不思,思而不学,终究只是年龄大点的电工而已,俗称"老电工",而不是专业电工!
电工三要素:
这里的三要素可不是指"电流、电压和电阻"。而是,一听二看三摸。
听,就是听周围人的议论、表述、聊天等判断故障的起因,这里一定记着,只能信一半。并不是有人说谎,而不是专业的人表达的不一定清楚,有可能混乱,故,你需要自己找出有用的信息。
看,就是看周围环境,是不是潮湿恶劣,是不是工装还是临时用电,等等;电路情况走向,分几路,多大的主线,负载是什么性质的,大概是怎么工作的等;最后就是看有没有明显的故障表象,这样有的时候可以省下很多排查故障用的时间,可以说运气好的话,十秒钟就找到故障,三分钟就处理好了,比方说烧焦痕迹和气味。用电器功率比较大,设备看起来比较大,而线经比较细等情况可以说是一目了然!
电工四大图:
①.起保停电路
(最简单的启动保护停止电路图,也是新手上路必修图)
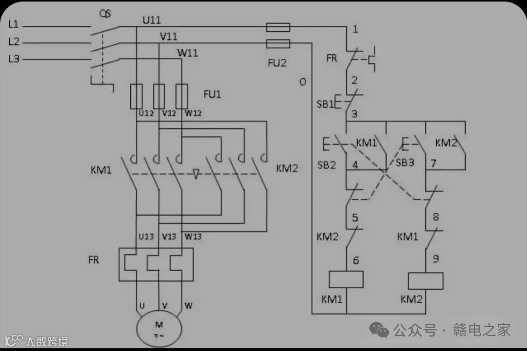
②正反转电路图
(正反转+互锁电路图)
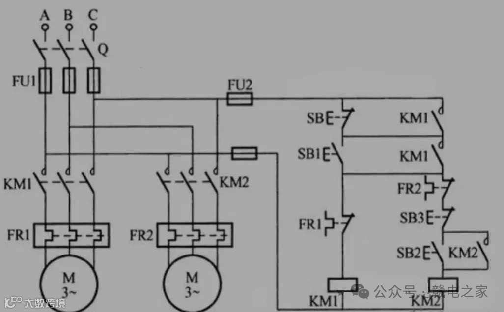
③顺起逆停电路图
(顺起逆停,顾名思义,顺序启动,反序停止。在这个基础上,还有一个同类电路图就是用一备一)
④星三降压启动
(百分之九十的初学者电工止步于此,也有很多老电工,看懂图,但是到了现场就蒙圈)
电工四大工具:
验电笔
记住一句话,动电之前先验电。
万用表
电工必备的工具,记住必备的,别管是指针式还是数字式,又或者钳形表,反正必须有,记住别买30块以下的,真的很影响判断。
(这是在一次维修中漏电比较严重,所以用万用表测漏电情况,漏电小的情况下用摇表,否则测不准确)
摇表
查找漏电的必备工具,也是相对来说最常用、最经济、比较准确的工具!这里一定要区分是高压还是低压,防止对线路中的电器造成损害。常用的500v直流摇表,型号ZC-7型绝缘电阻测试仪!
(经常移动的电缆内部进水后,某相破损导致不定时漏电,这个时候用万用表测不出来,直接上摇表)
接地电阻测试仪
整个工程施工中、房租建筑中、大型设备接地情况等测试中,必须对整个用电系统的总接地情况进行测量,这个值一般来说是以下几种情况:
(这个沙土地,挖沟打桩加盐,真的废了好大劲才使得接地电阻达标,图中显示9.7Ω,符合重复接地要求)
1、重复接地电阻应小于等于 10 欧;
2、独立的交流工作接地电阻应小于等于 4 欧;
3、防静电接地电阻一般要求小于等于 100 欧。
4、共用接地体(联合接地)应不大于接地电阻 1 欧。
根据国家规范要求:“使用同一接地装置的所有 1KV 以下的电力设备,当总容量≥100kVA 时,接地阻抗不宜大于 4Ω;如总容量<100kVA 时,则接地阻抗允许大于 4Ω,但不大于 10Ω。
当然接地电阻值在北方沙土地时或者沙石多的地方时,阻值相应增加,也要添加适量的增阻剂来降低电阻值。
好了,以上就是电工入门的最基本的要求了,如有不当之处,请在留言区指正!


