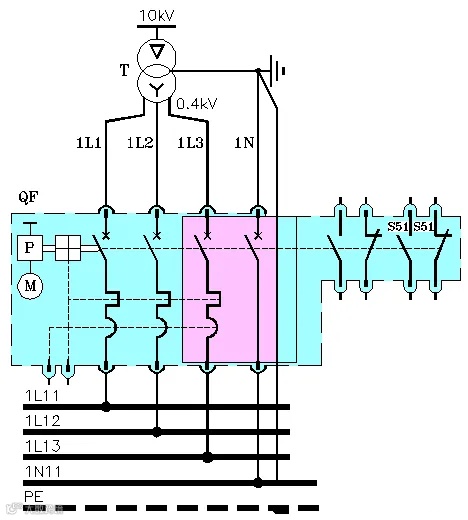
这个问题,解析时可以分解为两个相互关联的子问题。我们来看下图:
图中我用青色框标明的区域就是断路器,当然,这台断路器是低压配电室里面用的,而用粉色框框起来的部分与问题有关。
注意看这台断路器,我们发现它是四极的,而且在三条相线中,半圆的标识和半个正方形的标识标识这台断路器具有过载保护和短路保护功能。
特别注意的是:N线所在的极里,没有任何保护,断路器在这里充其量只不过具有隔离开关功能而已。
因此,这台断路器的接线属于3P+N的型式。考虑到N极在断路器内部,为了说明问题,故意将N极触头绘制成断路器的型式,但在实际绘图时,N极触头应当绘制成隔离器的型式。
请注意两件事:
第一:进线方向必须是从上往下。
第二:除非N线也有与相线一样的保护功能,而且整定值也一致,否则不得把断路器相线接入极与N线接入极对调互换使用。
下面我们来一一解释:
我们先来看第一个问题的解答。这个问题涉及到断路器动静触头的介电能力和电弧移动方式。
(1)断路器动静触头的介电能力
我们来看下图:
这是一只微型断路器。它的上侧是进线端,下侧是出线端。我们从图中可以看出,出线端的机械复杂程度超过进线端。
其实进线侧是断路器的静触头,而出线侧是断路器的动触头。静触头的结构相对简单,散热条件好一些,因此静触头侧的介电性能也即绝缘性能优于动触头侧。也因此,如果断路器制造厂的技术和设计水准相对较低时,如果反向进线,也即将断路器的出线侧改为进线侧,则需要降容。降容后的运行电流仅为额定电流的75%。例如断路器的额定电流是100A,反向送电后其运行电流为75A。
对于设计比较好的断路器,则无需降容。
这在断路器的说明书或者样本材料中都会说明。
如果需要从下部进线,除了需要用具有下部进线无需降容功能的断路器外,有时还需要采取其它一些措施。例如电缆和母线槽搭接问题等等。
需要指出的是:把进线方向弄错是开关柜制造厂的新入职工程师们常见错误。
(2)断路器内部电弧移动方式
我们来看下图:
当断路器因为线路短路而跳闸瞬间,这时的电路是有极性的。图中上部是静触头,下部是动触头。图中左侧(绿色部分)表示静触头为负极或者阴极,右侧(红色部分)表示静触头为正极或者阳极。我们来看其中的电弧运动。
图1:左右两侧的上图中因为动触头做开断运动,触头间出现电弧;
图2:随着触头间隙加大,电弧也被拉长,其中部在电场力的作用下向灭弧室方向弯曲。
图3:左图中电弧已经离开触头,向灭弧室方向运动;右图中我们看到,电弧的阳极区已经离开触头,而阴极区却滞留在动触头上;
图4:经过一段时间后,滞留在动触头(阴极)上的电弧阴极区才离开触头,并向灭弧室方向运动。
什么原因呢?
当断路器的触头打开,电弧开始出现,同时极间的电阻不断增大。电弧在两极上形成电弧斑点,以及熔融金属和它的蒸汽,这时的电弧被称为金属性电弧。金属性电弧是靠金属蒸汽的离子来支撑的,我们把它称为金属相电弧。
金属相电弧的直径较大,电弧基本上不运动。当电弧随着触头开距加大而拉长后,在外磁场的作用下,周围气体进入电弧,使得电弧中心的温度升高,电流向中心集中,电弧变细,电弧变为气相电弧。这时,电弧才具有运动的可能性。
我们知道,低压电器是有灭弧罩的,电弧要进入灭弧罩,必定会遇见各种拐角和台阶。这些拐角和台阶对于电弧的运动会产生什么影响呢?
一位很出名的学者,叫做R.Michal,他研究了电弧弧根运动的机理,得出的结论是:
1)阳极电弧弧根具有跳跃通过阻挡物的能力。也就是说,阳极电弧遇见台阶和间隙能一跃而过。
2)阴极电弧弧根的运动必须是连续的,它只能沿着阻挡物的表面运动。
这个现象有点像男孩子和女孩子。男孩子遇见障碍可以跳过,女孩子则只能老老实实地沿着地面走过去。当电弧在遇见台阶时,阴极电弧弧根要从台阶下方沿着立面攀升到台阶上方再继续前进,而阳极电弧弧根则直接越过,于是电弧必然会出现倾斜和停滞。
我们再来看上方的电弧运动图。
图中绿色部分的下方动触点是电弧阳极。
从第一张开始出现电弧,到最下方的第三张电弧弧根进入灭弧室,我们看到阳极电弧弧根的运动没有问题,它顺利地越过了动触头与电弧罩之间的台阶。
图中红色部分的下方动触点是电弧阴极。
从第一张开始出现电弧一直到第三张,我们看到电弧阴极弧根始终跟着动触头运动,而最后第四张阴极弧根才越过台阶进入灭弧室中。
看到这里,相信大家一定会想到,这对于具体的断路器来说,能产生什么作用呢?
答案是:与断路器的进线位置有关。
我们来看下图,这张图是ABB的Emax框架断路器结构简图:
如果我们将电源的进线侧接在断路器的出线侧,有50%的可能会出现右图所示状况。
如果断路器的进线方向为上进线,且其动触头在下方。当触头打开时,不管阴极在静触头还是动触头,电弧都能相对顺利地进入灭弧室;反过来,断路器的进线方向为下进线,则电弧进入灭弧室的时间会比前者要迟,也即电弧会有停滞时间。
如此说来,断路器的上进线和下进线优劣程度,很大程度上与断路器的制造技术相关。
对于国产断路器,最好不要采取下进线。如果一定要下进线,则必须降容。
对于进口或者合资生产的断路器,例如施耐德、西门子和ABB的断路器,则上下进线的容量是一致的,无需降容。
这里,我们再一次看到中国制造的不足之处。中国制造,任重而道远。
========================
综上所述,不建议将电源进线接在断路器的出线侧。
对于较大电流规格的低压断路器,例如框架断路器,其载流量更大,电流可达数千安。由于断路器的温升更高。如果确实要反进线,则一定要仔细看选定的断路器的样本,确保无需降容才行。
========================
我们再来看第二个问题的解答,也是问题的核心:
如果把双极开关中的相线和N线位置互换,会出现何种问题?
我们知道,低压双极断路器的N极,或者四极断路器的N极,它的脱扣能力是按相线脱扣能力的百分位数来定义的。一般是25%、50%、75%和100%。
对于ABB的微型多极断路器,各极的脱扣能力是一致的,无所谓互换。
我们看下图:
我们很明确地看出,表中并未说明N极的脱扣能力与相极有何区别。
极这个名词,英文叫做Pole,因此我们把1极的断路器叫做1P,两极的自然叫做2P,类似的还有3P和4P.
对于1P到3P的断路器,它内部的线路保护脱扣能力都是一致的,但如果是1P+N,或者3P+N,则情况就不一样了。N极有可能除了具有隔离开关功能外,什么线路保护都没有!实际使用时一定要把N极的保护脱扣功能搞清楚。
现在我们来仔细看问题图:
图中红色的相线接到了N极,而蓝色的N线却接到了相极。正如同问题所说,线接反了。另外,到底是从底部进线还是从顶部进线,图中看不出来。若从底部进线,问题就更大了。
我在度娘上下载这种开关的图,并加以放大,我们来仔细看它的面板说明。当然,规格与题主使用的不同,楼主用的是32A的规格,而此图为16A规格,规格并不影响说明问题。图如下:
注意看开关的符号,在C16字符的右侧:我们看到左边的相极图表示其具有短路保护和过载保护,而右边的N极图只是一条直线而已,可见N极只具有隔离开关功能,完全不具有短路保护和过载保护功能。
结论:
对于ABB的微型断路器SN201L C32,它属于1P+N类型的断路器,它的相线与N线位置不能互换。一旦把相线接入N极,则开关不再具有线路保护功能。
因此,必须尽快把相线和N线换回正确位置。
================
特别增加内容:
许多网友们提出从断路器的N线引入L线后,因为串联电路的电流处处相等,因此不会影响到断路器的保护。为此,我专门增加这部分来进行说明。
我们来看下图:
图中的断路器均为1P+N。
从图中我们看到左边的QF1是正常的端口引入相线,而右边的QF2却从N线端口引入相线。
先注意到几点:
(1)家装配电网的接地系统是TN-C-S。也即由电源引来的PEN线在入户前接地,然后分开为N线和PE线入户。
(2)用电负荷的外露导电部分(也即金属外壳)必须接地,也即接到PE线上。
(3)当发生单相接地故障时,由于TN-C-S属于大电流接地系统,因此接地电流非常接近于相对N的短路电流,因此单相接地故障的保护装置为断路器。
(4)家装配电网的总入口处也可加装漏电保护器,用以提高人身安全防护能力。
现在开始分析:
先看左图:图中接线方向是正确的,因此断路器相线的脱扣器能起到线路保护作用。
当用电负荷的外露导电部分发生单相接地故障时,由于它的外壳与PE相连,因此故障电流的路径是:断路器相线回路用电负荷的外露导电部分PE线,因此,断路器必定会执行保护操作。
再看右图:图中的接线方向是反的,也即从断路器的N线端子引入相线。
第一:我们看到,当电流离开用电负荷后,从断路器的下桩头进入断路器,也即进线方向从下而上,违反了进线必须从上往下的规则。因此,断路器必须降低容量使用。
第二:当用电负荷的外露导电部分发生单相接地故障时,故障电流的方向是:断路器N线回路用电负荷的外露导电部分PE线,我们看到,这条路径完全没有线路保护能力。
如果配电网中未接漏电开关,则全系统彻底地失去了保护,必定会发生严重电气火灾事故。
第三,如果在断路器的出线侧发生相对N的短路事故,虽然看似断路器能够执行正常的保护操作,但因为断路器需要降容使用(见正文第一条说明),因此断路器的保护可能会因为触头电寿命降低的原因而失效。
结论是:在任何情况下,绝对不要将1P+N的断路器进线方向弄反!!!
免责声明:本文来自网络,版权归原作者所有,如涉及版权问题,请及时与我们联系删除,谢谢


