自2023年进入青岛远航源丰润至今,我先后工作了3艘船,累积了20多个月的实习经验。特别是在本船老轨和电机员的系统指导与培训下,我已具备独立处理常见故障和执行电子电气员各项业务的能力。现将我对电子电气员岗位的职责理解和工作内容汇报如下。
一、主管设备
“
电子电气员主要负责以下电气与自动化设备的维护与管理:
1.主发电机组、应急发电机(或应急电瓶组)、主配电板、应急配电板及电力管理系统。
2.主机、副机、舵机和锅炉等设备的自动控制系统,包括PLC、传感器及执行机构。
3.电笛、雾笛、自动跟踪导航系统、ARPA雷达、电罗经、航向记录仪、自动车钟仪、主机转速指示器、风速仪、舵角指示器等助航仪器电气设备。
4.集中监控警报系统、安全保护系统和其他警报装置。
5.锚机、绞缆机和其他甲板机械设备的电气部分。
6.应急电气设备和其他应急设备、防污染设备的电气部分。
7.主机曲柄箱油雾探测器、火警系统和烟雾探测系统。
8.电动马达及其启动箱和控制器。
9.船体外加电流阴极保护装置和海水系统防海生物装置。
10.航行灯、信号灯、全船照明及应急照明系统。
11.伙食库制冷系统、空调系统及全船通风系统的电气部分。
12.厨房和生活区设备的电气部分。
13.船舶内部通讯系统。
14.移动式电气设备和电动工具。
15.“船舶检修、养护责任分工”规定的其他设备和轮机长指定的设备。
二、日常工作
“
1.负责对主管设备按维修保养计划指令进行试验、保养和维修,并将结果报轮机长。在平时工作中,我们除了要保证机器正常运转之外,还要注意各种设备的保养和检查工作。
对于配电板上的主开关,每月检查一次各活动零件是否活动正常,紧固件是否松动,可调部分有无变形或移位等,发现不正常应及时采取措施。每半年检查一次合闸操作机构是否灵活、可靠;清除灭弧罩及栅片上的烟灰;保持触头表面光洁。另外,观察配电板上的仪表读数是否正常,发电机功率分配是否合理,如不合理应该手动调节。对于所有的配电板和控制箱都要保持清洁干燥。在电机员的工作中,马达是必不可少的。马达没有大小,工作一样重要,不能有半点马虎。船舶上的马达分布也比较广泛,在拆马达的过程中,应该注意烫伤,砸伤,压伤,挤伤等等。对于比较大的马达,人员之间更要注意配合。
2.机舱巡查
电机员的工作除了正常的维护保养和设备检修,更重要的就是对自己主管的设备多了解,多观察,尽可能的早发现问题。每天早上和晚上对机舱的巡查就是一项很重要的工作,通过巡查能够对机器现状有个充分的了解。首先,到集控室观察配电板上各个电压电流表读数是否正常,各指示灯显示是否正确,以及集控台电脑显示的各个位置的温度是否正常。其次,走到机器旁观察各个电磁阀、传感器是否松动、脱落。最后,就是通过望、闻、问、切四个步骤观察使用中的马达是否正常。所谓望,就是查看马达电流是否正常稳定,观察马达周围有无漏水、底座是否松动;闻,就是闻闻马达有无烧焦或者其他异味;问,就是听听马达转动是否有异常噪声,并注意和平时的声音做比较;切,就是用手背感触一下马达的温度,我在巡班中一般使用点温枪测量马达温度并进行记录,异常情况可以迅速发现。通过机舱巡查,让我对机舱各个设备有了进一步的认识,对各个附件位置也有了更进一步了解。
3.应急和防污染设备检查
应急和防污染设备是船舶安全和环境不受污染的重要保证,也是当今各国PSC检查中不可缺少的一部分。为了能够在每次的检查中无缺陷通过,也为了让机舱人员更熟悉应急和防污染设备,本轮除了每周必需的定期检查外,在每次抵港前,老轨都带着机舱人员对应急和防污染设备进行一次全面细致的检查。应急和防污染设备主要包括:机舱风机挡板、百叶窗、应急发电机、救生艇、应急消防泵、风油切断、焚烧炉、油水分离器、火警烟雾探测器、水雾喷淋系统、机舱污水井报警、货舱进水报警、速闭阀、副机油压、超速等应急停车,主副机漏油报警等。
每次应急设备检查,首先检查的就是消防应急救生设备。风机挡板、百叶窗,以及速闭阀是否活络。在平时试验中,为了保证风机马达的安全,首先应该关闭风机,然后进行试验,试验结束后,重新打开挡板并启动风机。速闭阀试验也是关闭以后迅速复位,如遇不正常要抓紧检查恢复。
对于应急发电机的试验,主要是手动起动以及断电自动起动并且并电供电。自动起动并联网供电,就是在切断主配电板向应急配电板供电的开关时,应急发电机能够自动起动并稳定运行向应急电网供电。
对救生艇的检查,包括启动电瓶检查能否正常充电以及放艇的限位开关。另外,还要定期查看救生艇的示位灯、照明灯以及罗经灯是否正常工作,然后对救生艇进行启动试验并进行左右转舵及倒车正车试验。
当船舶出现应急安全事故时,能够及时有效切断机舱风机以及主副机的各种油泵是减少损失的重要措施。在应急设备检查中,风油切断也是试验的重点。在平时检查试验中要注意及时恢复供电。
除了上述的这些应急设备检查试验之外,还要对分布在全船的火警探头进行检查试验,对污水井液位开关全部进行试验。另外,配合主管轮机员进行漏油报警试验,副机滑油低压、超速应急停车试验,机舱水雾喷淋系统试验等。
4.船舶进出港、移泊、抛起锚或备车航行时,在机舱值班并负责车钟记录。
5.负责保管主管设备的技术文件、图纸、说明书和其他技术资料。
6.负责所属各类报表的填报、存档。
7.负责对全船人员安全用电常识进行培训指导。
三、典型系统深入学习与实践
“
在本船见习期间,我在老轨与电机员的指导下对本船电力管理系统、主机电控系统及尾轴接地装置的功能与原理进行了深入地学习。
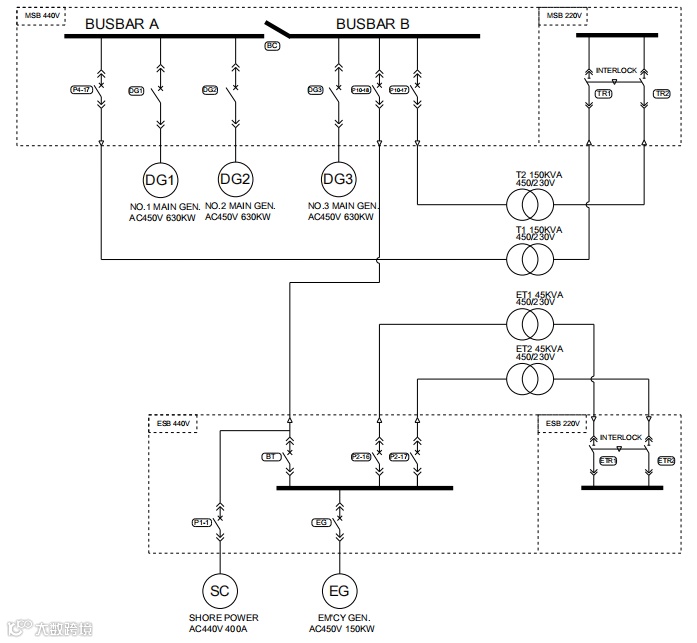
1.船舶电力管理系统
我船的电力管理系统集成在主配电板上。它是船舶自动化系统的核心组成部分。自动、安全、经济地管理船舶发电机组和配电网络,确保电站始终处于最佳运行状态,保障船舶的供电安全和可靠性。电力管理系统主要功能:高负荷需求下自动增机流程;低负荷需求下自动减机流程;大功率负载投入管理;优先脱扣保护;失电后备用机组自动启动,恢复供电等。
本船的应急汇流排失去主电网供电后,且应急配电板处于自动模式时,3秒后,应急发电机会收到启动信号。当应急发电机建立电压20秒后,会发出EG自动合闸信号。合闸成功后,应急电由应急发电机供应。恢复主电网向应急电网供电时,EG断开,断开后BT方可合闸。我们要注意的是,BT与EG两个断路器构成互锁关系,防止两路同时向应急电网供电。
船舶电力管理系统的维护保养本身是一个计算机控制系统,其维护侧重于传感器和外部执行机构。首先,定期检查并校准关键的电流互感器、电压互感器和功率变送器。这些传感器的信号是电力管理系统决策的“眼睛”,数据不准会导致误判。其次,对船舶电力管理系统的硬件进行检查。检查电力管理系统的控制器、PLC、触摸屏等硬件状态。检查所有断路器的合分闸机构、储能电机是否正常工作,因为电力管理系统的指令最终由它们执行。检查发电机组的调速器和调压器,它们是电力管理系统的“手脚”。
2.主机电控系统
本船为MAN B&W公司设计的型号为6S60ME-C电喷主机。整个电控系统主要由主机控制单元(ECU)、主机接口单元(EICU)、气缸控制单元(CCU)、辅助控制单元(ACU)、主操作面板(MOP)等组成。
ECU:是主机控制的核心,还具备调速器功能。包括起动前的准备与检查、重复起动、起动阻塞控制、慢转和冲车;起动油门限制、扫气压力限制、转矩限制、轮机长最大油门限制及液压油油压限制、控制燃油喷射定时及循环喷油量等;控制气缸油的注入定时及注油率和柴油机运转模式(低排放和经济)控制等。
EICU:主要为与外部系统(主机遥控系统、安保系统、报管系统等)提供通信接口并起到转换与过滤器的作用(设定某些限制条件,如转速限制)。
ACU:主要作用是控制液压动力单元(HPS)的压力,根据扫气压力大小控制辅助鼓风机的启停等。
CCU:主要作用是根据燃油喷射定时和循环喷油量的命令,控制本缸燃油喷射、排气阀启闭、气缸油注射、缸头起动阀的动作等。
MOP:其是管理人员与柴油机之间的操作界面。通过MOP操作界面,管理人员可以对柴油机及相关设备进行操作,或对柴油机控制系统相关参数的设定与修改。
MPC板检查:其实,各个单元在硬件上都是完全相同的多功能控制板(MPC)。为了避免MPC控制箱里的电路板出现高温故障,日常管理注意事项是:控制箱内部定期清洁,保证通风小风机运行良好、滤网清洁以及模块各散热孔无灰尘,日常用点温枪观察各模块温度及温升情况,发现异常及时检查处理,避免模块损坏;定期测量电源输出电压,如发现偏差,按要求调整各输出电压符合上述各模块电压要求;利用锚泊或靠港期间,断电对系统进行彻底清洁检查,对部分接触电阻增大或有松动的接头进行换新或处理,使其处于良好状态;防止出现由于接触电阻的增大造成的参数漂移,影响系统稳定;检查接地线及屏蔽线是否良好可靠。
传感器检查:定期检查各关键传感器(特别是转速传感器)的固定是否松动,接线是否完好。清洁探头端面,防止油污、金属屑影响信号。保持曲轴箱清洁,防止金属屑污染角度编码器。定期打开各缸液压油缸单元(HCU)罩壳,检查有无漏油、异响。
3.尾轴接地装置
本船的尾轴接地装置由3个高密度银石墨电刷,两个电刷支架,银合金滑环(集电环),数字式毫伏表,电缆组成。
工作原理:装置通过电刷与滑环的滑动接触,在旋转的轴和固定的船体之间建立一条低电阻的电气通路。这样,由于材料差异产生的腐蚀电流会选择通过这条捷径(电阻几乎为零)回流,而不是通过高电阻的轴承和密封界面。从而保护了昂贵的轴承、机械密封和轴系本身。
尾轴接地装置结构简单,但其工作环境(高温、高湿、振动)恶劣,定期维护是保证其有效性的关键。维护工作可分为日常检查、定期维护和全面检查。
(1)日常检查:每周应对尾轴接地系统进行两次简单观察。检查装置周围是否清洁、干燥,有无过多的油污、灰尘和金属粉尘堆积。观察电刷与滑环的接触是否良好,有无产生异常火花。当运行时,毫伏表数值波动明显可能是接触不良或脏污,需进行检查或清洁,本船报警值是80mV。在螺旋桨静止不转时,测量轴与船体之间的电位差。良好状态下,读数应接近0mV(通常要求<5mV)。如果读数显著偏高(如>10mV),说明电气连接不良,需要立即排查。
(2)定期维护:每月或每航次对其进行清洁和检查电刷。断开电源(如果附近有)后,用无水乙醇或专用电器清洁剂彻底清洁滑环表面和电刷接触部位,去除所有油污和导电粉尘。切勿使用润滑油或润滑脂!检查电刷的剩余长度。当电刷磨损到规定的最小长度时(本船说明书规定最小15mm),必须进行更换。检查弹簧压力,确保电刷能自由活动并在滑环上保持恒定的压力。检查紧固件:检查所有电缆接头、支架固定螺栓是否紧固,确保电气连接可靠。记录:记录测量读数和维护情况,便于趋势分析。
(3)全面检查:在船舶进入坞修对整套装置进行彻底检查。检查滑环表面是否光滑、清洁,有无过度磨损、凹槽或烧伤痕迹。如有必要,可对其进行轻微抛光处理。利用船舶停航机会,将接近寿命末期的电刷提前更换。检查推进轴系(包括接地装置)的对地绝缘情况,确保没有其他意外的接地短路点。
四、船舶迎检的日常准备
“
随着社会的发展,现今船舶面临的各项检查越发频繁深入。尤其是RightShip检查政策的变化,使检查难度与频次大幅增加。在此情况下,老轨带领我们深入学习了RightShip检查项目和其他船舶检查汇总与注意事项。检查时,电机员主要负责全船电气设备的文件记录和设备的实时状态。
文件与记录:主要包括主要电器设备的产品证书,维护保养记录(PMS)、电池维护记录、绝缘电阻测量记录、货舱进水报警测试记录、安全设备测试记录等。
现场设备状态:主/应急配电板要保持清洁干燥无锈蚀。主/应急配电板上的仪表、指示灯、断路器标识必须清晰、准确、完整。绝缘监测装置的工作正常,读数正常,报警功能测试良好。应急发电机的自动启动与合闸一次成功。应急发电机的启动方式都应处于立即可用状态。电池间的通风良好,无杂物,电池表面清洁、无漏液腐蚀。UPS均能工作正常,能顺利切换至逆变模式供电,无异常警报。危险区域(油漆间、蓄电池间、氧气乙炔间)的灯具、开关、风扇必须是防爆型。防爆设备的隔爆面、密封圈、电缆引入装置必须完好无损。全船应急照明必须100%有效。关键区域(机舱、舵机间、消防设备站、救生艇筏登乘区域等)的照明必须充足且工作正常。
“
通过20多个月的系统学习和实践,我已熟练掌握电机员的核心业务技能,具备了独立当班的处置突发事故的能力。感谢公司对我的培养,感谢领导们对我的关怀与提醒,更感谢老轨和电机员对我的谆谆教导!我将持续学习新技术、新规范,不断提升专业技能与综合素养,恪尽职守,为保障船舶电气设备的安全、稳定、高效运行贡献力量。
青岛远航源丰润船务有限公司
QINGDAO OCEAN LINE -YUANFENGRUN
SHIPPING CO.,LTD.
招聘电话:18561993711(微信同号)
0532-82866831/82656688
地址:青岛崂山区北宅街道大崂樱桃山谷
E-mail:centre@olongqd.com
官网:www.olongqd.com

