点击蓝字
!
关注我们
六角头螺栓,规格为M27×280,性能等级为10.9级,表面镀彩锌。该螺栓安装在塔吊底部与基础连接处,安装约3、4个月后发生断裂。
螺栓断裂部位为头杆部结合的过渡区,断口无明显宏观塑性变形,两断口可良好配合。
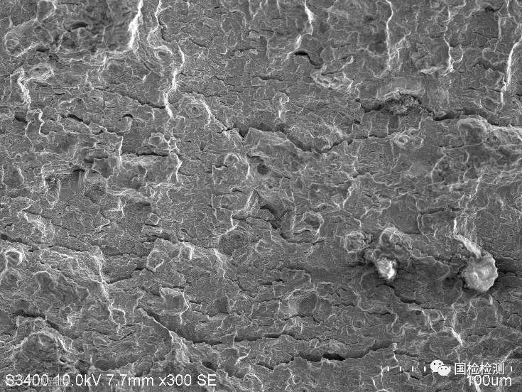
六角头螺栓断裂件断裂形貌,见图11-46。
图11-46 断裂螺栓
螺栓头部断口,整个断面可见明显的疲劳断裂特征,断面平滑,有明显的脆性疲劳扩展特征,图中箭头处为疲劳源区,见图11-47。
疲劳扩展区有明显的疲劳条带,疲劳扩展区占整个断口面积的80%以上,图11-48白色箭头所指深色区域为最终断裂区,占整个断口面积小于10%。
图11-47 杆部断口宏观形貌
图11-48 头部断口宏观形貌
杆部断口的四周有碰撞变形痕迹,断裂源外表面有明显磨损痕迹,杆部断裂处断裂源侧面的磨损痕迹,见图11-49。
图11-50为断裂源区域形貌,可见许多细小台阶;疲劳条带方向为疲劳扩展区。根据断口各区域的面积比,可确定螺栓断口为低应力高周疲劳断口。
图11-50 疲劳源区域宏观形貌
图11-49 杆部断口断裂源侧面磨损痕迹
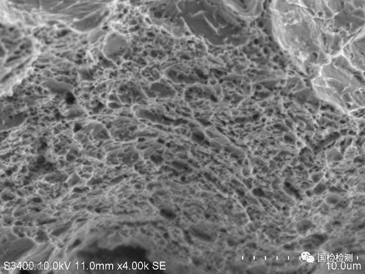
在扫描电镜下观察断口微观形貌,疲劳源区域存在磨损凹坑、疤痕和微裂纹未发现夹杂和冶金缺陷(图11-51、图11-52);疲劳扩展区二次裂纹和撕裂棱比较明显,疲劳条带少、短、间距小,属高周疲劳特征(图11-53、图11-54);图11-55为最后断裂的韧窝特征,该区域仅出现在断口边缘很小部分,说明最后断裂时应力较小 。
←
图11-51 疲劳源形貌
图11-52 表面磨损疤痕和微裂纹
→
图11-54疲劳条带放大像
图11-53 扩展区疲劳条带
硬度检测,在断口附近对螺栓表面、心部硬度检测,检测结果,表面硬度347、352、345 HV0.3;心部硬度324、320、328 HV10,螺栓的硬度值均符合技术要求,沿断口纵向截取试块,制成金相试样,显示显微组织为均匀回火索氏体组织,见图11-56。
图11-56 螺栓显微组织
用直读光谱法对螺栓化学成分进行分析,化学成分符合《GB/T 3077-1999》40Cr钢的要求。
检测结果,螺栓的表面、心部硬度、金相组织和化学成分均符合要求。
Q1·
通过以上的分析,大家认为40Cr高强度螺栓断裂的原因 是什么呢?
我们将在下期发布新文章的结尾公布本期文章的答案哦!届时请大家一定要关注我们的公众号。
你的好友国检检测拍了拍你
并请你帮她点一下“分享”
求分享
求点赞
求在看
国检检测公众号
微信号 : 13372307781
官网:www.chinazbj.com

