点击蓝字 关注我们
在日常的紧固件检测案例中,由于装配或者加工工艺不当造成的紧固件表面缺陷占了非常大的比例。今天我们就盘点一下,常见的因装配或加工工艺不当导致紧固件表面缺陷的原因有哪些!
35K钢法兰盘螺母冷镦开裂
35K钢六角法兰面螺母毛坯件,采用经退火拉拉拔盘条材料冷镦制成,成形后螺母法兰面开裂。经检查35K盘条性能和表面质量良好,造成开裂的原因是螺母法兰面冷镦变形量过大,螺母冷镦时开裂。
20钢卡箍产品折叠缺陷
20钢卡箍产品因加工不当产生横向和纵向折叠。
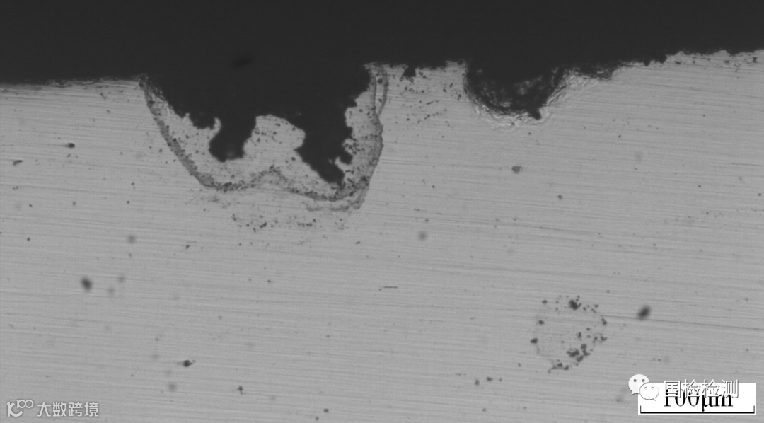
螺栓光杆处的横向缺陷
光杆处沿圆周方向磁粉显示
吸附磁粉处的缺陷
1
30CrMnSiNi2钢螺栓使用一段时间后拆下定检,经磁粉探伤检测,发现螺栓光杆部位有吸附磁粉现象,沿圆周方向存在不同程度的磁粉显示,见左图。
2
把吸附磁粉的螺栓制成金相试样,发现吸附磁粉处有深约0.05~0.08㎜的机械损伤,分析为在加工过程或装配过程造成,见右图。
自锁螺母收口端面裂纹
螺母收口端裂纹形貌
螺母收口端裂纹形貌
1
30CrMnSiA钢自锁螺母加工工序为:六角棒机加工→收口→热处理(淬火回火)→喷砂→表面处理。硬度要求HRC30~36。成品检查发现螺母收口端面开裂,见左图。
2
金相组织观察发现端面有多条不规则裂纹,开裂原因是因自锁螺母收口端锥角大,收口端面处收口尺寸小,在收口应力作用下端面开裂,见右图。
30CrMnSi钢自锁螺母装机开裂
装配后开裂形貌
螺母的开裂形貌
1
30CrMnSi钢自锁螺母在装机后检查发现在安装边收口端开裂,见左图。
2
故障件拆卸检查,故障螺母收口端面倒角呈尖角,从开槽处裂开变形,分析认为故障螺母硬度较高,收口工艺尺寸过大、收口端倒角过大,在装配应力的作用下开裂,见右图。
45钢螺栓滚丝开裂
45钢螺栓,头部经热锻成型,螺栓滚丝后整个滚丝部分开裂,开裂处粗糙,存在一些疏松缺陷,有过烧的特征。
SWRCH35K钢六角头螺栓头部弧形开裂
SWRCH35K钢六角头螺栓冷锻工艺不当造成头部发生弧形开裂。
GH4037高温合金偏心衬垫点状缺陷
GH4037高温合金偏心衬垫工序检查时,发现衬垫的一个端面有大小不一的点状凹坑缺陷,不均匀分布在端面外圆,另一端面没有缺陷。该衬垫为车加工,由于是偏心,加工难度大,车加工前无点状凹坑缺陷,车加工后产生,分析为车加工的为工艺缺陷。
2A01铝合金铆钉铆接开裂
2A01铝合金铆钉在装配铆接过程中,部分铆钉镦头开裂。原因是铆钉淬火保温时间长,造成显微组织不正常,晶粒粗大,导致装配铆接时开裂。
四角螺母锻造裂纹
四角螺母由于锻造工艺不当,成型时表面产生穿透性锻造裂纹。
从上述情况来看,紧固件因加工工艺不当的情况而造成表面缺陷原因主要包括冷锻开裂、折叠缺陷、磁粉缺陷、滚丝开裂、断面裂纹等。
这些缺陷原因有些是因为生产工艺应用不当造成的,还有些是因为后期制样时机加工所产生的。
希望通过本次分析,大家能在以后的生产与加工过程中,尽量避免加工缺陷,不断提高产品品质。
扫描二维码 |关注我们
微信号 : 13372307781 | 官网:www.chinazbj.com
觉得内容还不错的话,给我点个“在看”呗


