大数跨境

六角螺母开裂讨论课堂

六角螺母开裂讨论课堂 国检检测
2020-07-17
1

点击蓝字,关注我们



1.概述





      现提供开裂六角螺母两枚,螺母规格为M36,材质为40Cr,性能等级为10级,表面达克罗,螺母制造工艺为先调质后攻牙。据反映,螺母为安装过程中发生开裂,要求分析其开裂原因。图1所示为试样宏观形貌,可见一枚螺母已断裂成三截,断面存在明显的锈蚀痕迹,另一枚螺母发生严重开裂,裂纹贯穿螺母内外壁厚。选取图中箭头所示螺母残件进行重点分析。

图1  试样宏观形貌



2.断口分析





      图2所示为试样断口宏观形貌,断口附近未发现明显的塑性变形,断面平整,可见明显的放射状条纹,条纹起始于断口左侧两扣螺纹(红框所示)。断面存在轻微锈蚀痕迹,未发现明显的挤压磨损现象。将断面分为A、B、C三个区域进一步描述。

图2  断口低倍形貌

      图3所示为A区微观形貌,可见明显的沿晶形貌,并伴随晶间二次裂纹。

图3  断面A区微观形貌

      图4所示为第一扣螺纹低倍形貌,靠近螺纹表面区域标记为1#,远离螺纹表面区域标记为2#,分别进行能谱分析。


图4  第一扣螺纹低倍形貌

      图5、图6所示分别为1#、2#区域能谱分析结果,可见1#区域除基体元素外存在少量的Al、Zn元素,2#区域除基体元素外未发现其他元素。

图5  1#区域能谱分析结果

图6  2#区域能谱分析结果

      图7所示为B区微观形貌,可见沿晶与韧窝并存的混合型形貌。

图7  断面B区微观形貌

      图8所示为C区微观形貌,边缘区域可见韧窝形貌,远离边缘的区域可见准解理形貌+少量韧窝+少量沿晶形貌。

图8  断面C区微观形貌


3.金相检测





      垂直断口截取螺母横截面进行金相观察,断口附近低倍组织如图9所示,可见断口附近存在一条贯穿内外壁厚的裂纹,且该裂纹由螺母内圈起始,并向扳拧面方向扩展。

图9  断口附近横截面金相组织

      图10所示为裂纹起始区金相组织,可见起始裂纹呈现明显的分叉现象,裂纹两侧未发现明显的脱碳。

图10  裂纹起始区金相组织

      图11所示为裂纹扩展区金相组织,可见裂纹走势蜿蜒,两侧未发现明显的脱碳。

图11  裂纹起始区金相组织

      图12所示为断口附近金相组织,可见断面凹凸不平,未发现明显的脱碳或分支裂纹。

图12  断口附近金相组织

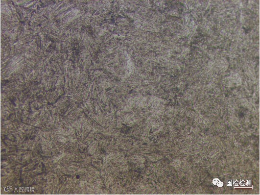
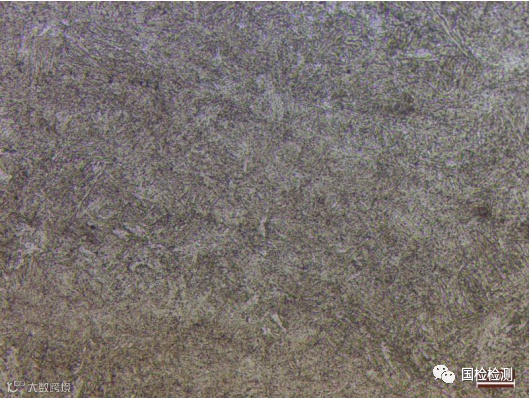
      图13所示为试样芯部金相组织,为马氏体组织。将试样重新进行580℃回火一小时处理,金相组织如图14所示,为回火索氏体组织,两者组织形态存在明显差异。

图13 试样芯部金相组织

图14  热处理后试样芯部金相组织

      图15所示为试样非金属夹杂物形态,根据“GB/T 10561-2005”标准规定,评定为D类球状氧化物(细系)1.5级。

图15   试样非金属夹杂物


4.硬度测试





      选取试样与经580℃回火一小时后的试样分别进行维氏硬度测试,结果如表1所示,可见试样芯部硬度远远高出“GB/T 3098.2-2000”标准关于10级螺母硬度规定的上限,而经回火处理后的试样芯部硬度符合标准要求。

表1  硬度测试


5.化学成分分析





      采用直读光谱法对试样进行化学成分分析,结果如表2所示,符合“GB/T 3077-1999”标准关于40Cr的规定。

表2  试样化学分析

提问

Qustions

&


      通过以上分析,大家认为六角螺母开裂的原因到底是什么呢???


      欢迎大家积极参与讨论并发表自己的看法哦!

     我们将在下期发布新文章的结尾公布本期文章的答案哦!

      大家记得点击关注上方“国检检测”公众号啊!



识别二维码 关注我们




 点一下阅读原文更多了解我们





球分享

球点赞

球在看


【声明】内容源于网络
0
0
国检检测
公司通过了CMA、CAL、CNAS、DILAC认可、NADCAP认证;可开展标准件系列产品、金属材料、机械零部件、焊接材料、轴承等检测;压力容器等无损检测;复合材料、橡胶、塑料、油漆等非金属材料检测;长度、力学、化学、热工、电学类校准.
内容 315
粉丝 0
国检检测 公司通过了CMA、CAL、CNAS、DILAC认可、NADCAP认证;可开展标准件系列产品、金属材料、机械零部件、焊接材料、轴承等检测;压力容器等无损检测;复合材料、橡胶、塑料、油漆等非金属材料检测;长度、力学、化学、热工、电学类校准.
总阅读272
粉丝0
内容315