点击蓝字
关注我们
某矿机用双头螺栓,规格为φ20×150,等级为10.9级,材质为35Cr钢,表面发黑处理。安装在矿机桥壳上固定主减速器,服役约2000h发生断裂。
螺栓在螺纹处断裂,断口断面的边沿位于螺纹的牙底和牙侧,断口见图11-152、图11-153。
图11-153 断面低倍形貌
图11-152 断裂件断口宏观照片
对断口进行检查,图11-153为螺栓断面低倍形貌,可见断面边缘位于螺纹处牙底和牙侧面,表面无明显腐蚀产物和冶金缺陷,断面左右两侧较平整光滑,边缘光亮,左右两侧的光滑断面间由一粗糙的带状区域所分隔,该带状区域约占整个断面面积的10%,现将整个断面分为A1区、A2区、B1、B2区和C1、C2区进行进一步微观观察。图11-154为断面A1、A2区边沿微观形貌。
图11-155、图11-156为图11-153断面的A1、A2区微观形貌,表面有磨损痕迹,边沿有较多的裂纹源台阶,表面的磨损、挤压痕迹处为裂纹源区。
图11-154 断面A1、A2区边沿微观形貌
图11-155 断面A1区微观形貌
图11-156断面A2区微观形貌
图11-157、图11-158所示为断面B1、B2区微观形貌,可见明显的疲劳条带,疲劳条带间距较小,为裂纹扩展区。
图11-157 断面B1区微观形
图11-158 断面B2区微观形
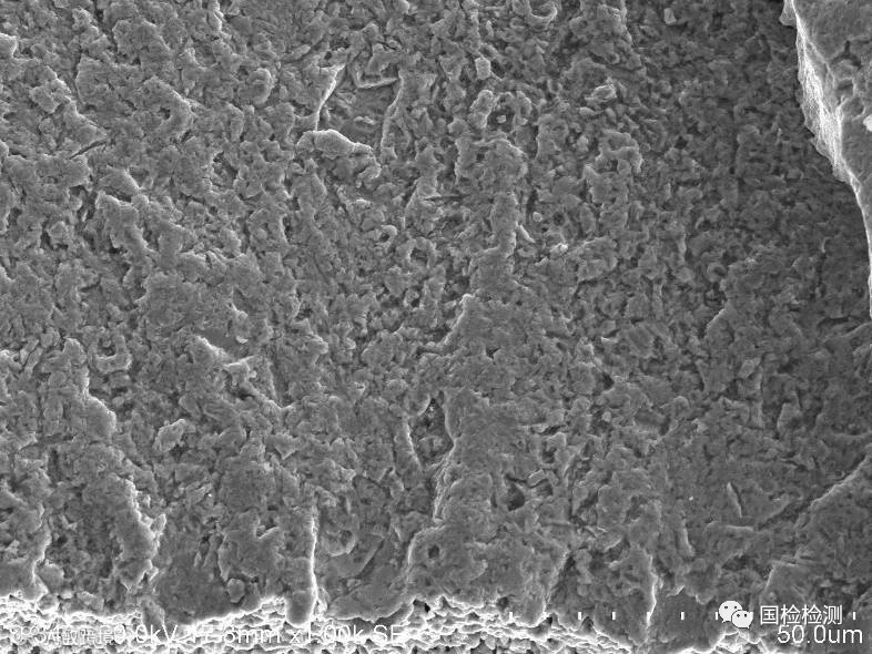
图11-159、图11-160所示为断面C区微观形貌,可见大量等轴韧窝,为最终断裂区。
图11-159 断面C区微观形貌
图11-160 断面C区微观形貌
金相检查,图11-161所示为断裂螺栓芯部金相组织,为回火索氏体组织。
图11-162、图11-163所示为牙侧有折叠缺陷,其法向深度为55μm,未超过牙高的1/4,且未延伸至中径以下。
←
图11-162断裂螺栓牙侧折叠缺陷
→
图11-163断裂螺栓牙侧折叠缺陷
硬度检测,断裂螺栓的表面及芯部硬度,试验结果为386HV0.3、375 HV0.3、符合《GB/T 3098.1-2010》320-380HV0.3标准规定。
采用直读光谱法对螺栓进行化学成分分析,结果符合《GB/T3077-1999》标准中对35CrMo钢的要求。
断裂螺栓金相组织、表面缺陷、表面及芯部硬度及非金属夹杂、化学成分等均符合技术要求;但该螺栓在螺纹处存在折叠缺陷。
chūn
rì
rú
gē
矿机35CrMo双头螺栓断裂的原因到底是什么呢???
欢迎大家在文章下方点击留言,发表自己的看法哦!
往期文章答案公布如下:
根据上期文章分析,可以得出如下结论与启示:
螺栓的断裂性质是高周疲劳断裂。
螺栓表面有脱碳、螺纹上存在折叠缺陷、芯部金相组织存在较多块状铁素体;在振动条件下螺栓松动并产生微裂纹,微裂纹在交变应力作用下疲劳扩展,最后疲劳断裂。
选材环节,由于45钢淬透性较差,一般不生产M12以上规格的8.8级螺栓,建议选用ML40Cr或ML35CrMo钢。
加强热处理过程控制,防止螺栓表面脱碳及改善金相组织。
加强螺纹成型的工艺控制,防止螺栓滚压螺纹时产生螺纹折叠。
设计环节,当螺栓服役工况有振动或交变载荷时,对于螺栓表面脱碳的要求不应局限于《GB/T 3098.1-2010》的简单要求,并在安装过程中采取有效的防松措施。
END
扫二维码|关注我们
微信号|1337855182
官网|www.chinazbj.com
期待你的
分享
点赞
在看

