点击蓝字 关注我们
安装在发电车上的8.8级螺栓, 规格为M20×55,材质为45钢,安装扭矩为265N·m,未采用防松措施。该车总共安装六枚螺栓,服役一段时间后发现三枚螺栓断裂。
11.14.1 试验过程与结果
故障螺栓的断口穿过相邻两螺纹牙底和牙顶,无塑性变形,外表面涂层完好,见图11-138。
图11-138 故障螺栓宏观形貌
断裂螺栓断面平坦,表面有轻微腐蚀及受外物磕碰造成的损伤,螺栓断面上部(黑色箭头所指处)有明显的疲劳条带,呈疲劳断口特征。白色箭头所指处的疲劳条带不太明显,根据疲劳条带分布及断口观察,疲劳裂纹起源处应位于螺栓边沿,红色箭头所指附近,见图11-139所示。
图11-139 试样断面宏观形貌
图11-140为螺栓断面宏观形貌,为方便分析将断面分为A、B、C三区域。
图11-140 断面宏观形貌
图11-141、图11-142所示分别为A区微观形貌,可见准解理特征及舌状花样,A区为疲劳源区。
图11-141 A区微观形貌 图11-142 A区微观形貌
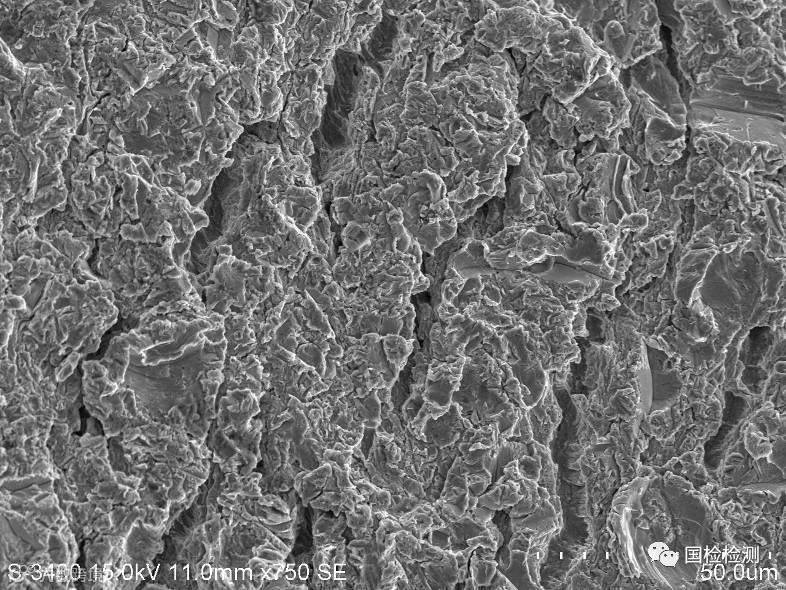
图11-143、图11-144所示为B区微观形貌,可见准解理特征及舌状花样。
图11-144可见明显的疲劳条带,呈现疲劳断裂特征,B区为疲劳裂纹扩展区。
图11-145为C区形貌,可见准解理特征及较多二次裂纹,为最终断裂区。
图11-144 断面B区微观形貌
图11-143 断面B区微观形貌
图11-145 断面C区微观形貌
对断裂螺栓进行牙底硬度梯度及芯部硬度试验,螺栓芯部硬度符合《GB/T 3098.1-2010》对8.8级螺栓的要求;牙底表面由于脱碳,硬度较低。试验结果牙底硬度梯度如图11-146、芯部硬度如图11-147。
图11-146 牙底硬度梯度
图11-147 芯部硬度
图11-148为送检螺栓芯部金相组织,为回火索氏体及大量块状铁素体,根据《GB/T 13320-2007 钢质锻模件 金相组织评级图及评定方法》规定评定回火索氏体级别为5级。图11-149所示为螺纹牙顶金相组织,牙顶存在半脱碳组织和折叠,牙顶折叠缺陷,深度约90μm,但未超过牙高的1/4。
图11-148 断裂螺栓芯部金相组织
图11-149 断裂螺栓牙顶金相组织
图11-150所示为螺纹牙侧金相组织可见牙侧存在半脱碳层,按照《GB/T 3098.1 - 2010紧固件机械性能 螺栓、螺钉和螺柱》9.10章节规定,采用硬度法检测螺纹脱碳层深度,结果表明螺纹未脱碳高度E值和全脱碳层深度G值符合标准规定。
图11-151所示为螺纹牙底金相组织,可见牙底呈圆弧过渡,存在轻微脱碳,无明显不连续性缺陷。
←
图11-150 断裂螺栓牙侧金相组织
→
图11-151 断裂螺栓牙底金相组织
失效螺栓非金属夹杂物检查,根据《GB-T 10561-2005 钢中非金属夹杂物含量的测定标准》满足技术要求。
采用直读光谱法对螺栓进行化学成分分析,其化学成分符合《GB/T 699-1999》标准中对45钢的要求。
断裂螺栓化学成分、表面不连续性、芯部硬度等均符合标准要求,断裂与材质无关。
欢迎大家在文章下方点击留言,发表自己的看法哦!
往期文章答案公布如下:
根据上期文章分析,可以得出如下结论与启示:
(1)螺栓的断裂性质是高周应力疲劳断裂。
(2)螺栓疲劳断裂根本原因是装配孔不同心,造成 螺栓受力复杂,防松措施不到位造成螺栓在服役过程中出现松动,综合因素使螺纹底部产生微裂纹,在交变载荷下微裂纹不断扩展,最终螺栓疲劳断裂。
(3)对于装配受剪螺栓一定要保证装配孔的同心度在要求范围内。
(4)对受交变载荷作用的螺栓要做好防松措施,防止在工作中产生松动。
点我查看全图
扫描二维码 | 关注我们
微信号 :13372307781
官网:www.chinazbj.com
求分享
求点赞
求在看


