点击蓝字
关注我们
钢铁材料不同热处理状态下的金相组织,其中一种组织采用两张图片者,其放大倍数分别为100倍(a)和500倍(b)。
工业纯铁经退火
说明:工业纯铁 退火状态 白色等轴多边形晶粒为铁素体,深色线为晶界
15碳钢的退火组织
说明:15钢 退火状态 铁素体+极少量珠光体
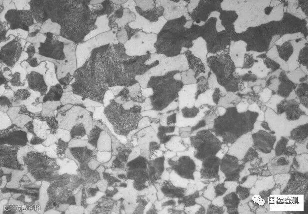
20碳钢退火组织
说明:20钢退火组织白色晶粒铁素体+深色块状珠光体(高倍可见层状结构)
45钢退火金相组织
说明:45钢退火状态 白色晶粒为铁素体,深色块状为珠光体
65钢退火金相组织
说明:65钢 退火状态 大部分的深色组织为珠光体,白色为铁素体。
T12钢退火后的金相组织
说明:T12 钢 退火状态 基体为珠光体,晶界白色网状物为二次渗碳体
T10钢球化退火金相组织
说明:T10钢 球化退火状态 基体为铁素体,球状颗粒为渗碳体
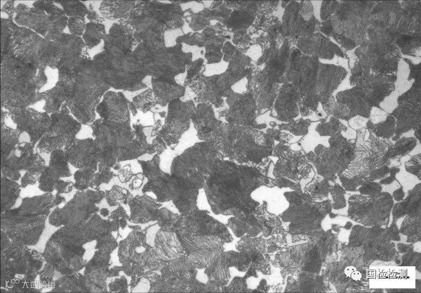
45钢锻造后退火金相组织
说明:45钢 锻造退火状态 白色块状铁素体和黑色块状珠光体,带状组织
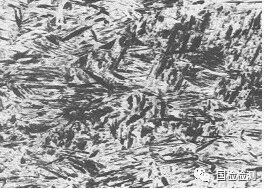
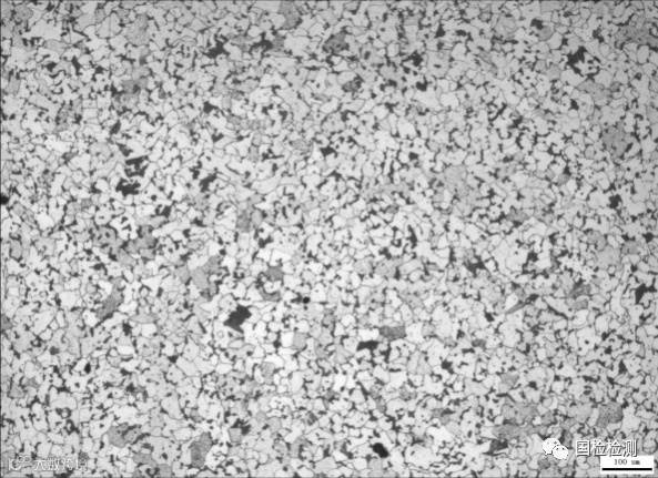
T8钢正火(退火)
说明:T8钢 正火状态 细珠光体,片层间距小。
20碳钢淬火组织
45钢淬火金相组织
说明:45钢 淬火状态 中碳马氏体组织 板条状马氏体、其板条形态退化+少量白色残余奥氏体
T12钢淬火金相组织
说明:T12钢 淬火状态 深色针状组织为片状马氏体、白色基体为残余奥氏体
T10高温淬火金相组织
说明:T10钢 高温淬火状态 粗大针状马氏体和白色块状残余奥氏体,初形成马氏体针贯穿奥氏体晶粒,浸蚀呈深色,后形成马氏体较短,颜色较浅
65Mn钢不同温度等温淬火
说明:65Mn钢上贝氏体等温淬火状态 羽毛状上贝氏体、基体为索氏体+淬火马氏体和残余奥氏体。
65Mn钢等温淬火金相组织
说明:65Mn钢 下贝氏体等温淬火状态 黑色针状为下贝氏体,白色基体为残余奥氏体和少量马氏体。
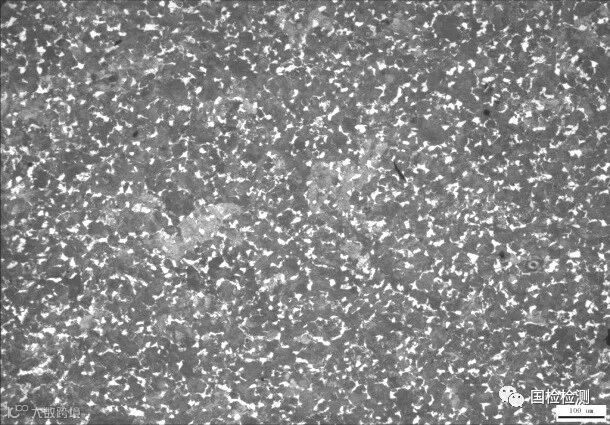
碳钢、合金钢淬火回火
说明:高速钢淬火回火状态 黑色回火马氏体基体+白色颗粒状碳化物。
Cr15钢淬火回火的金相组织
说明:GCr15钢 正常淬火回火状态 回火马氏体、未溶碳化物颗粒及残余奥氏体。黑色区是高温区形成的隐晶马氏体;白色区是低温区隐晶马氏体
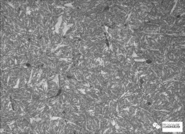
40Cr钢淬火低温回火的金相组织
说明:40Cr钢 淬火低温回火状态 形态退化的板条马氏体,晶粒粗大。
40Cr钢淬火高温回火的金相组织
40Cr钢淬火高温回火的金相组织
40Cr钢淬火高温回火的金相组织
以上是对于钢铁材料在不同热处理状态下金相组织的不同表现情况,希望通过本次介绍,大家能够对于不同钢材在进行热处理时,所表现出来的金相组织特征,有更加清晰的认识。
一起来为上周的文章
解开谜底吧!
试样力学性能、化学成分、芯部组织等未发现异常。断口形貌显示,大部分断面隐约可见边界圆滑的沿晶轮廓,小部分断面可见明显的沿晶形貌。断口附近金相组织显示,断裂起源于六角头内部,断面走势蜿蜒曲折并存在明显的二次裂纹,断裂形态不符合淬火裂纹特征,同时断裂源区二次裂纹内部可见明显的氧化层,说明此类裂纹曾经历高温阶段,因此判断裂纹在热处理工序前即已存在,应产生于头部镦制工序。由于螺栓六角头内部存在原始镦制裂纹,一方面裂纹割裂基体连续性,引起应力集中,另一方面裂纹的存在导致螺栓有效承载面积减小,因此安装过程中螺栓仅承受较小的预紧力作用即发生断裂。
螺栓头部金属流线显示,金属流线左右对称不良,且存在明显的弯曲现象,同时局部流线发生断裂,说明头部镦制工艺不良。断口附近纵截面可见较严重的硫化物与带状偏析,此类缺陷显著降低材料的综合性能,因此,引起螺栓头部镦制开裂的原因可能是镦制工艺不良以及原材料存在较严重的硫化物与带状偏析。
(1)断裂螺栓的失效模式为头部存在镦制裂纹引起的过载断裂;
(2)引起螺栓头部镦制开裂的原因可能是镦制工艺不良以及原材料存在较严重的硫化物与带状偏析;
(3)建议制造方加强原材料入厂、投料检查,改善头部镦制工艺。


