电气控制线路中信号指示灯一般有电源指示灯、停止状态指示灯、运行状态指示灯和故障状态指示灯等。
信号指示灯直观反映了电气设备的工作状态,通过观察信号指示灯可以一目了然地知道电气设备此时的工作状态。下面分别介绍这几种信号指示灯的接法。
一、电源信号指示灯
电源信号指示灯指示的是电源的有无及电源电压是否正常,电源信号指示灯需要和电源并联在一起才能反映电源的有无及电源电压是否正常,因此电源信号指示灯回路中除了电源、断路器、开关和熔断器外不接任何其它器件。
电源信号指示灯常用红色灯显示,根据指示灯的额定电压的不同,指示灯的一端接在断路器的下口,另一端接零线或者断路器下口的另一相线。当断路器合闸状态时指示灯亮,分闸状态时指示灯灭。
1、单相电源信号指示灯的接法
单相电源信号指示灯的接法比较简单,指示灯的一端接在断路器的下口,另一端接零线。
2、三相电源信号指示灯的接法
常见的三相电源信号指示灯用两个或三个指示灯来显示,其接法可以有三种:
(1)三相电源分别与零线组成独立的指示灯回路,每相的接法和单相电源信号指示灯一样,指示灯的额定电压为220V,如下图,某相电源缺相时对应的指示灯将不亮;

(2)三相V形接法。如下图,指示灯的额定电压为380V,这种接法应用较多,但L2缺相时两个指示灯的亮度将变暗;

(3)三相三角形接法。如下图,指示灯的额定电压为380V,这种接法任一相缺相时,都会导致两个指示灯的亮度变暗。

二、运行信号指示灯
运行信号指示灯反映的是设备的运行状态,因此运行指示灯要和运行的设备并联在一起,运行指示灯一般用绿色显示。指示灯的并联可以分成两类,一类是直接并联,一类是间接并联。
1、直接并联
指示灯直接和设备(负载)并联,直接体现设备的工作状态,如下图电热水器电路图,指示灯HL1直接和负载RT1并联:

2、间接并联
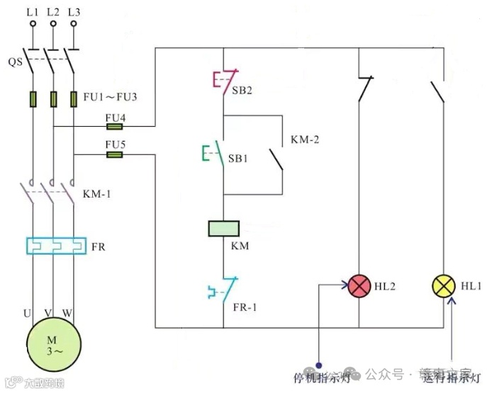
利用控制器件如接触器的辅助触点间接地反映设备的工作状态。指示灯一端接在接触器辅助常开触点,另一端接零或接另一相线,当接触器吸合时其辅助常开触点闭合,指示灯回路接通,灯亮,当接触器没有吸合时,灯回路断开,灯灭,如下图运行指示灯HL1。

三、停止信号指示灯
停止信号指示灯反映设备处于停机状态,一般也用红色显示,指示灯一端接在接触器的辅助常闭触点,另一端接零或接另一相线,当接触器吸合设备运行时其辅助常闭触点断开,指示灯回路断开,灯不亮,当接触器没有吸合设备停机时,其辅助常闭触点导通,灯回路接通,灯亮,如上图停止指示灯HL2。
四、故障信号指示灯
故障信号指示灯反映设备出现了故障,一般也用黄色显示,指示灯需要和反映设备故障的元件比如热继电器相连,指示灯一端接在热继电器的常开触点,另一端接零或接另一相线,当设备发生故障时热继电器动作,其常开触点闭合,故障指示灯回路接通,灯亮,当设备没有故障时,热继电器不动作,灯回路不导通,灯不亮,如下图故障指示灯。

免责声明:本文来自网络,版权归原作者所有,如涉及版权问题,请及时与我们联系删除,谢谢



