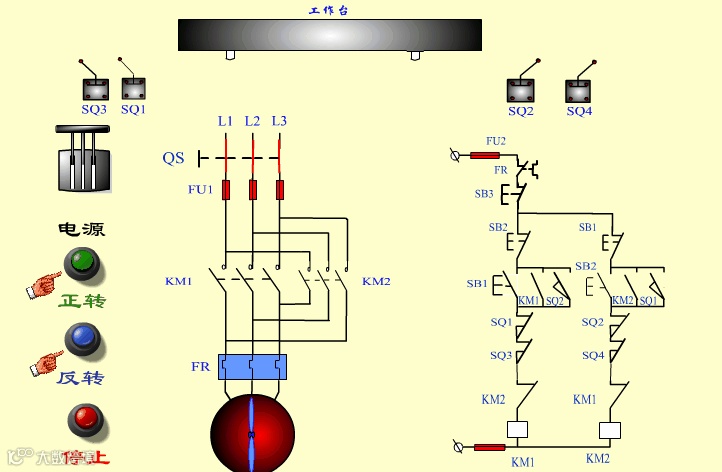
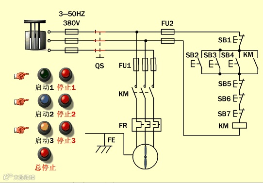
PLC控制系统,Programmable Logic Controller,可编程逻辑控制器,专为工业生产设计的一种数字运算操作的电子装置,它采用一类可编程的存储器,用于其内部存储程序,执行逻辑运算,顺序控制,定时,计数与算术操作等面向用户的指令,并通过数字或模拟式输入/输出控制各种类型的机械或生产过程,是工业控制的核心部分。
自二十世纪六十年代美国推出可编程逻辑控制器(Programmable Logic Controller,PLC)取代传统继电器控制装置以来,PLC得到了快速发展,在世界各地得到了广泛应用。同时,PLC的功能也不断完善。随着计算机技术、信号处理技术、控制技术网络技术的不断发展和用户需求的不断提高,PLC在开关量处理的基础上增加了模拟量处理和运动控制等功能。今天的PLC不再局限于逻辑控制,在运动控制、过程控制等领域也发挥着十分重要的作用。来学习一下这些动图吧!
100个PLC和传感器的工作原理动图
电工电气知识库 2024-02-13 18:30
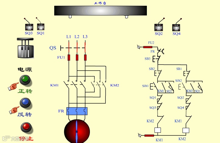
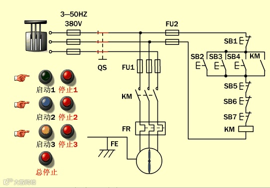
PLC控制系统,Programmable Logic Controller,可编程逻辑控制器,专为工业生产设计的一种数字运算操作的电子装置,它采用一类可编程的存储器,用于其内部存储程序,执行逻辑运算,顺序控制,定时,计数与算术操作等面向用户的指令,并通过数字或模拟式输入/输出控制各种类型的机械或生产过程,是工业控制的核心部分。
自二十世纪六十年代美国推出可编程逻辑控制器(Programmable Logic Controller,PLC)取代传统继电器控制装置以来,PLC得到了快速发展,在世界各地得到了广泛应用。同时,PLC的功能也不断完善。随着计算机技术、信号处理技术、控制技术网络技术的不断发展和用户需求的不断提高,PLC在开关量处理的基础上增加了模拟量处理和运动控制等功能。今天的PLC不再局限于逻辑控制,在运动控制、过程控制等领域也发挥着十分重要的作用。来学习一下这些动图吧!
免责声明:本文来自网络,版权归原作者所有,如涉及版权问题,请及时与我们联系删除,谢谢


