
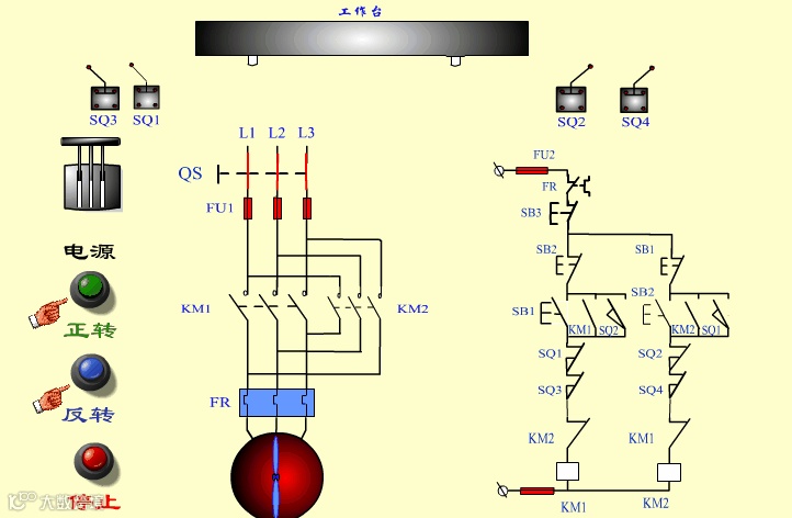
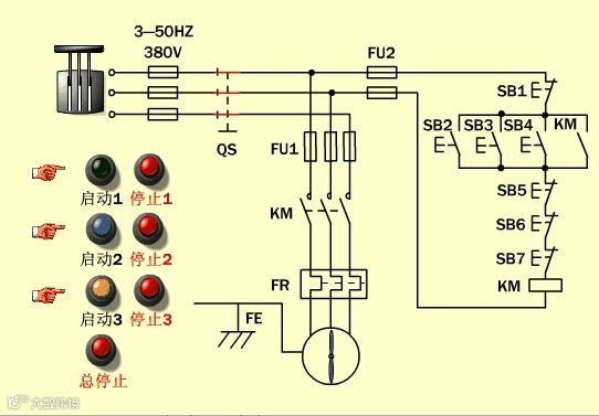
1、电路的作用与组成 ▼
双动往复泵主要由泵缸、活塞、活塞杆、吸入阀、排出阀等部件构成。与单动往复泵不同的是,它的活塞两侧都能起到吸液和排液的作用。在工作时,当活塞向右移动,泵缸左侧空间增大,压力降低,吸入阀打开,液体被吸入左侧空间;与此同时,泵缸右侧空间减小,压力升高,排出阀打开,右侧空间内的液体被排出。而当活塞向左移动时,情况则相反,右侧变为吸入过程,左侧变为排出过程,如此循环往复,实现连续的吸液和排液操作,能较为高效地输送液体。
蒸汽喷射泵主要由喷嘴、吸入室、混合室以及扩压室等几个关键部分组成。工作时,具有较高压力的蒸汽首先进入喷嘴,在喷嘴处,蒸汽的压力能会转化为高速的动能,使蒸汽以极高的速度从喷嘴喷射而出,形成一股高速射流。这股射流在吸入室内会造成局部低压区域,依据流体力学原理,外界的气体或需要被抽吸的流体在压力差的作用下,会被源源不断地吸入到吸入室中,并与高速蒸汽射流在混合室进行充分混合。混合后的流体在经过扩压室时,速度逐渐降低,而动能又会重新转化为压力能,使得混合流体的压力升高到一定程度后排出,从而完成抽吸和输送的过程。
当叶轮旋转时,叶轮内的液体由于离心力的作用被甩向叶轮边缘,进入泵体的环形流道中。同时,在叶轮中心处会形成低压区,使得外部的液体能够不断被吸入叶轮内。进入环形流道的液体在跟随叶轮旋转的过程中,会与从叶轮中心新吸入的液体产生强烈的旋涡运动,依靠这种旋涡的力量,液体在流道内不断地被加速、增压,最终沿着泵体的出口排出。整个过程中,液体的能量不断得到提升,实现了从低压吸入到高压排出的输送目的。
当电机启动并带动叶轮旋转时,叶轮上的叶片会对进入泵体的液体产生轴向的推力,使液体顺着叶轮旋转的轴向方向流动。由于叶轮的持续旋转,不断地给液体施加动力,液体就会沿着管道式的泵体流道持续向前推进,从进水管被吸入泵内,然后在叶轮的作用下,以较高的速度从出水管排出,从而实现液体的输送过程。这种轴向的流动方式区别于离心泵等其他类型泵的离心式流动,是轴流管道泵的显著特点。
在启动前,先通过水环形成装置向泵体内注入一定量的水,当叶轮在电机驱动下开始旋转时,由于离心力的作用,水会被甩向泵体的内壁,从而形成一个与泵体内壁贴合、形状近似于圆筒的水环。随着叶轮的持续旋转,水环内的各部分会在叶轮叶片的带动下做相对运动,使得水环与叶轮之间形成了多个大小不等的、周期性变化的腔室。当这些腔室在旋转过程中逐渐扩大时,其内部压力降低,在压力差的作用下,外界的气体就会通过吸气口被吸入到这些低压腔室中;而随着叶轮继续旋转,这些腔室又会逐渐缩小,气体被压缩,当压力升高到超过排气口处的外部压力时,气体就会从排气口排出,如此循环往复,实现了持续的抽气过程,从而达到降低系统内气压、营造真空环境的目的。
回旋粒子加速器

串联电路中,电流只有一条路径,开关控制电路中所有的用电器
几个用电器互相串联时,如果一个用电器发生短路,则这个用电器停止工作,但其他用电器能继续工作
并联电路中,电流有多条路径,干路开关控制电路中所有的用电器,支路开关控制所在支路用电器,各支路用电器能独立工作,互不影响。
并联电路短路:并联电路中,只要有一条支路发生短路,会引起其他支路的短路,所有支路的用电器都不能工作
若把电池的正负极对调,灯泡仍可发光,但电流的方向与之前相反
油量表由电流表改装而成,R为滑动变阻器,R'是保护电路的定值电阻
接AC和接AD的效果相同,红色部分为接入电路的电阻
接BC和接BD的效果相同,红色部分为接入电路的电阻
免责声明:本文来自网络,版权归原作者所有,如涉及版权问题,请及时与我们联系删除,谢谢