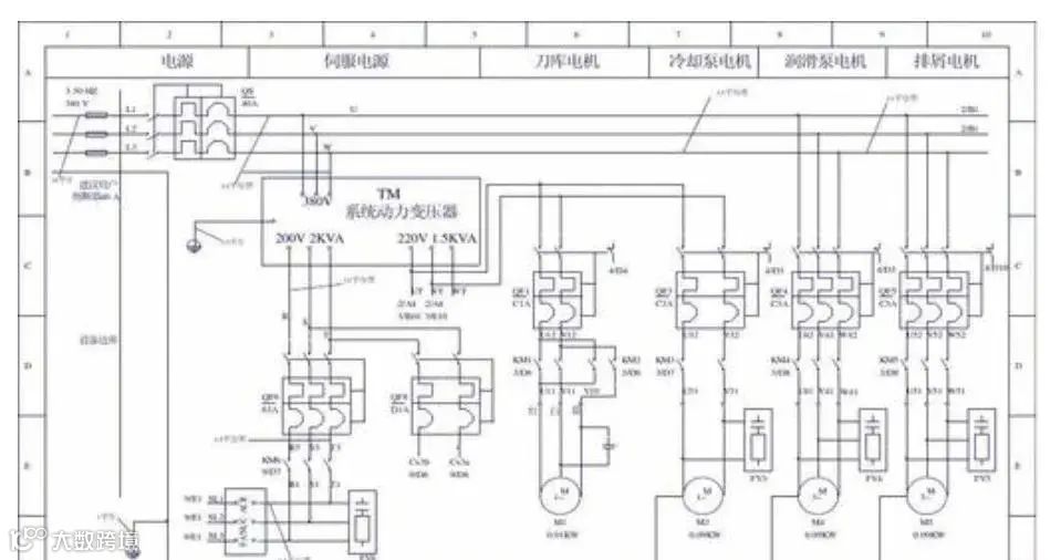
要想看电气原理图要先清楚其中的电气原理及其符号所表示的含义。看原理图先看主电路,再看控制电路。
对于控制电路要熟悉典型控制电路。控制电路控制电路一般是由开关、按钮、信号指示、接触器、继电器的线圈和各种辅助触点构成,无论简单或复杂的控制电路,一般均是由各种典型电路(如延时电路、联锁电路、顺控电路等)组合而成,用以控制主电路中受控设备的“起动”、“运行”、“停止”使主电路中的设备按设计工艺的要求正常工作。
对于复杂的控制电路,分割成若干个局部控制电路,然后与典型电路相对照,逐步分析。
各种电气原理图都是由各种不同的电路,如主电路,辅助电路以及各种电气设备图形符号和文字组成的。图中的每个图形符号,文字符号都有着不同的含义,必须在看图前加以了解和掌握。
电气原理图一般分为主回路和辅助回路两大部分。辅助回路的是要作用就是控制主回路,而主回路中一般通过大电流,所以它主要是用来控制回路中大功率或主要用电设备。
主电路是供给某些电气设备电源的,它受辅助电路的控制,而辅助电路是供给控制电器电源用的,也是控制主电路动作的电路。图中每个图形和符号都标志着各种电气设备,组件的名称和作用,掌握了图中的设备和组件的名称及作用后,便可看图了。
通常,在熟记电气图形符号的基础上就可以阅读电气原理图。看图时,首先看主回路,其次看辅助回路,最后看照明、信号、保护等回路。
看主回路的步骤:
①、看这个主回路是为什么用电设备服务的 (如电动机、电炉等),它们的用途和工作特点。
例如:电动机的起动方式,有无正、反转,调速和制动等要求。
②、看主回路中的用电设备是用什么电器控制的;
③、看主回路中其它的电器,并且了解它们起什么作用。图中QS是电源开关,用以控制电源;FU是熔断器,作为短路保护装置。FR是热继电器,作为过载保护装置。
④、看电源,要了解主回路的电源电压是380伏还是220伏。
看辅助回路的步骤:
①、看电源。首先要看清电源是什么电源,是直流的还是交流的,其次要看清电源是从何处接来,电压有多大。通常,从主回路的两根相线上接来的电源,其电压为 380伏,从主回路的一根相线和一根零线上接来的电源,其电压为220伏。
此外,从变压器上接来的电源电压有127伏、36伏、24伏或6.3伏等几种。在图中,辅助回路的电源线从主回路的两根相线上接来,其电压为380伏。
②、根据辅助回路的回路研究主回路的动作情况。在回路图中,辅助回路不要胡子眉毛一把抓,先从小的回路看起,把每一个小回路的功能了解清楚。最后,再来看大的回路,你会发现之前稀里糊涂的原理你已经知道大半,剩下的就是把它们的功能组合起来,并了解其中制约的关系。
在图片中,辅助回路只有一条回路。按下起动按钮,接通断开的回路,电流进入接触器的线圈KM,主回路中的主触头闭合,于是电动机通电运转。按下停止按钮,回路断开,KM断电,接触器释放,主触头断开,于是电动机被断电而停止。这就是开关(或按钮)—接触器(或继电器)—电动机的控制方式,这也是"起保停"的基本形式。
③、研究电器之间的相互联系,回路中的所有电器都是相互联系、相互制约的。有时用甲电器去控制乙电器,甚至用乙电器再去控制丙电器,在阅读回路图时应仔细査明它们之间的相互联系。
看其他回路。其他回路是指照明、信号、保护等回路,这些回路-般比较简单,只要看清它们的线路走向、回路的来龙去脉即可。
通常,每一用电设备都有不同的电气控制回路,但任一控制回路都是由一些单元线路(即基本环节)组成的。
因此,阅图时,可以逐步分析各个基本环节,然后再综合起来,全面分析。如果回路比较复杂,可以先看简单的部分,后看复杂的部分。

