
三相异步电动机在刚启动时,流过电子绕组的电流很大,为额定电流的4-7倍。对于容量大的电动机,若采用普通的全压启动方式,会出现启动时电流过大而使供电电源电压下降很多的现象,这样可能会影响采用同一供电电源的其他设备的正常工作。
解决上述问题的方法及时对三相异步电动机进行降压启动,待电动机运转以后再提供全压。一般规定,供电电源容量在180kV.A以上,电动机容量在7kW以下的三相异步电动机可采用直接全压启动,超出这个范围需采用降压启动方式。另外,由于降压启动时流入电动机的电流较小,电动机产生的力矩小,因此降压启动需要在轻载或空载时进行。
降压启动控制线路种类很多,下面仅介绍较常见的星型-三角型(Y-△)降压启动控制电路。
1、星型-三角型降压启动的接线方式
三相异步电动机接线盒有U1、U2、V1、V2、W1、W2工6个接线端,如图1所示。当U2、V2、W2三端连接在一起时,内部绕组就构成了星型连接,如图2所示;当U1、W2、U2和V1、V1、W2两两连接在一起时,内部绕组就构成了三角型连接,如图3所示。若三相电源任意两相之间的电压是380V,当电动机绕组接成星型时,每个绕组上的实际电压值为 380/
=220V;
当电动机绕组接成三角型时,每个绕组上的电压值为380V。由于绕组接成星形时电压降低,相应流过绕组的电流也减小(约为三角型接法的1/3)。
图2
星型-三角型降压启动控制电路就是在启动时将电动机的绕组接成星型,启动后再将绕组接成三角型,容电动机全压运行。当电动机绕组接成星型时,绕组上的电压低、流过的电流小,因而产生的力矩也小,所以星型-三角型降压启动只适用于轻载或空载启动。
2、星型-三角型降压启动电路
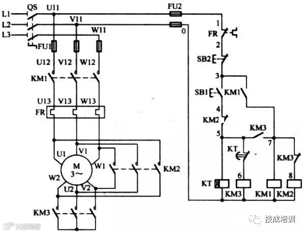
星型-三角型降压启动电路如图4所示,该电路采用时间继电器来自动控制切换。星型-三角型降压启动电路工作原理分析如下:
图4、星型-三角型降压启动电路
图5、星型-三角型降压启动电路元件实物连线图
①闭合电源开关QS
②星形降压启动控制
按下启动按钮SB1→接触器KM3线圈和时间继电器KT线圈均得电→KM3主触点闭合、KM3常开辅助触点闭合、KM3常闭辅助触点断开→KM3主触点闭合,将电动机绕组接成星型;KM3常闭辅助触点断开使KM2线圈的供电切断;KM3常开辅助触点闭合使KM1线圈得电→KM1线圈得电使KM1常开辅助触点和主触点均闭合→KM1常开辅助触点闭合使KM1线圈在SB1断开后继续得电;KM1主触点闭合使电动机U1、V1、W1端得电,电动机星型启动。
③三角型正常运行控制
时间继电器KT线圈得电一段时间后,其延时常闭触点断开→KM3线圈失电→KM3主触点断开、KM3常开辅助触点断开、KM3常闭辅助触点闭合→KM3主触点断开,取消电动机绕组的星型连接;KM3常闭辅助触点闭合,使KM2线圈得电→KM2线圈得电使KM2常闭辅助触点断开、KM2主触点均闭合→KM2常闭辅助触点断开,使KT线圈失电;KM2主触点闭合,将电动机绕组接成三角型方式,电动机以三角型连接正常运行。
④停止控制
按下停止按钮SB2→KM1、KM2、KM3线圈均失电→KM1、KM2、KM3主触点均断开→电动机因供电被切断而停转。
⑤断开电源开关QS
【提示】现场在连接电缆时,务必将电动机接线盒内各端子上的短接片取掉!
星型-三角型启动电路时电工必须掌握的电路,仪表工在现场维护时也经常碰到,所以仪表工业必须熟悉和掌握该电路的原理、接线和故障处理,多一门技能对大家工作百利而无一害。
END

来源:网络

