在电力控制系统中,电工技术的高低往往决定了系统的稳定性和安全性。对于电工来说,理解和掌握各种电路图是他们必备的技能。本文将介绍四种基本的电路图,它们在电力控制系统中非常常见,对新老电工都有很高的参考价值。
1.起保停电路
起保停电路是最简单的启动保护停止电路。它由一个启动按钮、一个停止按钮和一个保护继电器组成。通过继电器的吸合和释放,实现对电路的启动、停止和保护功能。这个电路图是每个电工必须掌握的基本技能,也是新手上路必修图。

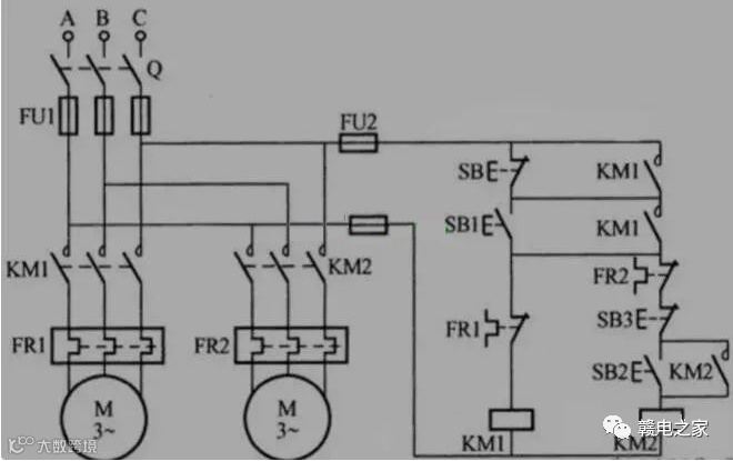
2.正反转电路图
正反转电路图用于控制电动机的正反转。它由两个接触器、一个正转按钮和一个反转按钮组成。通过接触器的吸合和释放,实现对电动机正反转的控制。在这个电路图中,还需要加入互锁电路,以确保正反转不会同时发生,避免发生安全事故。

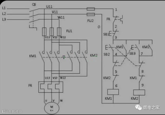
3.顺起逆停电路图
顺起逆停电路图是一种顺序启动、反序停止的电路图。它由两个接触器、一个启动按钮和一个停止按钮组成。通过接触器的吸合和释放,实现对电动机顺序启动和反序停止的控制。在这个电路图中,还可以加入一个互锁电路,以确保启动和停止不会同时发生。

4.星三降压启动
星三降压启动是一种常见的降压启动方式,适用于一些较大功率的电动机。它由三个接触器、一个星形接触器和一个小型继电器组成。通过接触器的吸合和释放,实现对电动机星形接法的控制,从而达到降压启动的效果。这个电路图对于初学者来说可能比较复杂,但是它是电工必须掌握的基本技能之一。


以上四种电路图是电力控制系统中非常基本的电路图,对于电工来说非常重要。无论是新手上路还是老电工,都需要对这些电路图有深入的理解和掌握。在实际操作中,还需要根据实际情况进行修改和完善,以确保电力控制系统的稳定性和安全性。
免责声明:本文来自网络,版权归原作者所有,如涉及版权问题,请及时与我们联系删除,谢谢



