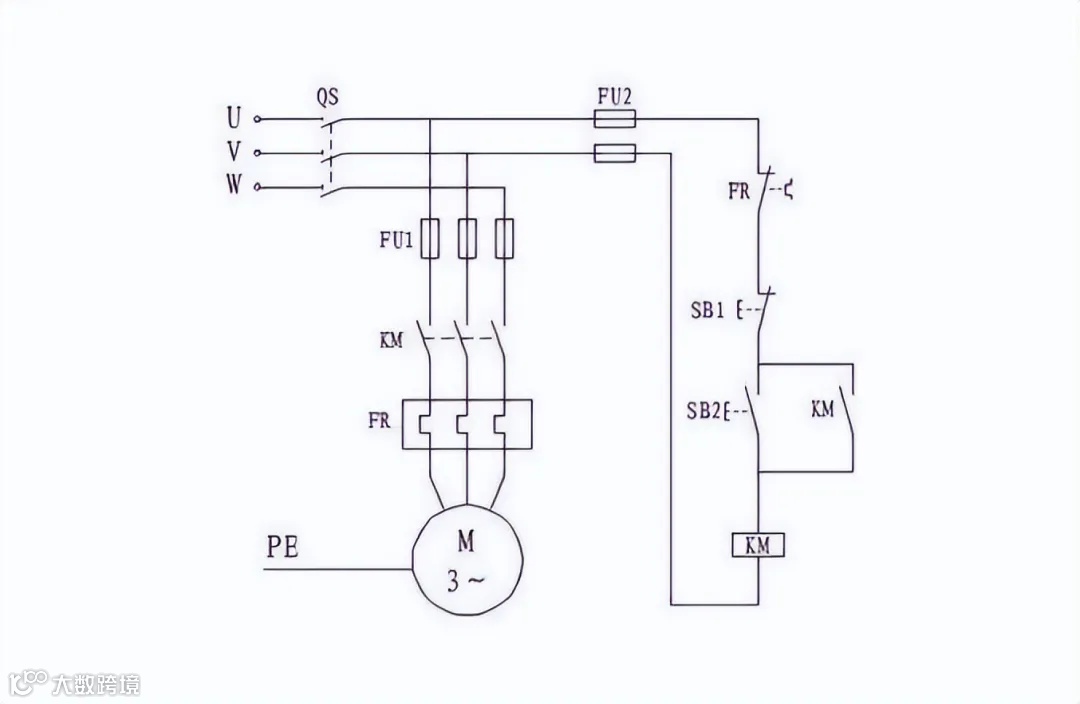
应聘电工,免不了要面试。电气主管往往为了考察你的电工基本知识,会
这三张图,是很多电工主管面试电工最喜欢考的:



会画这三张图,还能讲明白它的控制过程,恭喜你,工作有望了!
免责声明:本文来自网络,版权归原作者所有,如涉及版权问题,请及时与我们联系删除,谢谢

赣电之家
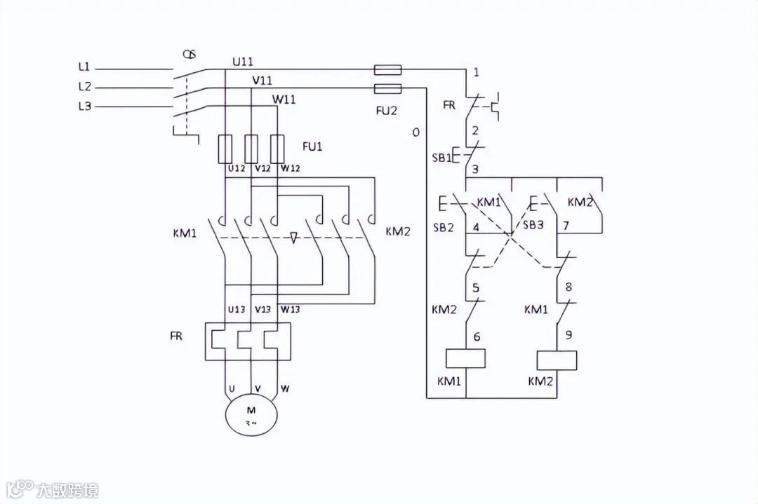
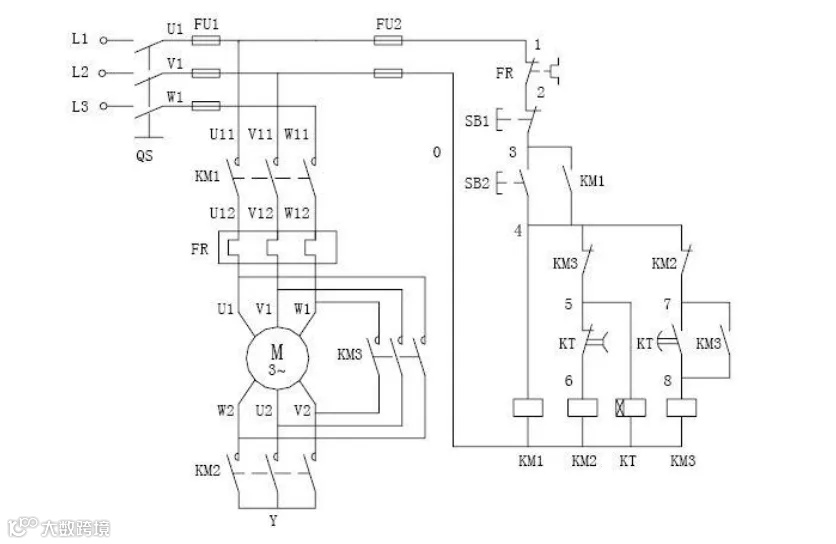
应聘电工,免不了要面试。电气主管往往为了考察你的电工基本知识,会
这三张图,是很多电工主管面试电工最喜欢考的:



会画这三张图,还能讲明白它的控制过程,恭喜你,工作有望了!
免责声明:本文来自网络,版权归原作者所有,如涉及版权问题,请及时与我们联系删除,谢谢
