万能转换开关主要用于额定工作电压AC380V/50Hz、额定电流至160A及DC220V及以下的各种电气控制线路的转换、电压表、电流表的换相测量控制、配电装置线路转换和遥控等。万能转换开关还可以用于直接控制小容量电动机的起动、调速和换向。
万能转换开关分类
国内现有的LW2、LW4、LW5、LW6、LW8、LW12、LW15、LW16、LW26、LW30、LW39、CA10、HZ5、HZ10、HZ12等各类开关以及进口设备上的万能转换开关,使用广泛。万能转换开关有挂锁型开关和暗锁型开关(63A及以下),可用作重要设备的电源切断开关,防止误操作以及控制非授权人员的操作。昌晖仪表提示最常用万能转换开关有LW5、LW6和LW12系列。
1、LW5-16系列万能转换开关按用途分有主令控制和控制5.5kW及以下的小容量电动机用两种;LW5-16系列万能转换开关按操作方式分定位型和子复位型两种;LW5-16系列万能转换开关按操作器外形分有旋钮式和球形捏手式两种。
2、LW5-16系列主令控制用万能转换开关选型
LW5-16①②/③
①特征代号(见上表)
[A]:(见上表)
②操作图编号
③接触系统节数
[数字]:数位1-16(有1-16节)
3、LW5-16系列直接控制电动机用万能转换开关选型
LW5-16 5.5①/②
①用途代码
[Q1:直接启动
[N]:可逆转换
[S]:双速电动机变速
[SN]:双速电动机变速、逆转
②接触系统节数
[数字]:数位1-16(有1-16节)
4、LW5-16系列万能转换开关外形和安装尺寸

LW6系列万能转换开关
LW6系列万能转换开关主要适用于交流50Hz,额定工作电压至380V,直流电压至220V的机床控制电路中,实现各种线路的控制和转换,也可用于其它场合控制线路的转换,例如电磁线圈,电气测量仪表和伺服电动机等。

1、LW6系列万能转换开关外形和安装尺寸

2、LW6系列万能转换开关选型
LW6-①②/③
①触头座数(见表2)
②特征代码(见表3)
③操作图编号
表2 LW6万能开关触头座数

表3 操作特征代

LW12-16系列万能转换开关
LW12-16系列万能转换开关主要用于交流50Hz、额定工作电压380V及以下,直流电压220V及以下的电路中转换电气控制线路和电气测量仪表,也可直接控制5.5KW及以下的三相鼠笼型异步电动机。 
1、LW12-16系列万能转换开关按用途分有主令控制用转换开关和直接控制电动机用转换开关;LW12-16转换开关按操作方式分有定位型、自复型、定位自复型和定位自复带闭锁半装置型;LW12-16转换开关按接触系统分主令控制和控制5.5kW及以下的小容量电动机用两种。主令控制用万能转换开关有1-12节、共12种;直接控制电动机用转换开关主要有2节、3节、4节和6节,共4种;LW12-16万能转换开关按操作方式分有30°、45°和90°四种。
2、 LW12-16系列万能转换开关外形和安装尺寸
3、LW12-16系列主令控制用万能转换开关选型
LW12-16①.②/③④
①特征代码
②操作图编号
③接触系统节数
④热带产品代号(TH或TA)
4、LW12-16系列直接控制电动机用万能转换开关选型
LW12-16/5.5①.②
①用途代码
[Q1]:直接启动
[Q2]:直接启动
[N]:可逆转换
[S]:双速电动机变速
[SN]:双速电动机变速、逆转
②接触系统节数(有1-16节)
万能转换开关特点
万能转换开关具有体积小、功能多、结构紧凑、选材讲究、绝缘良好、转换操作灵活、安全可靠的特点。
万能转换开关构成
万能转换开关由多组操作机构、定位装置、触点、接触系统、转轴、手柄等部件组件叠装而成。
万能转换开关触点在绝缘基座内,为双断点触头桥式结构,动触点设计成自动调整式以保证通断时的同步性,静触点装在触点座内。使用时依靠凸轮和支架进行操作,控制触点的闭合和断开。
万能转换开关使用条件
1、周围空气温度不超过40℃,且24小时内平均温度不超过35℃。
2、周围空气温度下限不超过-5℃,低温会出现产品结露现象,会改变绝缘。
3、最高温度40℃时,空气的相对湿度不超过50%,在温度较低的时候可以允许有较高的相对湿度,例如20℃时达90%。对于温度变化偶尔产生的凝露应采取特殊的措施。
4、周围环境应该空气清洁、无易燃及可燃危险物、无足以损坏绝缘及金属的气体、无导电尘埃。
万能转换开关操作
万能转换开关用手柄带动转轴和凸轮推动触头接通或断开。由于万能转换开关凸轮的形状不同,当手柄处在不同位置时,触头的吻合情况不同,从而达到转换电路的目的。
万能转换开关的手柄操作位置是以角度表示的,不同型号的万能转换开关有不同触点。
万能开关应用实例
1、相电压换相开关接线及触点位置
采用LW5-15/YH1型换相开关,其接线如下图所示,触点位置见表

2、线电压换相开关接线及触点位置
①采用LW5-15/YH2型换相开关,其接线如下图所示,触点位置见表

②采用LW5-15/YH3型换相开关,其接线如下图所示,触点位置见表

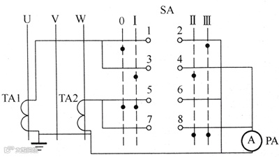
3、电流换相开关接线及触点位置
①采用LW5-15/LH1型换相开关,其接线如下图所示,触点位置见表。由于内部结构的缘故,电流换相开关在换相过程中不会开路。


②采用LW5-15/LH2型换相开关,其接线如下图所示,触点位置见表。由于内部结构的缘故,电流换相开关在换相过程中不会开路。

常用万能转换开关图片
LW5-16万能转换开关
LW5-16万能转换开关
LW5-16万能转换开关
LW6转换开关(带锁)
LW6万能转换开关
LW8万能转换开关
LW8万能转换开关
LW12-16(带标记框)
LW12-16带锁转换开关
LW12-16(带指示灯转换开关)
LW12-16自复位转换开关
LW12-16定位型转换开关
LW15-16定位型转换开关
LW15-16转换开关
LW28底座安装转换开关
LW28系列大电流转换开关
LW29-16A转换开关
LW29-16A转换开关
免责声明:本文来自网络,版权归原作者所有,如涉及版权问题,请及时与我们联系删除,谢谢



