
名词通俗解释
电压并列:对于单母线分段接线,当I段母线PT停运,而该母线的线路继续工作,需要计量和保护的二次电压,则投入电压并列装置,将II段母线的二次电压提供给I段母线上的保护和计量装置(前提是一次处于并列状态)。
对于双母线接线,同样的,当#1母线上的PT停运,也可以通过电压并列将#2母线PT的二次电压提供给#1母线上的线路的保护与计量装置。
电压切换:双母接线时,#1、#2母线分列运行。某条线路运行在哪条母线上,二次就相应使用哪条母线PT的电压。当运行人员对一次隔离开关进行切换时,二次电压也要能自动切换。
电压并列回路
01
原理
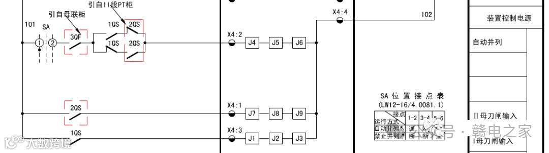
以10kV单母分段为例,下图为一次主接线图。

下面分析某型号电压并列装置的10kV电压并列回路。


当两段母线分列运行时,分段断路器3QF处于断开位置,一次分列运行,二次也是分列运行的;
若I母PT需要停运,I母上的线路仍需继续正常运行,我们可以将分段断路器3QF合上,使一次处于并列运行状态,此时将电压并列把手打到并列位置,自动并列回路中的J4、J5、J6继电器带电,其中J4、J5常开接点闭合,两段母线的二次电压在电压并列装置内完成并列,此时10kV高压室屏顶小母线上的电压(保护、计量)均为II母PT的二次电压。
02
并列与解列逻辑
通过自动并列回路可以看出,当#1PT和#2PT两者中仅有一台PT处于工作位置,另一台PT处于非工作位置,自动并列回路才具备导通的必要条件。当两台PT同时处于工作位置时,自动并列回路是断开的,无法完成电压并列。
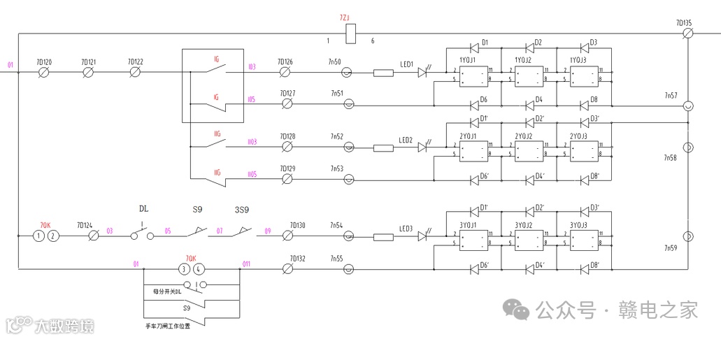
我们再来看另一个电压并列回路:

若需要完成并列逻辑,则需将采集的分段开关位置(DL)、分段手车刀闸位置(S9)、分段隔离手车刀闸位置(3S9)的常开接点进行串接后,再接入电压并列装置,当以上三者同时闭合的情况下,方才允许并列。
若此时将并列把手(7QK)至于并列位置,1-2接点导通,并列继电器3YQJ1、3YQJ2、3YQJ3得电,对应接点闭合完成两段母线并列。
若需要完成解列,则需要将分段开关位置(DL)、分段手车刀闸位置(S9)、分段隔离手车刀闸位置(3S9)的另一副常闭接点,以及并列把手(7QK)的解列接点3-4进行并接,当任意一对接点闭合,即完成解列。
对于单母线分段接线方式来说,电压并列则需要I母、II母的分段开关及两侧刀闸必须处于合闸状态。
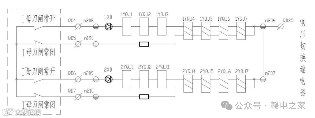
电压切换回路
以CZX-12R操作箱电压切换回路为例:


02
双位置继电器

免责声明:本文来自网络,版权归原作者所有,如涉及版权问题,请及时与我们联系删除,谢谢



