大数跨境

开关柜二次控制原理图与接线培训手册

开关柜二次控制原理图与接线培训手册 赣电之家
2026-01-25
1
开关柜二次控制原理与接线
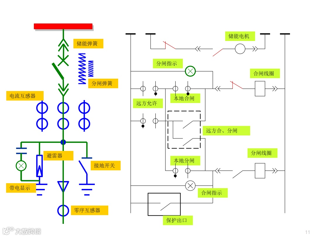
一、高压二次原理图分类
二、原理图回路功能块划分
三、常用控制功能原理
四、综保的控制原理
五、元件标识及连线

高压二次原理图分类:

电源进线
PT及避雷器 
母线联络隔离手车
出线(馈线)
变压器出线 
电动机出线
发电机出口  
电容器出线


原理图回路功能块划分:

1采样回路

2、控制回路

3、辅助回路

4、信号接口回路

5、原件清单BOM

6、端子排

7、小母线

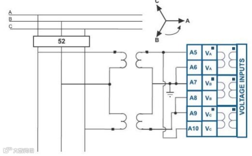
测量电流




保护电流、零序电流



相电压



线电压



电压互感器PTV-V接法



电压互感器PTY-Y接法


图片
图片
图片
图片
图片
图片
图片
图片
图片
图片
图片
图片
图片
图片

【声明】内容源于网络
0
0
赣电之家
江西赣兴电力工程服务有限公司于2010年11月成立,我公司主要承接35KV及以下电力承装、修、(试)服务、电力物资销售、光伏发电项目、太阳能路灯产品、城市及道路照明工程及生产销售为一体的综合性有限公司,竭诚为广大客户提供最优质的产品及服务!
内容 0
粉丝 0
赣电之家 江西赣兴电力工程服务有限公司于2010年11月成立,我公司主要承接35KV及以下电力承装、修、(试)服务、电力物资销售、光伏发电项目、太阳能路灯产品、城市及道路照明工程及生产销售为一体的综合性有限公司,竭诚为广大客户提供最优质的产品及服务!
总阅读0
粉丝0
内容0