悬挑架空,是一种突破建筑的结构美,随着科技与技术的日新月异,悬挑架空的尺度也越来越大,表现形式也越来越丰富,为建筑带来了更强的力量感、力量美,它的美刚劲有力,又惊心动魄。

1
外形丰富、动态立体
视觉震撼,抓人眼球
悬挑架空所形成的空间界面的变化,来塑造和增强视觉空间向前,向斜上,起伏的动势感,使建筑变得轻巧、灵活、流畅,甚至给人以飘然失重感,创造出动静相生的效果。

体块生成分析图
实景图
成都金科博翠湾大尺度的造型悬挑与首层形成错动的形体变化,使二层体量形成向街角延伸漂浮感,削弱空间的局限性,更显建筑张力。

实景图
悬浮形态

双层幕墙分析
浙江保利银杏小镇售楼处,通过“悬挑”、“悬浮”、“极简”的设计理念,使用空间桁架梁式的钢结构形式,利用超细斜撑结构促成超级悬挑结构,创造售楼处主体建筑飘逸而通透的建筑形式。
售楼处体块生成示意图
重庆江山雲出·人居艺术馆亦创造了一个18米长的悬挑观景台。

方案生成
2
享更广阔的景观视野
惠州旭辉 · 华宇东江公元展示中心,为了追求更好的视野,建筑尽量离开地面,示范区的设计便从东江取景展开。


通过对不同高程的视线分析,当视点位于10m以上时,方能越过丛林一览东江



立面节点详图
广州南沙横沥岛·旭辉曜玥湾位置独占长达3公里的海岸线,独享三重立体景色。蓝色江海、附近森林公园绿意盎然,还有繁华都市浮光跃金。

场地分析图
设计之初,希望售楼处不再是一个简单的、传统的销售中心,而是还给城市一个“中央舞台”。远眺、生态、活力、交流、体验、互动、赋予建筑其他售楼处难以看到的景色,使之成为一个先锋、多元的公共建筑。

体块生成 示意
售楼处和一层商铺结合整体设计,延续商业界面的同时也赋予建筑瞭望台的意义。
落地对比-效果图

为了强调瞭望台这一概念,通过反梁等设计手段,视觉上大大的增加了顶层的体量,切割第二层,形成两侧露台。流线型立柱撑起的第三层成为建筑主体,强化了视觉感受。

无锡融创敔山桃源项目位于无锡江阴敔山湾新城核心区域,北面毗邻敔山湖公园,区域内原生态山体资源丰富,自然环境非常优越。

场地示意图
为了让新建建筑与周边环境产生良好的互动对话关系,更大化地利用湖景资源,体验敔山湾的雅、体验到来自定山与湖山湖一色的美、是项目设计的重要考量因素。

立面分析图
3
建筑与地面景观更自然地相融
成都德信麓湖云庄设计灵感源于场地印象,不期而遇的高低落差,对于设计,是挑战也是机遇。临空的地形为设计师提供了创伤的灵感,决定以“游艇美学”的理念来解构建筑造型。

设计提取游艇的流动感、行径感、简约感等元素,经过凝练重组,用“层叠式”的建筑语言,通过体量的切割变化,写就动感十足、现代纯净的“游艇风”建筑。

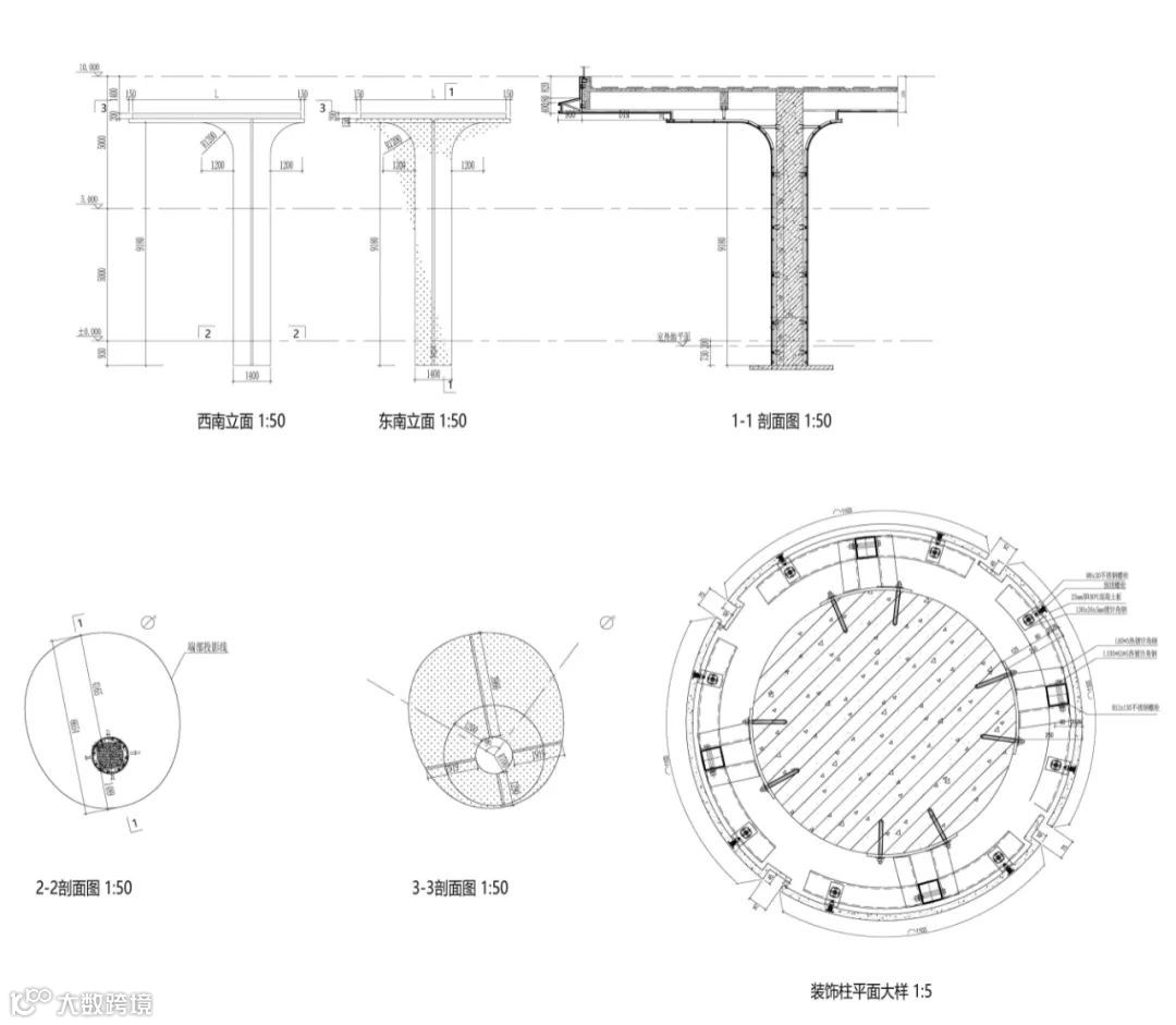
30米悬挑柱与镜面水景交相呼应,独立的结构柱表面衬以镜面不锈钢,外层包裹银丝水帘,通过光影明暗,冲击视野活跃度,形成水帘——镜面水景——锦江,三位一体的“天府之舟”。
长沙佳兆业城市广场展示中心以强调空间体验感和流动感的架空层作为起点,漫步于漂浮于水面上的汀步,通过充满神秘色彩的架空层银河吊顶处理再加上镜面不锈钢柱子及人造水池的反射效应给参观者一种漂流银河、坠落时空的第一层级空间体验,旨在让人们逐渐离开城市的嘈杂与喧嚣,随着步移景异内心渐渐趋于平静。

水石设计

剖面图

STEP1 大体量 高覆盖

STEP2 功能分割 明确动线

STEP3 旋转错位 呼应界面

STEP4 联结形成 围合空间
生成图
实景图

立面分析图
上饶中梁东投 · 鎏金天宸展示中心,建筑形体利用几何构造的美学理论,以几何变化让其形体与场地环境形成较为犀利的几何构图关系,在有限的场地之中营造静谧且丰富的空间体验。
体块推演

固安孔雀城柏悦府—示范区接待中心建筑的两层体量通过叠合错动,单向悬挑形成了富有视觉张力的建筑形体。

概念生成

4
更多开放空间
空间也得到进一步延伸
悬挑架空结构,不仅使建筑获得了开放空间,更使室内、室外空间相互渗透,形成开放与封闭空间之间的过渡灰空间,给人以开朗、活跃的心理感受。
盐城招商雍华府设计灵感源自几何积木,设计师充分发挥其排列、接合、可重组性等特点,重新嵌套组合为完整的形体。
体块生成
建筑基座上悬浮着三个纵向盒子,二层进行了局部悬挑,两个对称V字形支撑柱结合悬挑部分形成了建筑灰空间。


沈阳金地融创·首府科创城示范展示中心,以“堆叠的盒子”为设计理念,表达着对生活的情绪与珍视,承载过往的同时,也满怀对未来的憧憬。
体块生成过程


重庆佳兆业·晓岸云起展示中心造型如同一个被淘气孩童旋转错位的两块堆叠的“矩形透明盒体”,而盒体的一端立着一个大熊,这样的悬挑趣味十足,很难不被吸引。

设计师手绘稿


温州万科世纪公元主入口处建筑最远点悬挑将近6米,像漂浮的一座“展厅”,赋予建筑强烈的艺术表现力,打造出展示区独特的昭示性,简洁纯粹的体量塑造,于入口处营造出丰富空间的层次感,立体感。
上海·联仲公馆展厅灵感来源于中国民间建筑中古老的院落门——“花节门”。设计抽象了垂直的莲花柱,以现代的方式诠释古典元素,以人文的方式传承文化。悬挑的屋顶创造出深度,使整个建筑形成沉稳的氛围。
实景图

剖面图

轴测图

墙身示意图













