O型圈断面基本呈圆型的密封圈,故被称为O型圈或者垫圈,主要用于防止机械装置内部流体外泄和外部异物入侵。它是一种挤压密封型的密封制品,产量大而且使用面广泛,所以极为普及。
O型圈可在静态和动态下随意使用,作为运动密封,技能用于往复、摆动密封又可用在旋转密封系统;用作固定密封,可当作衬垫使用,为一般气动和液压元件中最为常见的密封零件。目前,O型圈实际使用的品种规格,从小到不足1厘米到大至几十米,总计已达上万种之多。
密封圈使用工况情况:
一般常见的O型圈的使用温度为-60~260摄氏度区间,压力可达25-40兆帕,液压变型范围为15%-30%,可靠工作时间在3000小时以上。
密封圈的要求的耐抗性:
在静态状态下使用时,要求具有耐老化、耐臭氧老化性,耐油、耐化学药品性,抗压缩变型、耐蠕变性以及抗切割,耐扯裂性能。当作运动密封使用时,除上述性能之外,还要考虑耐磨损以及摩擦性能等问题。
密封圈的选材分析:
因此,O型圈对橡胶选材的要求十分严格,必须保证有良好的力学性能和其他多种附加性能,在用于气动元件,多选丁腈橡胶、丁苯橡胶和乙丙烯橡胶等;对液压密封元件用的常为丁腈橡胶、氢化丁腈橡胶、丙烯酸酯橡胶、氯丁橡胶以及乙烯基硅橡胶、氟硅橡胶和氟橡胶等。
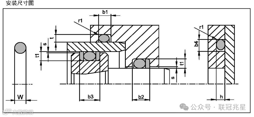
O型圈尺寸与工件安装要求:





