在国内,若提起众泰汽车,消费者心中最直观的印象一定是超高的性价比优势和亲民的价格定位。自上市以来,依托产品自身的强大优势,众泰T600在国内异常激烈的车市红海中迅速成为炽手可热的实力悍将,深受广大消费者与用户好评。目前,众泰T600的终端销量依然呈稳步上升态势,且月均表现早已突破万台,占据国内自主品牌中型SUV的榜首之席。而与此同时,我们也在第一时间从官方得到了一组最新的众泰T600运动版配置信息,其背后的性价比诚意又将如何,让我们共同了解。

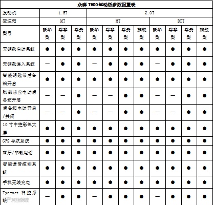
众泰T600运动版首次曝光于2015年11月,因偏向运动化的风格定位及外观和内饰的造型转变,受到国人的极高关注。2016年3月23日,众泰T600运动版正式发布,同时部分配置信息也先行露出。从露出的信息来看,众泰T600运动版应用全液晶式显示仪表盘,并集成多种主题风格可供选择。而配置方面,诸如ESC车身稳定、TCS牵引力控制、BAS刹车辅助、HAC上坡辅助、EPB电子驻车、TPMS胎压监测、无钥匙进入、无钥匙启动、语音控制、定速巡航,以及车内手机无线充电等高端科技配备也将大量应用。此外,众泰T600运动版还优先搭载电子旋钮式换挡机构、配合三幅皮质多功能方向盘和智能换挡拨片,实现操控的完美融合。
从上述表现来看,众泰T600运动版已具备同级领先的性价比优势,分庭抗争亦不落下风。这样的设定,即符合众泰汽车“谦和诚信、创新务实、追求卓越、回报社会”的企业宗旨,更兼顾广大消费者的真实购车需求。而此次,从官方最新配置表来看,众泰T600运动版在配置方面所传递的不仅仅只是“领先”的概念,用“诚意”来描述也许更加贴切。

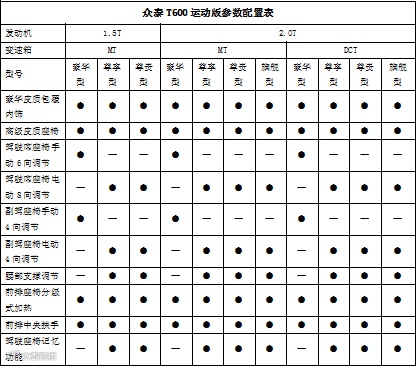
众泰T600运动版全系标配高级皮质座椅,并提供豪华皮质包覆内饰,营造颇具质感的驾乘空间与舒适乘坐体验。此外,主副驾驶采用多向电动调节,对于进一步契合车内人员的坐姿偏好,有着积极而精准的提升作用。而前后排的中央扶手、腰部支撑、座椅加热,以及电动记忆功能等,也并未缺失,丰富且实用性颇高。


众泰T600运动版全系标配10寸中控彩色大屏,集成收音、导航、蓝牙、车载电话,以及智能语音控制等众多科技与实用功能,为消费者构建丰富而便捷的车内应用途径。另外,USB与Ipod接口的出现,为车内人员提供了更加全面的信息扩展方式,而无钥匙进入与无钥匙启动的大量普及,对于进一步拉升用户体验又有着积极的促进作用。除此之外,众泰T600运动版还提供后备箱电动开启与关闭功能,与之形成映射的则是科技感爆棚且实用性颇强的脚部感应式后备箱开启技术,以每一处的细节营造,为消费者打造精致而舒适的用车新生活。



安全方面,众泰T600运动版除具备ABS、EBD、发动机防盗、车身防盗、前后倒车雷达等常规安全配置之外,其高配车型还将提供360度全景倒车影像及盲点信息系统,实现安全出行的全方位呵护。值得一提的是,众泰T600运动版全系标配LED日间行车灯,并采用远近光一体式前大灯设计,通过光感系统的实时感应,控制前大灯自动启闭,进一步辅助提升行驶安全性。

动力方面,众泰T600运动版搭载与众泰T600相同的1.5L及2.0L涡轮增压发动机,匹配5速手动或6速DCT双离合变速器。从参数来看,1.5T发动机最大功率达119千瓦,最大马力215牛米;而2.0T最大功率为140千瓦,最大马力250牛米。据公信部信息显示,众泰T600百公里综合油耗仅8L左右,燃油经济性表现不俗。此外,根据百公里加速最低9.26秒的实际表现来看,众泰T600与竞品车型相比,优势已十分明显。

全文总结:众泰T600的销量表现,树立了中国自主品牌的业界标杆。而此次,在众泰T600持续热销的基础之上,众泰T600运动版应市而生,强势出击,这对于国内SUV市场而言,或将又是一次巨大冲击。不过,面对国内众多自主及合资品牌不断进军SUV细分市场的态势,众泰T600似乎早已胸有成竹,其运动版车型也为消费者带来了超乎意料的性价比惊喜。从广泛应用的ABS、EBD到最受关注的ESC电子车身稳定,从超大全景天窗到手机远程智能操控,众泰T600用实际行动将众多尖端科技融入至消费者的内在需求之中。相比同配置或同价位竞品而言,众泰T600的优势已然明显,而此次众泰T600运动版的热市推出,相信并不适用于“领先”一词,而“诚意”或将成为中国消费者对众泰T600的最高评价。目前,关于众泰T600运动版的价格仍未透露,我们将继续保持关注并共同期待。




给您最好的服务
芳芳: 18134712866
金贵仲: 13071039529
张柱: 15136168997
朱锋: 18339288539
王跃杰: 13838359037
杨彦想: 13598072373



