点击上方蓝字
关注我们账号
LKF-F3X70/80/90/100
01
产品实拍
<<< 左滑查看更多
02
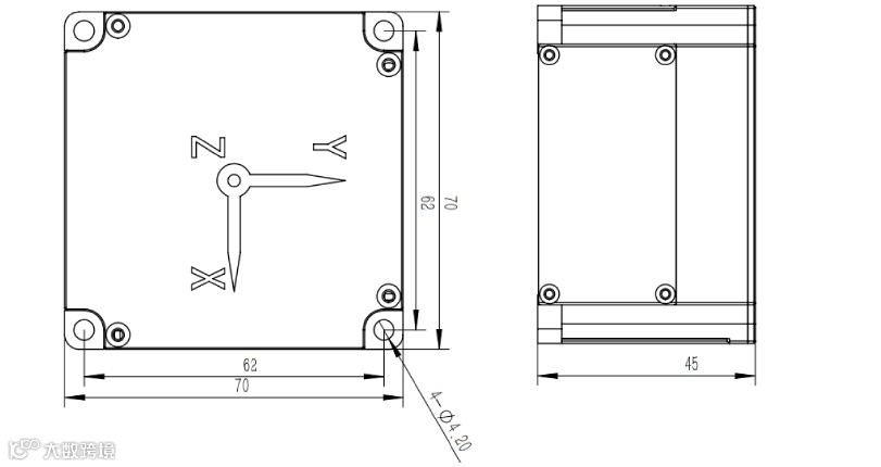
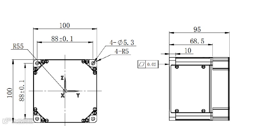
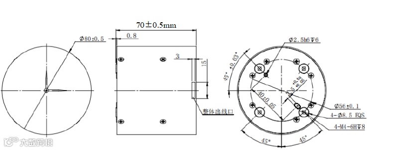
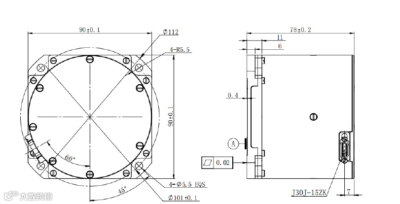
产品结构
F3X70
F3X80
F3X90
F3X100
03
产品简介
光纤惯性测量单元是一款针对小型导弹、制导炸弹的导航制导、姿态测量与控制等系统研制的惯性产品,由三个全固态光纤陀螺仪、三个石英加速度计以及数据打包板等组成,测量载体运动的角速度和线加速度,为载体的姿态和导航控制提供信息,测量结果通过RS422串口输出。
针对中低精度应用背景的需求,采用三轴共用技术设计,成本低、性能稳定;结构上采用了光路、电路一体封装,结构简单,安装方便,可应用于小型导弹、制导炸弹的导航制导、姿态测量与控制等系统中。
视频
F3X70
04
产品特点
♦ 微型紧凑设计
♦ 纯固态设计
♦ 环境适应强
♦ 高可靠性,超长寿命
♦ 全数字RS-422 电气接口输出
05
应用领域
光电吊舱
平台稳定装置
动中通
轻型无人机
06
性能参数
END

