随着电子信息技术的飞速发展,信息网络已成为人们日常工作和生活中必不可少的应用工具,作为信息网络支撑点的电子信息系统机房,承担着电子信息的传输、运算、存储等功能,而数据中心机房又是电子信息系统机房中的一个重要门类,它大量使用了电子技术、通讯技术和计算机技术。
采用了大规模及超大规模集成电路,信息化和网络化程度越来越高,但它们常置于复杂的电磁环境中,有的甚至暴露于室外,这都可能遭受雷击,产生雷击过电压,并侵入设备,将设备损毁。为此,建立数据中心机房时,必须认真考虑机房防雷接地系统,以保证数据中心机房可靠安全运行。
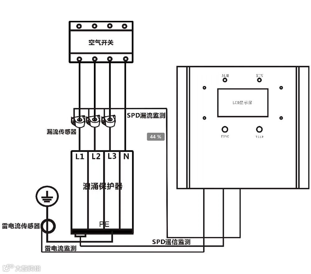
建立数据中心机房防雷接地的目的就是要避免雷电的侵袭,从而保护信息系统设备和人身的安全。为防止电磁脉冲(感应雷)沿机房电源线进入,损坏机房内设备,在低压侧各配电柜进线处设置避雷器,即浪涌保护器(SPD)。
它是一种为各种电子设备提供安全防护的电子装置。当电气回路因受突然产生尖峰电流或者电压时,浪涌保护器能在极短的时间内导通分流,从而避免浪涌对回路中其他设备的损害。
由于从地下低压配电室到四楼、五楼机房距离较长,为了解决SPD上的残压和电缆感应电压的问题,本项目机房整套电源系统设计了三级防雷器,第一级SPD避雷器安装在地下一层低压配电柜内,第二级安装在机房同层UPS机房,第三级安装在机房电源柜的进线端。这样与建筑物整体构成多级电源防雷,可有效地对电源系统进行防护。
由于机房电力供给是由大楼的建筑物主配电引入。电源高压端的防雷保护已由电力供电部门实施。
因此,对于UPS电源系统的雷电防护,我们采取以下的防雷保护方案:
UPS电源系统的防雷保护
从机房的情况来分析,供电线路穿越各级防雷区,考虑到机房各种不同用电设备的耐过压的能力,我们建议采用如下的电源系统防雷方案,以达到防护效果和较经济的投入。
由于机房UPS不间断电源设备是用于为机房内系统各用电设备提供稳定、可靠和高质量的用电环境唯一的重要设备,并且是由市电供电输入机房的主要途径,所以我们将电源系统防护的重点放在了对UPS不间断电源的保护上。
在机房专用配电柜、UPS电源做两级输入防雷保护。具体的防护措施为:
一级保护:在机房配电柜前装三相电源防雷器(单相电源防雷器)。
二级保护:在UPS电源前装三相电源防雷器(单相电源防雷器)。
三级保护:在重要设备处装电源防雷插座。
安装、接线
1.防雷器起到的作用是对雷电流的吸收和泄放作用。所有的防雷产品必须接地。
2.防雷器串联/并联在被保护设备与信号通道之间。
3.信号防雷器的输入端(IN)与信号通道相连,输出端(OUT)与被保护设备相连并紧靠被保护设备安装,不能接反。
接地体(包括防雷、交流零线的重复接地,保护接地、联合接地、电缆金属外护套,以及各种自然接地体等),地下引接线及地上裸导体的连接等,应采取以下减少电化学腐蚀的措施:
①接地体(包括地下的引接线)应采用镀锌钢材、铸钢材、铜材或石墨电极;
②减少联合接地系统的直流工作电流;
③保护接地系统应没有直流或交流电流;
④引入电缆应采用有绝缘外护套的电缆或将电缆金属外护套与室内接地系统加绝缘措施;
⑤两种不同的金属线(或金属排)连接时,应尽量采用熔接,保证无假焊、虚焊,当采用紧固件连接时,其连接处应镀锡。接地体的引线不允许采用钢管保护,应采取绝缘措施。
采用分设接地方式时应做到:
①各种地下接地体、地下裸引线之间的距离应>20m,接地装置埋设地点应设地线桩。
②在电源室内应分别装设保护接地排和联合接地排。③接地系统的室外引接导线与房屋避雷泄流线的空间距离:当房屋高度在30m及以下时,一般应>2m。
联合接地系统应按机械室分类接入联合接地排,连接处所如下:
①各种直流电源母线需接地的一极;
②引入架,试验架,引入试验架,测量台、试验台的测试用地,以及测试仪表的接地;
③各机械室不接入交流电源的金属机架(电源室的直流配电屏机架不应接地);
④电报机械和自动电话中继器的工作接地;
⑤引入电缆的绝缘金属护套,配线电缆的金属屏蔽层;
⑥各通信机械室的保安避雷器(包括放电间隙,避雷器等);
⑦容易产生噪声干扰的盘架单独接地。
保护接地系统按设备分别接入保护接地排,连接处所如下:
①交流配电盘、整流器、其他交流电源设备以及接入交流电源的机架、机壳;
②交流电源线的金属外皮;
③交流三相四线制配电系统的中性线重复接地。不准用交流三相四线制的中性线代替保护接地。
随着安防系统防雷需求的不断增多,许多防雷厂商借机拓展安防市场,然而这些厂商并不十分了解安防行业;当然在市场需求增多的情况下,许多安防工程商也将防雷产品加装到监控系统中,这就造成了防雷不慎便引雷的误区。
目前在“防雷”概念中存在两种比较典型的误区
1.安防监控支架安装避雷针。相信许多人都认为在监控支架上安装避雷针将雷引致地下是安全的方法,错!室外孤立的立杆摄像机防直击雷应设置独立避雷针,立杆与独立避雷针距离应大于4.5米,使用木头或水泥绝缘材料立杆更有利于绝缘,摄像机支架尽量用工程塑料支架,以提高绝缘级别。
2.多点接地为地电位入侵安防系统提供了路径,造成系统损坏。多点接地适用于强电,在监控弱电系统中,单点接地更能保护产品。人为制造安防系统的多点接地,把“电网地电位”通过地环路引入安防系统,造成了电压“浪涌”。弱电系统耐压较低,此时压差过大,一旦系统承受不住造成的危害或将是毁灭性的。
机房接地装置施工方法
机房接地电阻标准,共用一组接地装置,接地电阻值应≤1Ω。
安全保护接地、直流工作接地、防雷接地分设时,接地电阻值应符合以下规定:①安全保护接地,接地电阻不应>10Ω;②直流工作接地,接地电阻不应>4Ω;③防雷接地,接地电阻不应>10Ω。
采用角钢50×50×5mm,长1.5m~2.5m;角钢与角钢的连接用扁钢,间隔≥4~5m,角钢≥40×4mm;引线采用50mm2多股铜芯绝缘线或按设计规定;引线与扁钢连接采用焊接,焊接点需进行防腐处理;接地体离通信机房的距离为15m~50m;接地体埋深1m;在腐蚀地带接地极需有防腐措施。
通信机房应按均压、等电位的原理,将工作地、保护地和防雷地组成一个联合接地网。
在工厂机房建设综合防雷系统中,不管是避雷针、避雷网、避雷带等,还是各种防雷电感应的SPD,能起到防雷作用重要的环节之一,需要有良好的防雷接地。在一定的土质、气候情况下,良好的防雷接地取决于防雷接地装置的形状,接地体的材料、规格和采取有效的降阻措施。科学的计算方法可得出满足要求的各种数据。设计合理可节省人力、物力。当然,计算结果与实际会有一定差距,差距的大小取决于土壤电阻率的准确程度和土质均匀的程度等因素。富兰克林避雷原理的基本精神就是接闪、引雷入地。截闪器把雷电引来,能迅速泄放入地,达到防雷减灾的目的。否则,虽有好的截闪装置,没有良好的防雷接地,也不能起到良好的避雷效果。
工厂机房建设防雷接地装置包括以下部分
1.雷电接受装置:直接或间接接受雷电的金属杆(接闪器),如避雷针、避雷带 (网)、架空地线及避雷器等。
2.接地线(引下线):雷电接受装置与接地装置连接用的金属导体。
3.接地装置:接地线和接地体的总和。良好的接地是系统稳定、安全、可靠运行的基础。

