点击上方蓝字
关注我们账号
石英加速度计
01
产品实拍
<<< 左滑查看更多
02
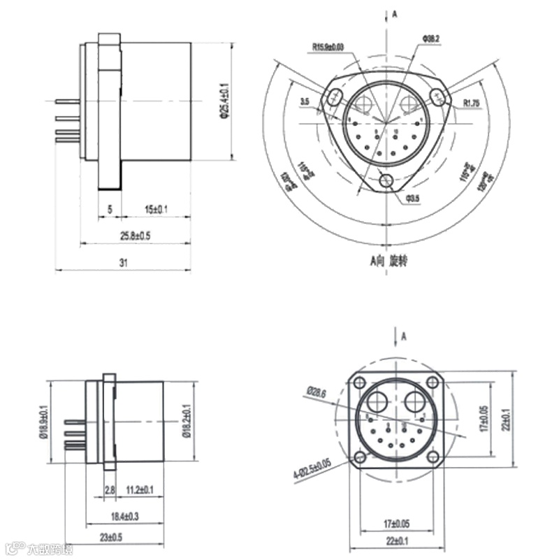
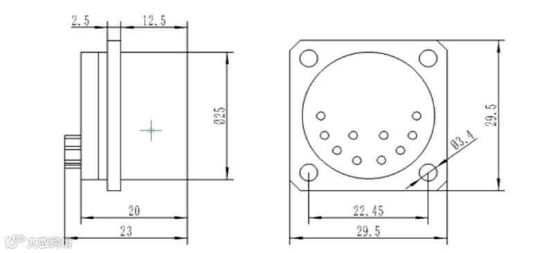
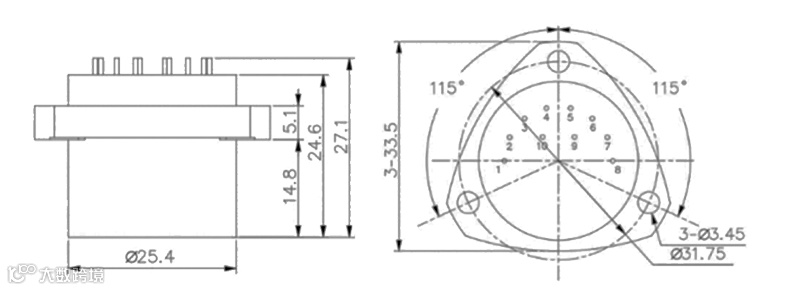
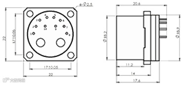
产品结构
高温抗震石英加速度计
高精度石英加速度计
普通石英加速度计
03
产品简介
石英加速度计是一款高性能单轴力矩反馈式传感器,采用先进的石英挠性结构和闭环伺服技术,能够精准检测外部加速度信号,并通过高精度解调电路输出与加速度成比例的电流信号。该产品专为极端环境设计,具有出色的耐高温、抗振动和抗冲击性能,可广泛应用于航空航天高精度导航系统、石油钻井测斜以及地质勘探等领域,为复杂工况下的精准测量提供可靠保障。
石英加速度计采用创新的石英挠性摆片设计和力矩反馈闭环控制技术,结合优化的温度补偿算法,确保在高温(最高180°C)、强振动等恶劣环境下仍能保持卓越的测量精度和稳定性。其高灵敏度伺服电路可实时解调并放大微弱信号,大幅提升动态响应能力,同时具备优异的抗电磁干扰性能,满足工业级和军工级应用需求。此外,紧凑的结构设计使其在空间受限的场景中也能轻松集成,为用户提供高性能、高可靠性的加速度测量解决方案。
产品设计严格遵循 ISO9001 与 GJB 质量体系标准,确保了长期使用过程中的性能一致性与高可靠性。产品结构设计充分考虑了工业应用场景的特殊要求,具有优异的工程适用性。此外,公司具备系统级集成与应用优化能力,能够根据不同平台需求提供高适配性解决方案,助力客户实现精确、高效的实际应用。
视频
石英加速度计
04
产品特点
♦ 耐高温
♦ 温度补偿
♦ 坚固耐用
♦ 抗震动、抗冲击
♦ 体积小、重量轻
♦ 高稳定性、高可靠性
05
应用领域
航空航天
石油钻探
地质勘探系统
轨道交通
06
性能参数
END

