点击蓝字 关注我们
LKF-MTG200
产品实拍
<<< 左滑查看更多
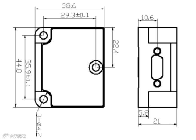
产品结构
产品简介
MTG200 三轴MEMS陀螺组合是一款高可靠、高性价比的三轴MEMS惯性传感器,可广泛用于以姿态稳定为代表的导航、控制和测量等领域。系统内部采用了高带宽、低延迟、低噪声的MEMS陀螺仪,并且具备很好的力学环境适应性,可以为复杂产品的稳定控制提供保障。
MTG200 三轴MEMS陀螺组合在独立结构内集成了高性能的MEMS陀螺仪,模块选用的陀螺仪代表MEMS工艺惯性器件的领先水平。模块内的所有电子元器件实现了100%国产化。三轴MEMS陀螺仪敏感载体的角运动,模块内部进行了全温度参数的零位、标度因数、非正交误差等参数的补偿,可以长时间保持较高的测量精度。同时,模块采用了结构密封设计等措施,保证产品在恶劣的环境下仍能精确测量载体的角运动参数,从而为用户提供了低成本高可靠性解决方案。
视频
MTG200
产品特点
♦ 高带宽、低延迟
♦ 2KHz高速采样
♦ 抗恶劣力学环境
♦ 100%元器件国产化
♦ 具备软件在线升级功能
♦ -45℃到+80℃全温标定补偿
应用领域
光电吊舱
导引头稳定
姿态控制
平台稳定
性能参数
END

