目前,随着经济的发展,人们对环境质量的要求越来越高,作为环境感知的气体传感器的应用日趋广泛,在物联网传感系统应用的推动下,气体传感器技术开始向小型化、低功耗、集成化、模块化、智能化方向发展。
在智能家居系统当中,气体传感器起着非常重要的作用,通过它可以直接监测空气中有毒有害气体含量,气体传感器的好坏关系着人体健康安全。家居环境中的气体检测应用,主要分布于智能硬件单品和智能家电设备当中。针对不同的产品设备,进行不同的传感器集成,比如说在智能硬件单品中,传感器厂商将智能气体传感器模组提供给硬件设备商,然后实现环境中甲醛、CO、TVOC等气体浓度检测,从而知晓自身周边环境中的空气质量。

苏州慧闻纳米科技有限公司是一家提供基于纳米技术的多通道气体传感阵列芯片及系统、并提供相关解决方案模块的公司。经过多年的努力,公司已开发出针对多种有毒有害气体(如甲醛、酒精、氨气、一氧化碳、氮氧化物、硫化氢、甲烷、TVOC等)的传感器芯片及相应的检测模块。尤其是公司的便携的甲醛传感器检测系统,首创了将纳米技术和化学气体传感器阵列结合的智能气体传感器系统,通过对传感器的“训练”与编程,使传感器在复杂的气体环境下能轻易识别并检测特征气体浓度。同时,结合CMOS和MEMS工艺,使得传感器具有小体积和高灵敏度,能够轻易将甲醛传感器放入常规的移动设备中,真正做到实时实地保护您的安全健康。

(甲醛传感器与甲醛模组)
公司研发的MEMS甲醛传感器及其模组具有低功耗、小体积、精度高、低成本等特点,可检测空气中极低含量的甲醛(<40 ppb,国家空气质量标准甲醛含量应低于74 ppb)。其工作原理就是利用不同目标气在不同浓度下接触气敏材料时,气敏材料的电导率会产生不同程度的响应,使用特定的调理电路和精确地算法可将响应电导率变化转化成为与之相对应气体种类和浓度的电信号。

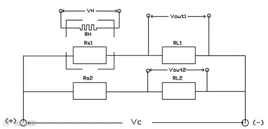
(电路设计原理)

(模组典型的灵敏度对数特性曲线)
技术指标

应用领域
公司开发的甲醛传感器适用于检测含甲醛气体的特定场所,如新装修的家庭、办公写字楼、学校、幼儿园等场所,也可用于石油化工厂,有机化学品存储场所,化学实验室等工业场所。

小贴士
甲醛,室内装修最主要的慢性挥发体、污染物!研究表明:甲醛为强烈,长期接触可诱发致癌物和致畸形物,长期接触可诱发鼻、喉、脑、肺、呼吸、消化道的癌症,破坏生殖系统,引起染色体变异,触发妇女月经絮乱和妊娠综合症,导致胎儿畸形,诱发幼儿白血病,引起记忆力和智力下降。
室内空气中的甲醛含量国家控制标准为0.08mg/m³,但据中国消协公布的一项调查结果显示,北京和杭州地区室内空气抽样检测甲醛浓度超标分别达到73.3%、79.1%,超标达40倍以上。北京某儿童医院一项令人震惊的调查结果显示,90%以上的白血病患儿家中在半年内装修过。专家推测,装修造成的室内环境污染是近年小儿白血病息者增加的一个原因。世卫组织数字显示:全球每年有 10 万人因室内空气污染致死.其中 35%是儿童。专家研究表明,室内空气的污染程度比室外严重2-5倍,甚至达到100倍

