
睡眠呼吸暂停综合症具有严重危害,睡眠时发生低氧及高碳酸血症,可引起全身多系统器官渐进性危害。当前,多导睡眠图监测是睡眠性疾病最有效监测手段,但受检者需进行8h观察记录,长时间监测造成受检的局限性。
那么一种基于柔性压电传感器开发的睡眠检测类产品就被市场所需求,这种舒适、便携的方法,在自然睡眠状态下即可实现对睡眠呼吸暂停等睡眠相关数据的判断监测记录,让用户能容易得到自己的相关睡眠监测数据,用于及时诊断和治疗。
常见睡眠监测方案所采用的压电传感器为PVDF压电薄膜传感器,因其具有良好的柔韧性,以及声阻抗低,可以与人体匹配,具有较高的压电常数等特点,PVDF 压电薄膜适合作为非侵入式睡眠监测的力学传感器。柔性压电传感器可充分采集脉搏、呼 吸、鼾声生理信号,将分析结果同疾病预判评估值进行双阈值深入对比,有效进行睡眠监测记录,并提供睡眠呼吸暂停综合症患病依据。

▲睡眠监测枕设计框图
如图所示,以常见的枕头为载体,将压电薄膜传感器嵌入其中,实时监测使用者脉搏、呼吸、鼾声等生理信号,信号调理电路对信号进行处理。单片机控制蓝牙模块将信号传送至上位机,实现人体呼吸暂停、鼾声识别、睡眠监测等功能。
柔性聚偏氟乙烯压电薄膜传感器输出电信号, 同所受外作用力成线性比例关系。将 PVDF压电薄膜传感器放置于枕头内部,设置拱形弹簧以提升压电薄膜灵敏度。传感器采取如下图所示的悬臂梁结构。为提高传感器灵敏度,相同外力下,分别对三角形、梯形、矩形压电薄膜悬臂梁产生电荷进行对比分析。

▲悬臂梁结构图

▲不同悬臂梁结构图
悬臂梁结构自由端施加压力时,3 种悬臂梁产生的应变为如下图所示:

利用三角形悬臂梁结构制作传感器,将其安装在睡眠监测枕两侧,分别引出电极,检测使用者的脉搏、鼾声信号,监测枕正面贴有长10cm、宽5cm的压电薄膜传感器,用来检测呼吸信号,如图所示:

▲监测枕传感器安装图
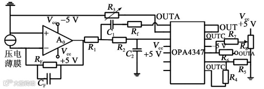
在电路中接入压电薄膜传感器,为增强稳定性,设计电阻 及积分电容,使得电路具备负反馈作用。可实现电压稳定放大,增强电压电路放大效果,添加电压抬升功能,将压电信号转换成正值,为后续更好识别、处理。为提高集成化要求,可以引入运算放大器芯片。

▲信号调理电路
信号经单片机模数转换后,由蓝牙发送至终端软件读取,进行数据类型转换、存储,处理及计算脉率、呼吸率,脉搏和呼吸数据波形实时显示,鼾声、呼吸暂停状态判断等内容。根据呼吸幅度、频率进行检查,对呼吸过缓和呼吸暂停进行时间记录和呼吸异常警示,若出现长时间呼吸暂停,立即进行报警。

▲呼吸暂停识别流程图
鼾声持续时间过长或累计级别过高,则进行鼾声异常警示和记录。每个周期鼾声信号检测结束后立即开始下一个周期的检测。

▲鼾声识别流程图
设置脉率在60~90次/min内,显示状态正常;否则,显示脉搏异常;过低时出现“危险”提示。呼吸率在16~20 次/min 时,显示状态正常;否则,显示呼吸异常;过低时出现 “呼吸暂停”警示。同步快速闪烁状态,转换到1次/s的规律闪烁状态时,运行上位机软件的选择COM 口,设置波特率、停止位等,同时开始接收数据。
实验者枕在基于压电薄膜传感器的睡眠 监测枕上,采用仰卧位睡姿。可以检测到实验者脉搏及呼吸信号,其脉率为63.5次/min,呼吸率为17.6次/min,状态正常指示灯点亮。

▲系统实际测试图

▲脉搏、呼吸测试结果
实验者进行10s憋气,呼吸率下降,呼吸次数低于16 次/min,呼吸异常灯亮,如图所示。

▲憋气测试结果
对鼾声信号幅值进行双门限值检测,超过设定门限值0.5s即判断为鼾声,鼾声指示灯亮。计算信号均值,均值低于设定最低值,且信号小于门限值时,程序判断打鼾结束,停止记录。鼾声信号达不到判断标准,显示状态正常,如图所示。

▲正常呼吸测试结果
实验者模拟打鼾时状态进行测试,如图所示。鼾声信号超过设定的门限值,打鼾指示灯亮,鼾声级别累计,同时程序记录了鼾声持续时间超过设定值时的鼾声出现和结束时的系统时间。

▲打鼾测试效果
通过PVDF柔性压电薄膜传感器,在人体睡眠时,对睡眠监测枕的受压状况、 人体呼吸及脉搏振动分析,将压电效应产生的电荷量通过信号调理电路转换为电压信号,同时进行放大、防变、滤波及抬升等处理,单片机控制蓝牙模块将信号传送至上位机,利用终端软件对生理信号进行处理分析,并进行睡眠状态识别及记录。
基于PVDF柔性压电薄膜传感器开发的睡眠监测枕应用方案,能够在睡眠状态下监测人体脉搏、呼吸, 鼾声及鼾声时长记录等生理参数数据以及显示脉搏、呼吸状态异常,鼾声状态异常等生理状态。满足睡眠呼吸暂停综合症、睡眠障碍性疾病前期检查相关要求。为减少睡眠疾病患者看病时间和医疗费用,减轻医务人员工作负担及患者方便掌握身体状况提供了技术保障支持,这也是目前市场上对睡眠监测系统和压电式传感医疗仪器领域中的主要应用。
参考资料:
【1】于靖园.从“全世界失眠”到“全世界治失眠”[J].小康, 2015:44-45
【2】刘旭,武澎,吕延军.一种柔性 PVDF压电薄膜传感器 的制备方案[J].仪表技术与传感器,2016:4-6.
【3】辛毅,郭超,凌振宝,等.基于压电薄膜传感器的穿戴式 健康监测体域网系统[J].国防科技大学学报,2016:161-167.
【4】吴锋,周玉彬,成奇明,等.便携式睡眠监测系统的研制 [J].医疗卫生装备,2008:20-22.
排版 | 慧闻科技
文字图片 | 部分来源于网络(侵删)
长按识别二维码,关注我们
江苏省苏州市工业园区金鸡湖大道99号
纳米城西北区17栋302
电话:0512-62749655/62749644


