为你,我们时刻准备着
为了你,我们时刻准备
泗洪高能部分主辅设备工艺情况抢先看
焚烧余热锅炉
光大环保技术装备(常州)有限公司生产的多级液压机械顺推式炉排炉;配置1台中温中压、单汽包自然循环炉,由川锅有限公司设计、制造的余热炉,其型号CG-300-32/4.0/300-LJ。

全厂主要生产工艺图
汽轮发电机组生产掠影
采用南京汽轮电机(集团)有限责任公司生产的中温、中压、单缸、冲动、凝汽式汽轮发电机,型号N7.5-3.82-2型。转子由1级复速级和10级压力级组成。控制系统采用南京科远自动化系统的数字电液调节系统(DEH、ETS、TSI)。
厂家在做汽轮机转子测频等相关试验
发电机转子即将穿上“铜衣”
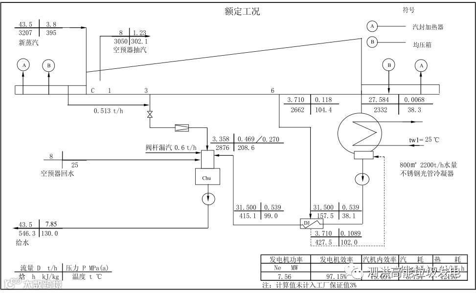
泗洪高能汽轮机的运行工况图,看看热力学第一定律在此能否得到验证
中控制室布局图

宏伟大气的中控大厅,定使你集中精力操作
电气接入系统
垃圾发电厂升压站20kV及发电机出口10kV母线均采用单母分段接线方式。以2回20kV线路分别接至杨庄变2台主变20kV侧,线路路径长度约5.3km。正常运行时分段开关均断开运行,本期升压变容量8MVA,阻抗电压7.5%,主变抽头21±2×2.5/10.5kV;主变型号:SZ11—8000/20KV.
化水处理系统
本期除盐水采用先进的全膜法水处理工艺:超滤(UF)+双级反渗透(RO)+EDI。除盐水水质要求:硬度≈0mg/L;SiO2≤20μg/L;电导率≤0.2μs/cm;产水量:本期工程系统最终出力2X10t/h。
渗滤液系统采用终期2×150t/d(渗滤液),本期处理量150t/d,土建一次性建成。处理工艺为:“预处理 +厌氧UBF+硝化反硝化生物膜(AO-MBR)+纳滤(NF)”,最终出水达到环评接管要求。
生产团队建设



