锂电池(可充型)之所以需要保护,是由它本身特性决定的。由于锂电池本身的材料决定了它不能被过充、过放、过流、短路及超高温充放电,因此锂电池锂电组件总会跟着一块精致的保护板和一片电流保险器出现。
锂电池的保护功能通常由保护电路板和PTC等电流器件协同完成,保护板是由电子电路组成,在-40℃至+85℃的环境下时刻准确的监视电芯的电压和充放回路的电流,及时控制电流回路的通断;PTC在高温环境下防止电池发生恶劣的损坏。
电池构造图:

保护板通常包括控制IC、MOS开关及辅助器件NTC、ID、存储器等。其中控制IC,在一切正常的情况下控制MOS开关导通,使电芯与外电路沟通,而当电芯电压或回路电流超过规定值时,它立刻控制MOS开关关断,保护电芯的安全。

保护板外形图
NTC是Negative temperature coefficient的缩写,意即负温度系数,在环境温度升高时,其阻值降低,使用电设备或充电设备及时反应、控制内部中断而停止充放电。
ID是Identification 的缩写,即身份识别的意思它分为两种:一是存储器,常为单线接口存储器,存储电池种类、生产日期等信息;二是识别电阻。两者可起到产品的可追溯和应用的限制。
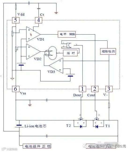
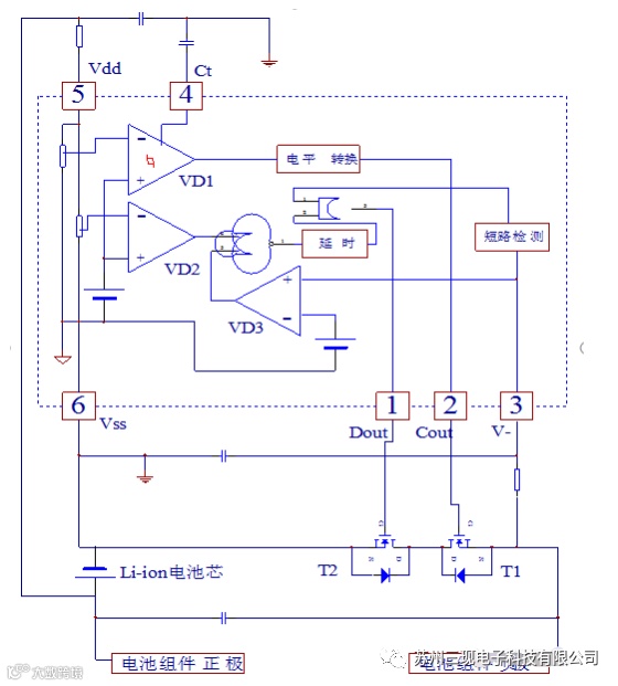
1、单节电芯保护板工作原理:


如图,IC由电芯供电,电压在1.5v-10v均能保证可靠工作
2、保护板保护功能图解
●过充保护

当电池被充电使电压超过设定值VC(4.25-4.35V)后,VD1翻转使Cout变为低电平,T1截止,充电停止,当电池电压回落至VCR(3.8-4.1V)时,Cout变为高电平,T1导通充电继续, VCR小于VC一个定值,以防止电流频繁跳变。
●过放保护
当电池电压因放电而降低至设定值VD(2.3-2.5V)时, VD2翻转,以IC内部固定的短时间延时后,使Dout变为低电平,T2截止,放电停止。
●过流、短路保护

当电路放电电流超过设定值或输出被短路时,过流、短路检测电路动作,使MOS管关断,电流截止。
同单节电芯一样,在多节电芯保护电路中,保护板同样必须能对电芯提供过充、过放、过流、短路等保护。


1、自耗电测试示意图

2、短路测试示意图

3、过放测试示意图


