


河南小威环境科技有限公司【小威环境(北京)科技有限公司的全资子公司,以下简称小威环境)】是一家专业从事生态环境领域技术咨询、工程施工、新工艺研发、项目运营于一体的高新技术企业,成立于河南省新乡市高新区火炬园。小威环境以技术创新为核心竞争力,由博士、硕士组成了20余人的科研创新团队,十余人拥有中级工程师证、助理工程师证等职称。配备有专业的实验室和试验场地,现已研发高新技术十几项,被国家知识产权局授权或受理的专利技术累计已达50余项。公司通过国家中小型科技企业认证,拥有市政公用工程施工总承包叁级、环保工程专业承包叁级、建筑机电安装专业承包叁级资质,并通过职业健康安全管理体系、质量管理体系、环境管理体系三大体系认证,为小威环境的所有项目提供保障服务。同时,小威环境积极参与环保领域的学术交流、技术合作,是中国环境保护产业协会理事。
发展理念
以解决客户痛点为基本原则,以减量化、资源化、无害化为主要原则,精心设计具有小威环境独有的核心技术方案,引领各行业向“绿色、清洁、节能、环保”方向发展。
企业文化
(1)愿景:做循环经济的践行者,还世界碧水蓝天;
(2)使命:智能、高效、环保、节能;
(3)企业文化:笃行不倦、创新致远、和谐发展。

主要业务及经营范围
建筑垃圾处理、生活垃圾处理、厨余垃圾处理等固体废弃物处理再利用技术;电子废弃物和废旧动力锂电池的回收处理再利用技术;污水污泥处理再利用、土壤修复技术等,可根据客户需求为客户提供整体的设计方案、技术咨询、项目运行及施工总承包。
废旧动力锂电池回收再利用
工艺简介
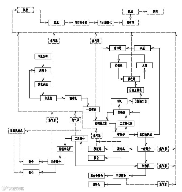
此工艺可从废旧锂离子电池中分离出铜、铝、正负极粉、铁、隔膜纸。具体工艺实施方案为:废旧锂离子电池先用撕碎机将电池撕碎,再以环齿辊破碎机将电池进行二次破碎后经焚烧炉焚烧、振动筛选后获得铜铝铁等混合物料、正负极粉等;再经磁选机去除混合物料中的铁磁性物质;剩余混合物料经过三次破碎机将材料进一步粉碎,使正负极粉完全脱离于集流体,送入复频筛,联合袋式除尘器、比重风选、风化技术可将正极粉,铜粒、铝粒分离开来。隔膜纸在焚烧炉中被燃尽,电解液挥发后进入二次氧化塔被分解,最后被喷淋塔吸收。
在整个锂电池回收过程中产生的有机废气和粉尘等污染,利用智联脉冲除尘+高温热解+二次氧化+自由基催化+化学吸收的工艺,最终可将粉尘去除、有机废气进行分解,通过化学吸收设备进行净化最终达标排放。
该工艺以公司自主研发的威云智能互联云系统为核心,实现整个系统智能、高效、节能、环保的运行。生产线操作简单,一条线一班两人即可。该系统可实现无人上料,智能分选,收料,打包等手段,设置电器检测,智能报警,智能超负荷预警及保护,巡航复检、粉尘,VOCs气体在线监测装置,通过数据采集进行分析,反馈至终端系统进行智能巡航操控及降尘、VOCs的达标去除。
工艺特点
1. 回收工艺安全可靠、投资成本低、外观整洁大方、占地面积小,设备维护成本低。
2. 分离效果好,回收效率高,铜铝铁回收率95%以上,正负极粉回收率达97%。
3. 环境友好,污染物零排放,主要是噪音污染、粉尘污染,以及有机废气污染可以得到很好的控制,基本达到零排放标准。
4. 设备运营成本低,电耗少。
5. 处理范围广泛,任意型号的电池都可进行分选。
6. 威云智能互联控制系统,无人化操作,大大降低人工成本。
7. 处理量大,工艺灵活多变,可根据客户需求进行定制。满足不同客户对工艺的需求。
工艺流程

客户现场


客户安装现场

智者卓见未来,仁者兼济天下!
做循环经济践行者,还世界碧水蓝天!



