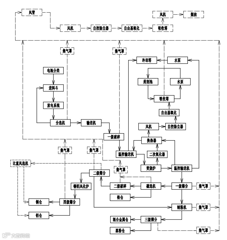
工艺简介
此工艺可从废旧锂离子电池中分离出铜、铝、正负极粉、铁、隔膜纸。具体工艺实施方案为:废旧锂离子电池先用撕碎机将电池撕碎,再以环齿辊破碎机将电池进行二次破碎后经焚烧炉焚烧、振动筛选后获得铜铝铁等混合物料、正负极粉等;再经磁选机去除混合物料中的铁磁性物质;剩余混合物料经过三次破碎机将材料进一步粉碎,使正负极粉完全脱离于集流体,送入复频筛,联合袋式除尘器、比重风选、风化技术可将正极粉,铜粒、铝粒分离开来。隔膜纸在焚烧炉中被燃尽,电解液挥发后进入二次氧化塔被分解,最后被喷淋塔吸收。
在整个锂电池回收过程中产生的有机废气和粉尘等污染,利用智联脉冲除尘+高温热解+二次氧化+自由基催化+化学吸收的工艺,最终可将粉尘去除、有机废气进行分解,通过化学吸收设备进行净化最终达标排放。
该工艺以公司自主研发的威云智能互联云系统为核心,实现整个系统智能、高效、节能、环保的运行。生产线操作简单,一条线一班两人即可。该系统可实现无人上料,智能分选,收料,打包等手段,设置电器检测,智能报警,智能超负荷预警及保护,巡航复检、粉尘,VOCs气体在线监测装置,通过数据采集进行分析,反馈至终端系统进行智能巡航操控及降尘、VOCs的达标去除。
工艺特点
1
回收工艺安全可靠、投资成本低、外观整洁大方、占地面积小,设备维护成本低。
2
分离效果好,回收效率高,铜铝铁回收率95%以上,正负极粉回收率达97%。
3
环境友好,污染物零排放,主要是噪音污染、粉尘污染,以及有机废气污染可以得到很好的控制,基本达到零排放标准。
4
设备运营成本低,电耗少。
5
处理范围广泛,任意型号的电池都可进行分选。
6
威云智能互联控制系统,无人化操作,大大降低人工成本。
7
处理量大,工艺灵活多变,可根据客户需求进行定制。满足不同客户对工艺的需求。
工艺流程

客户现场








