
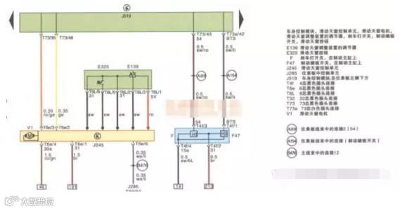
大众车型的电路图结构清晰,元器件、保险丝等均配有明确标注,便于识读(见下图)。

电路图识读方法
阅读电路图时,首先需明确图中各元件符号及其代号含义,结合电气原理与控制逻辑分析线路功能。若某线路未完整呈现,可通过地址码进行追踪查找。

大众电路图常用代号说明
| 序号 | 代号 | 含义 |
|---|---|---|
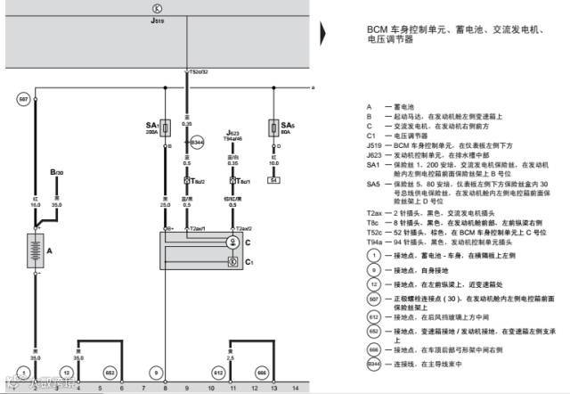
| 1 | A | 蓄电池 |
| 2 | B | 起动机 |
| 3 | C | 交流发电机 |
| 4 | C1 | 调压器 |
| 5 | D | 点火开关 |
| 6 | T2 | 发动机线束与发电机线束插头连线(2针,位于发动机舱中间支架) |
| 7 | T3a | 发动机线束与前大灯线束插头连接(3针,位于中央电器后方) |
| 8 | ② | 接地点(位于蓄电池支架) |
| 9 | ⑨ | 自身接地 |
| 10 | ○B1 | 接地连接线(位于前大灯线束内) |
| 11 | G2 | 水温传感器 |
| 12 | G40 | 霍尔传感器 |
| 13 | G62 | 水温传感器 |
| 14 | G72 | 进气温度传感器 |
| 15 | J220 | Motronic 发动机控制单元 |
| 16 | N152 | 点火线圈 |
| 17 | P | 火花塞插头 |
| 18 | Q | 火花塞 |
| 19 | S17 | 发动机控制单元保险丝(10A) |
| 20 | T4 | 前大灯线束与散热风扇控制器插头连接(位于控制器上) |
| 21 | T8a | 发动机线束与发动机右线束插头连接(3针,位于发动机中间支架) |
| 22 | T80 | 发动机线束、发动机右线束与发动机控制单元插头连接(80针,位于控制单元上) |
| 23 | F60 | 怠速开关 |
| 24 | G61 | 1、2缸爆震传感器 |
| 25 | G69 | 节气门电位计 |
| 26 | G88 | 节气门定位电位计 |
| 27 | J338 | 节气门控制部件 |
| 28 | T3c | 发动机右线束与1、2缸爆震传感器插头连接(3针,位于发动机舱中间支架) |
| 29 | T8h | 发动机右线束与节气门控制部件插头连接(8针,位于节气门控制部件上) |
| 30 | V60 | 节气门定位器 |
| 31 | ○C1 | 连接线(位于发动机右线束内) |
| 32 | G28 | 发动机转速传感器 |
| 33 | G66 | 3、4缸爆震传感器 |
| 34 | N30 | 第一缸喷嘴 |
| 35 | N31 | 第二缸喷嘴 |
| 36 | N32 | 第三缸喷嘴 |
| 37 | N33 | 第四缸喷嘴 |
| 38 | S123 | 喷嘴、空气质量计、AKF阀、氧传感器加热保险丝(10A) |
| 39 | T1b | 发动机线束与仪表板线束插头连接(1针,位于中央电器后方) |
| 40 | T3b | 发动机右线束与发动机转速传感器插头连接(3针,位于发动机舱中间支架) |
| 41 | T3d | 发动机右线束与爆震传感器插头连接(3针,位于发动机舱中间支架) |
| 42 | ① | 接地点(位于发动机控制单元旁车身上) |
| 43 | ○A2 | 正极连接线(位于发动机线束内) |
| 44 | ○C2 | 正极连接线(位于发动机右线束内) |
| 45 | ○C4 | 接地连接线(位于发动机右线束内) |
| 46 | G39 | 氧传感器 |
| 47 | G70 | 空气质量计 |
| 48 | J17 | 燃油泵继电器 |
| 49 | N80 | 活性炭罐电磁阀 |
| 50 | S5 | 燃油泵保险丝(10A) |
| 51 | T4a | 发动机线束与氧传感器插头连接(4针,位于发动机舱中间支架) |
| 52 | T8a | 发动机线束与发动机右线束插头连接(8针,位于发动机舱中间支架) |

