功率MOSFET的应用可靠性与失效分析
1、应用可靠性
1.1安全工作区
功率MOSFET的SOA由导通电阻Ron、最高漏极电流IDM、最大耗散功率PDM及最高漏源电压U(BR)DS决定。当UDS很小时,SOA由Ron和IDM决定;当UDS较大时,SOA由PDM决定;当UDS很大时,SOA由U(BR)DS决定。此外,SOA与脉冲持续时间有关,脉冲持续时间越长,温升对SOA影响越大, SOA越小。为了增大功率MOSFET的SOA,除了降低导通电阻、提高击穿电压外,还需加强散热,以降低热阻。
图1 功率MOSFET的SOA
1.2雪崩耐量
(1)雪崩耐量的定义
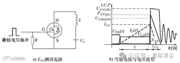
功率MOSFET的雪崩耐量常用单脉冲雪崩耐量EAS和重复脉冲雪崩耐量EAR两个值来表示。单脉冲雪崩耐量EAS定义为单次雪崩状态下器件所能消耗的最大能量。重复脉冲雪崩耐量EAR定义为重复雪崩状态下器件所能消耗的最大能量。EAS越大,表示功率MOSFET承受电路电感引起过电压的能力越强。EAS与器件内部雪崩电流的分布及雪崩面积有关,还与器件的热性能和工作状态相关。雪崩电流导致器件温升,并且温升的大小与功率水平和封装热阻有关。
雪崩耐量计算:
式中UBR为雪崩击穿电压;IAS为雪崩电流。EAS除了与UBR、IAS有关外,还与电路的初始电感L成正比。
图2 功率MOSFET的EAS测试电路与雪崩电流与电压波形
功率MOSFET不存在由双极型晶体管过热引起的二次击穿现象,但并不排除由雪崩引起的二次击穿。
图3 功率MOSFET承受单脉冲雪崩时的SOA测试曲线
图4 改善功率MOSFET雪崩耐量的结构
(2)提高雪崩耐量的措施
通过增加p体区尺寸a来增加雪崩期间通流面积,还可采用沟槽平面栅(TPMOS)结构,通过选择适当的沟槽宽度wt和深度dt来提高EAS。此外,采用沟槽体接触(Trench Body Contact,TBC)(见图4a),即在VDMOS的源区与p体区欧姆接触处通过刻蚀工艺形成一个浅沟槽,可降低源极接触电阻,有利于提高功率MOSFET的雪崩耐量。 西门子(Siemens) 公司的S-FET结构(见图4b)是采用氧化物侧墙和双离子注入的自对准超精细工艺来改善功率MOSFET的雪崩耐量及稳定性。
图5 TPMOS雪崩耐量随结构参数的变化
图5所示为TPMOS的雪崩耐量EAS随p体区尺寸a、沟槽平面栅区参数及沟槽接触区深度变化的模拟曲线。当a在16~28μm范围内逐渐增大时,EAS也明显增大。当深度dt为2.0μm时,随宽度wt增大,TPMOS的EAS几乎线性增大。当wt为4.0μm,随dt增大,EAS也增大。可见,TPMOS的EAS与p体区尺寸有关,即p体区尺寸越大,雪崩面积越大,雪崩耐量越高。当接触区槽深dc为2.5μm时,雪崩耐量最高,如图5d所示。但接触区槽深dc不能过大,否则会在接触槽底处发生穿通击穿,导致雪崩耐量急剧下降。
2、失效分析
2.1寄生晶体管导通引起的失效
p体区横向电阻RB较大或者流过RB的电流过大,在RB上产生的压降高于npn晶体管发射极的开启电压(25℃时约为0.7V,温度升高时会下降),寄生npn晶体管开始工作,于是功率MOSFET因栅极失控而失效。
措施:(1)在制作时使n+源区与p体区短路;
(2)采用较窄的n+源区,并在p体区制作之前先形成一个高掺杂浓度的p+阱区,以减小p体区横向电阻RB;
(3)在源极接触处通过离子注入形成p++区,或者通过刻蚀工艺形成沟槽后再注入p++区,以降低源区接触电阻。
2.2雪崩引起的失效
(1)动态雪崩
功率MOSFET在关断过程中发生的雪崩击穿简称为动态雪崩。动态雪崩的触发与漏源电压的大小以及上升率有关。
图6 VDMOS发生雪崩时内部的电流分布
图7 功率MOSFET雪崩击穿时的I-U曲线
在功率MOSFET关断期间,当漏源电压变化率duDS/dt较高时,J1结电容CJ放电会引起较大的位移电流(idis =CJduDS/dt)。该位移电流通过RB时会诱发寄生的npn管导通。
发生雪崩击穿后,漏极电压快速返回达到晶体管基极开路时的击穿电压U(BR)CEO,ID急剧增大,并主要由雪崩电流组成。功率MOSFET内部产生很大的功耗会引起器件发热。如果温升超过器件所允许的最高结温,会导致器件烧毁。为了防止功率MOSFET发生雪崩击穿, 在使用时一定要对漏源电压UDS及其上升率(duDS/dt)和外电路电感加以限制。
(2)失效模式
与温度相关的失效起因于动态雪崩时的大电流与高电压所产生的高功耗引起的温升。 功率MOSFET发生动态雪崩后,由于高电场和高电流密度共同作用,使晶格的温度升高(温升按IAS的1.5次增加),达到本征失效温度后将不再升高。在本征失效温度下,器件不能耗散更多的能量。如果电流继续流动,器件将会因温度过高产生本征导通效应而损坏。
与电流相关的失效起因于寄生的npn晶体管的导通及其电流放大作用而引起的电流集中。当功率MOSFET发生雪崩击穿后,碰撞电离产生较高的空穴电流,流过p体区横向电阻RB时会产生较大的压降,引起寄生的npn晶体管导通,使得电流进一步放大,于是在器件局部区域内形成电流集中而失效。所以,器件在不足1μs的极短时间内被损坏。
(3)失效形貌
与温度相关的失效,解剖后发现,内部会出现严重的分层现象,芯片表面有一条形状不规则的 “紫纹”,如图8a所示。这是由于大电流经过时造成器件损伤,纹路显示出了大电流流过的区域。与电流有关的失效,与上述大电流通过时产生的损伤有所不同,其形貌表现为芯片表面都有一个较小的烧穿点,如图8b所示。烧穿点随机分布在芯片表面的引线或栅极附近,这可能是由器件衬底材料或制作工艺均匀性差导致各元胞的工艺或特性参数不均匀,击穿电流会通过导通电阻最小的元胞使器件烧毁。
图8 功率MOSFET因动态雪崩导致的损伤形貌
2.3温度升高导致的失效
温度升高,导通电阻和截止漏电流增加,导致通态功耗和断态功耗增加;同时阈值电压下降,容易引起误触发。此外,温度升高时,npn晶体管的发射结开启电压下降、且p体区的电阻增加,均会使寄生的npn晶体管导通,使功率MOSFET更易发生动态雪崩而失效。
2.4静电放电导致MOS栅的失效
由于MOS栅极电阻较高,当栅极断开时,易受外电场作用可能感应瞬时高电压,若超过U(BR)GS时,会造成栅氧化层击穿。这种静电放电是导致功率MOSFET失效的重要模式,约占总失效的10%。
静电损伤的失效部位通常是器件中易受静电影响的部分及结构薄弱处。如薄氧化层、电场集中处,电流集中处及热容量小的地方。因静电损伤失效的芯片如图9 所示。
图9 因静电损伤的芯片
预防器件因静电放电失效,实际使用MOSFET时,操作人员应接地,应尽量避免用手去触摸器件的外引线,最好使用专用的工具或夹具。在电路中安装、检测或焊接功率 MOSFET时,注意测量仪器、烙铁等应预先接地。在安装、运输、存放或未使用时,应将功率MOSFET的栅极与源极管脚短接,或将其装在抗静电袋内,或用铝箔包裹,或将管脚插在导电泡沫中。为了防止由电路故障或使用不当引起的栅极过电压,可以对功率MOSFET 的栅极进行过电压保护。在实际电路中,可外接一个栅保护二极管或者在栅极与发射极之间并联一个几十千欧姆的电阻来预防。
2.5辐射效应
由于功率MOSFET中存在MOS结构,导致其受电离辐射、核电磁脉冲等的影响较大。 电离效应会在MOS栅氧化层中积累正电荷,并引起界面态电荷。辐射产生的正电荷和界面态必然会引起MOSFET阈值电压的漂移。界面态的增加,不仅会改变器件阈值电压,而且会降低沟道载流子的迁移率,从而降低跨导并增加噪声。此外,核电磁脉冲会引起功率MOSFET栅击穿或保护电路烧毁,也可能引发动态雪崩。
功率MOSFET抗电离辐射能力较差,比一般双极型晶体管低2~3个数量级。可以采用以下措施来提高功率MOSFET抗电离辐射的能力:
(1)减小栅氧化层厚度。由于辐射引起的阈值电压漂移与栅氧化层厚度成正比,故减少栅氧化层厚度对抑制阈值电压漂移有利。
(2)提高栅氧化层质量。采用1000℃干氧氧化制作栅氧化层,氧化后在低于850℃下的氮气气氛中退火,或者在氧化前用氯化氢(HCl)气体净化炉管,可提高栅氧化层质量。
(3)对栅氧化层进行适当的掺杂。在氧化层中掺铝、磷、铬、钼等都会不同程度地改善器件的抗辐射性能,其中掺铬效果较好。掺铬后在氧化层内会引进大量电子俘获中心,可减少正电荷积累和辐射产生的界面态,但掺杂的氧化层重复性差。
(4)加强表面钝化,采用氧化铝(Al2O3)膜和氮化硅(Si3N4)膜作为表面钝化层,可显著提高器件的抗电离辐射能力。采用化学气相淀积的Al2O3薄膜,抗电离辐射能力几乎可提高10~30倍,但Al2O3的稳定性差。
(5)提高封装材料的纯度,减少α粒子的来源。
3、特点与应用范围
3.1特点
功率MOSFET属于电压控制型器件,驱动电路比较简单。导通时靠多子的漂移运动来传导电流,开关时不存在少子建立、渡越及存储等问题,开关速度主要由内部电容的充放电时间决定,故开关速度快,高频特性好。但由于其中只有多子参与导电,没有电导调制效应,所以导通电阻较大,通态损耗也随之增大。此外,功率MOSFET的Ron具有正温度系数,可自动实现均温和均流,温度稳定性好,故不存在因过热引发的二次击穿,SOA较宽,允许多个器件并联使用。但功率MOSFET容量较小,只适合小功率,采用模块结构可实现中功率。
3.2应用范围
功率 MOSFET主要用于高频、开关等中小功率的应用领域。如低压逆变器、变频器等电机驱动与控制;开关电源、UPS、高频及超高频电源、逆变电源等各种电源;电焊机、家用电器、便携式电器、节能灯等各种电器;以及计算机的软硬驱动器、打印机、绘图仪等外部设备。此外,也用于汽车电子、音响电路及仪器仪表等场合。
3.3发展趋势
自1975年IR公司开发成功VVMOS开始,至1998年德国西门子公司开发成功 CoolMOSTM,功率MOSFET已取得了长足的发展,现已成为中小功率应用领域的主流开关器件。目前,功率MOSFET最高频率为120MHz,对应功率为300W。常用的VDMOS单管电压为600~800V,SJMOS单管电压为900~1000V,模块为1000V~1200V。功率MOSFET 未来仍将向更高频率、超低导通电阻及更高电压方向发展。采用SiC材料可以开发性能更好的功率MOSFET。Infineon公司SiC MOSFET容量为1200V/10A/0.27Ω,美国Cree公司SiCMOSFET容量为1200V/10A/0.27Ω与2300V/5A/0.45Ω。

