艾尚美108A窗纱一体铝合金平开窗 通过国家产品质量监督抽查
各项检测指标均高于国家标准
好品牌出好产品,这好像是真理般存在于市场
艾尚美门窗一直以匠人的要求着自身,

从缔造行业首款防盗报警门窗——108A二合一平开窗。
到行业首个一体式双层无尘车间的建设,
艾尚美门窗品牌上下迈入工业4.0
所有举措都是以“不忘初心”“方得始终”的门窗匠者精神来对待每一款产品
在2017年艾尚美108A窗纱一体铝合金平开窗,在行业最为火爆的108门窗
高端、智能、防盗、报警,拥有超强功能性与性价比
在门窗各项功能性指标都远高于国家标准是一款名副其实的好窗
艾尚美108A窗纱一体铝合金平开窗
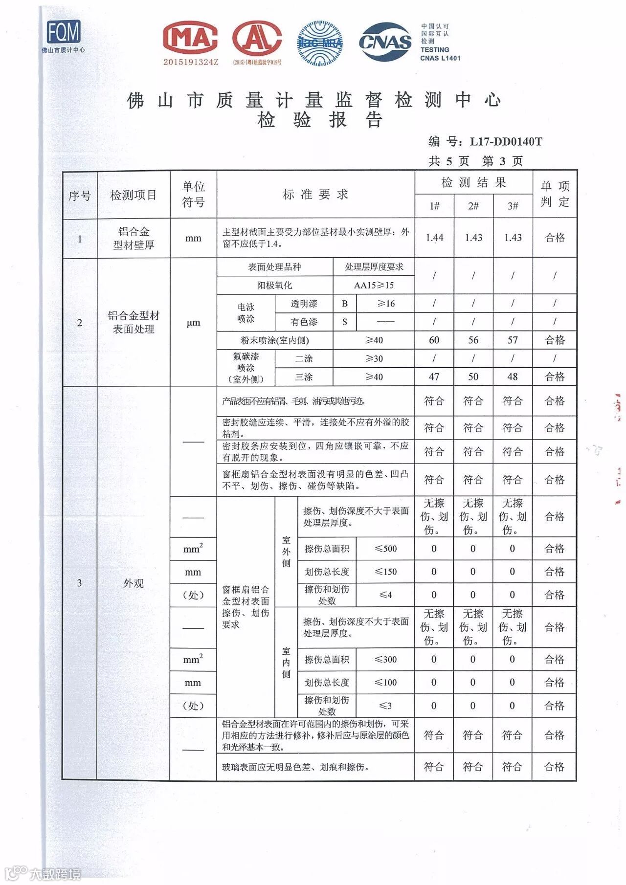
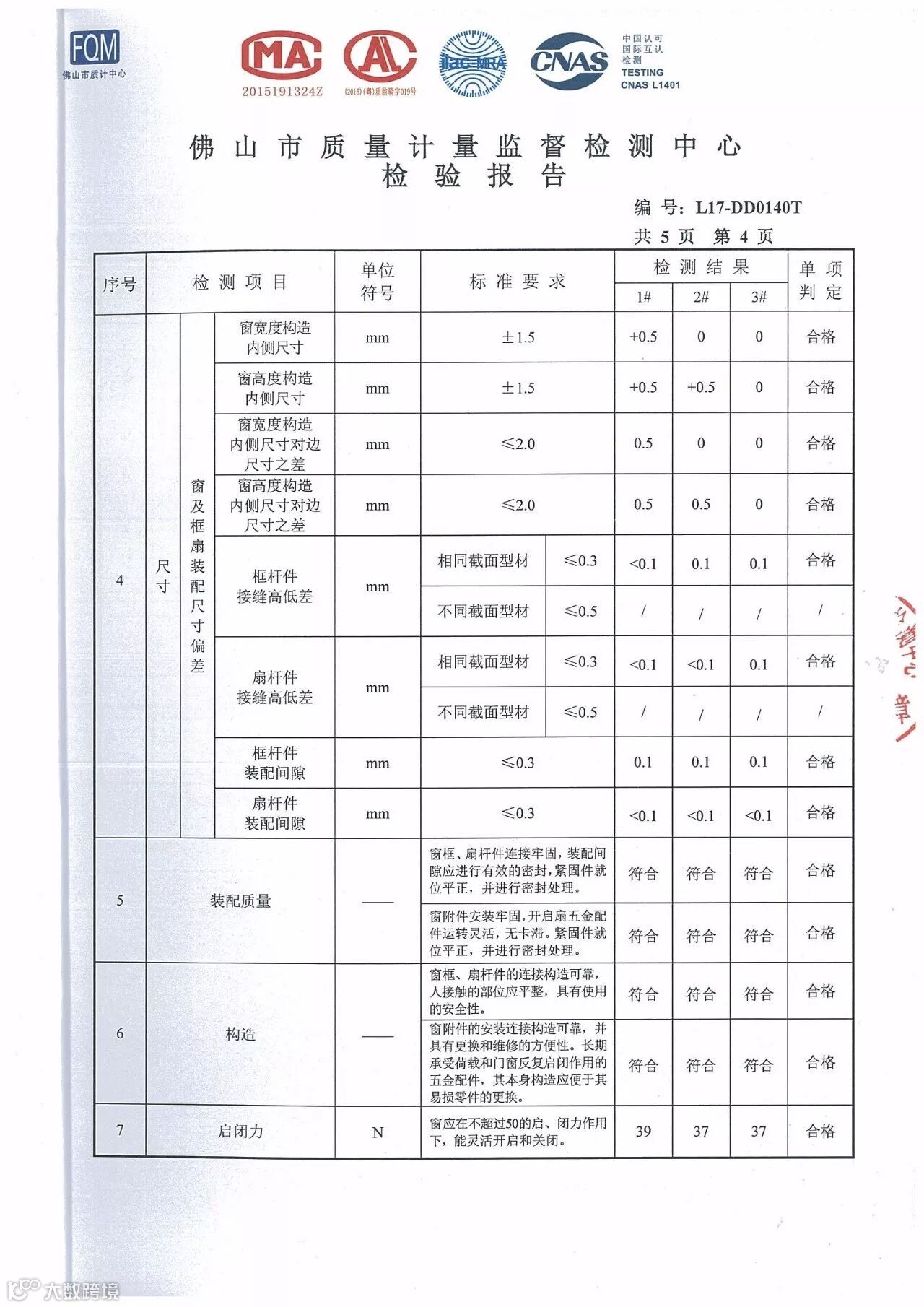
产品质量监督抽查检验报告
艾尚美108A各性能指标均高于国家标准
抗风压九级 水密性5级 气密性正压8级,负压8级
所有门窗重要指标均高于国家标准
如你所见,在国家质量监督抽查检验,艾尚美门窗以高出国家标准的姿态通过了检测
艾尚美从不喊口号,最完美的门窗一直是艾尚美人努力的方向

艾尚美108A二合一平开窗,
一款真正的好门窗,你值得拥有!!
ISUMER
艾尚美·门窗纱窗
艾尚美,家更美
品牌资讯热线:4008-038-488
















