

对照《活性炭吸附装置入户核查要求》,从设计风量、设备质量、气体流速、活性炭质量及填充量等六个方面进行现场核查。对于其中有一项或多项指标不达标的,要求企业按照相关标准规范逐项整改,并给出整改期限。
江苏省生态环境厅文件
苏环办[2022]218号
活性炭吸附装置入户核查基本要求
活性炭罐内部结构示意图
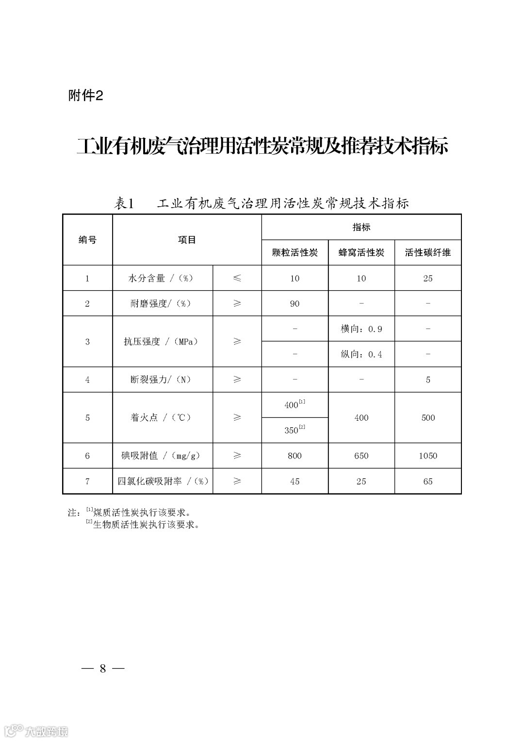
工业有机废气治理用活性炭常规及推荐技术指标


企业有我,环保无忧


来源:北极星VOCs在线 整理:环保莞家

声明:本公众号对转载分享、陈述引用的资料信息保持中立,目的仅在于行业交流,非商业用途,版权归原作者所有。如涉知识产权等问题,请与本号后台小编联系,我们可及时作删除内容处理!点击下方“阅读原文”了解更多...


