大数跨境

环保服务 l 开厂办企业常见和需办理的环保手续有哪些,办好后是什么样子的?

环保服务 l 开厂办企业常见和需办理的环保手续有哪些,办好后是什么样子的? 环保莞家
2024-10-22
2

怡美环保“环保管家”服务介绍   >>

  企业环保管理“一企一档”资料清单

  项目在投入运行前,需办理的环保手续及顺序

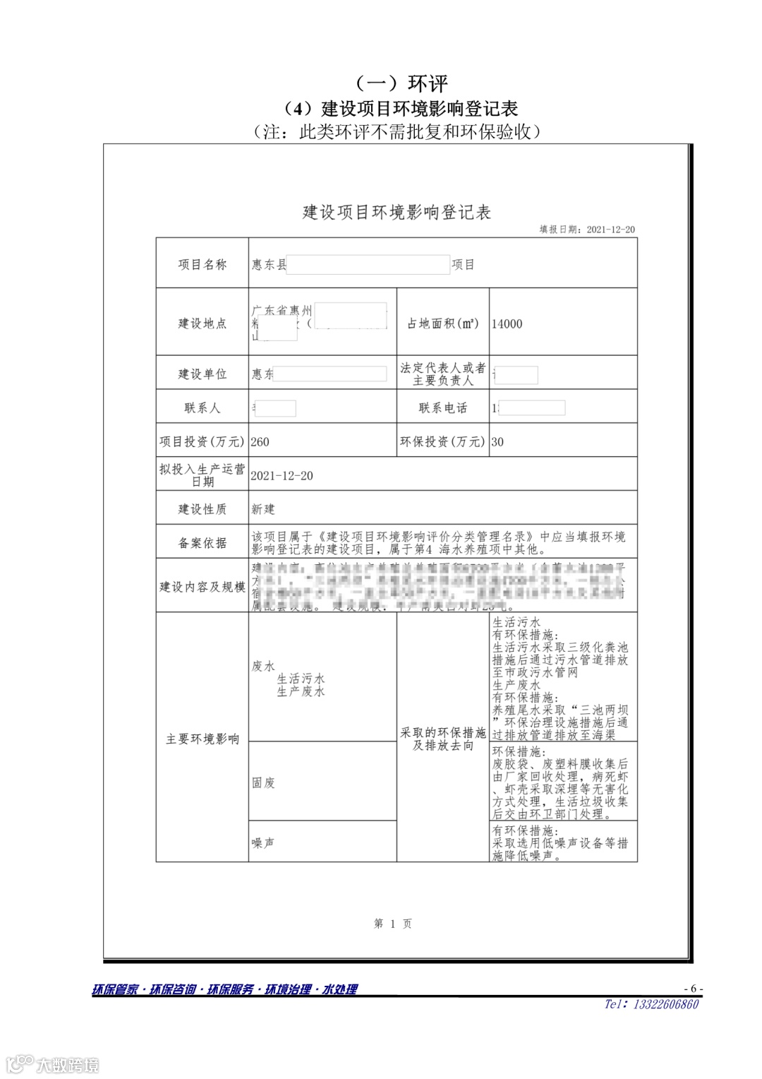
一、环评手续
  


建设项目规划选址与工业用地证明材料样例

二、排污许可手续
  


排污许可证执行报告季报、年报提交期限与要求

三、危险废物管理手续
  


环评、环保验收必须签订危废处置合同吗?

危废委托处置合同为什么一般需要一年一续?法规规定危废贮存不得超过一年

四、环境应急预案手续
  


环境应急预案的修订、备案等,三年后必须进行回顾性评估吗?

2024 最新“突发环境事件应急预案”备案综合手册

企事业单位应急预案应急演练频次

五、环境检测(监测)报告
  

六、建设项目竣工环境保护验收报告
  


建设单位自主建设项目竣工环境保护验收流程



声明:本公众号所发布的内容含其转载引用的资讯素材来自互联网或官方等合法公开渠道。本号对所发布的内容保持立场和观点中立,仅供本公众号主体内部人员学习探讨、行业交流和参考分享。所转载引用的素材版权归原作者所有,如有涉知识产权等问题,请及时与本号小编联系,本号可酌情对所发布内容作修改、删撤等方式处理。整理不易,转载、引用本号内容请注明来自本号。

  企业有我,环保无忧! 

‍‍‍‍惠州环保管家(东莞怡美驻惠州办事处)

【声明】内容源于网络
0
0
环保莞家
内容 632
粉丝 0
环保莞家
总阅读147
粉丝0
内容632