常用拉米诺链接方式
应用连接结构:一般都用于外框连接,板件厚度大于16MM大部分为直角连接,也可45°斜角连接,如下:
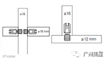
P-14连接件:适用于开放柜框连接(无开孔),开架,中竖板,18mm中侧板顶底板在同一直线连接
2、P-10连接件
3、P15/10连接件
4、P18连接件
应用连接结构:如下图,十字直角连接、T字直角连接,适用层板,中隔板后装连接。
涉及孔槽信息:侧板(中立板)用钻头打孔,孔径8mmx深9mm,距前44mm ,为32mm孔距,如下图:
数控加工
以下是加工的NC示范:
设备组一、锯片加工




拉米诺的综合工艺构成和软件设置
步骤一:建立酷家乐模型体系


步骤三:设置拉米诺各种部件的基础长宽高,以为NC输送正确参数。

步骤四:配置全套模型的拉米诺工艺(一次性工作)

按以上以上步骤,你就可以随意百变地、极速做出任意符合你们工厂的拉米诺全案加工了。

(Mobile:1380 250 8781)

共享云科技·长按关注
![]()
巨大创意园·共享云智能科技 设计生产一体化平台:www.egui.me |



