全屋E柜卢总:

如果在一个综合柜体实现全套拉米诺安装,配件价格也是比较昂贵的,所以在国内,有先行的工厂希望把二合一、三合一和拉米诺混合使用,例如脚线、顶线、拉条等用三合一,这是国内现实可行的方案。但是要做到这样的效果,必须要从工艺配套入手,用普通的拆单软件画个柜子,四面装上拉米诺的做法是不可取的,只能做有限的几个产品,不能量产的。
常用拉米诺链接方式
应用连接结构:一般都用于外框连接,板件厚度大于16MM大部分为直角连接,也可45°斜角连接,如下:
P-14连接件:适用于开放柜框连接(无开孔),开架,中竖板,18mm中侧板顶底板在同一直线连接
2、P-10连接件
3、P15/10连接件
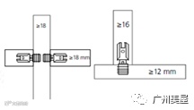
4、P18连接件
应用连接结构:如下图,十字直角连接、T字直角连接,适用层板,中隔板后装连接。
涉及孔槽信息:侧板(中立板)用钻头打孔,孔径8mmx深9mm,距前44mm ,为32mm孔距,如下图:
数控加工
以下是加工的NC示范:
设备组一、锯片加工




拉米诺的综合工艺构成和软件设置
步骤一:建立酷家乐模型体系


步骤三:设置拉米诺各种部件的基础长宽高,以为NC输送正确参数。

步骤四:配置全套模型的拉米诺工艺(一次性工作)

按以上以上步骤,你就可以随意百变地、极速做出任意符合你们工厂的拉米诺全案加工了。
工程师/资料提供 | 卢工
编辑 | 怼怼


(Mobile:1380 250 8781)

共享云科技·长按关注
![]()
巨大创意园·共享云智能科技 设计生产一体化平台:www.egui.me |



