库卡部分型号的工业机器人在腕部集成有电磁阀,用于驱动机器人六轴末端的夹具或其他执行器。本文以 KUKA AGILUS sixx KR900 系列型号机器人为例,讲解如何使用库卡机器人内部的电磁阀。
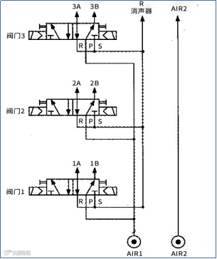
KR900 机器人在腕部集成有三个双稳态三位五通电磁阀,阀门由内部供电系统控制。电磁阀参数如表 1 所示:
名称 |
参数 |
阀门型号 |
三位五通电磁阀 |
最高压力 |
7 bar |
开关频率 |
10 Hz |
工作温度 |
+5 °C 至 +45 °C 无冷凝水 |
接头螺纹 |
M 5 |
工作媒介 |
空气,无油,经过滤,过滤精度最大5 um |
工作电压 |
DC 24 V |
工作电流 |
25 mA |
电磁阀气路图如图1所示:


