所谓超轻材料(ULW),是指一类密度小于10mg/cm³的超轻、高比强、高比刚、耐热性好的新型材料。
超轻材料的性能主要取决于它的结构(孔隙、固体成分的分布)和固体成分的性能(刚度、强度等)。
按照结构的不同,本文将从气凝胶,泡沫材料和微点阵材料三大方面展开叙述。
阅前必知
比强度:
比强度是材料的强度(断开时单位面积所受的力)除以其表观密度。
比强度越高表明达到相应强度所用的材料质量越轻。
比刚度:
比刚度是指材料的弹性模量与其密度的比值,亦称为“比模数” 或“比弹性模量”。
比刚度较高说明相同刚度下材料重量更轻,或相同质量下刚度更大。
气凝胶:
当凝胶脱去大部分溶剂,使凝胶中液体含量比固体含量少得多,或凝胶的空间网状结构中充满的介质是气体,外表呈固体状,这即为干凝胶,也称为气凝胶。
泡沫材料:
一种多孔材料,即一种由相互贯通或封闭的孔洞构成网络结构的材料。
相对连续介质材料而言, 一般具有相对密度低、比强度高、比表面积高、重量轻、隔音、隔热、渗透性好等优点。
微点阵材料:
作为一种周期性多孔结构,可以认为是某种单胞通过大量相同的点阵单元周期性地组合而成。
点阵结构比强度和比刚度高,在低密度结构中有较大的力学性能优势。
1.气凝胶
气凝胶是一种纳米多孔轻质材料,具有高比表面积和高孔隙率,且结构可控,目前在热、光、电、力、声学等领域都有着广阔的应用前景。
按成分不同,分为二氧化硅气凝胶、氧化铝气凝胶、氧化锆气凝胶和碳气凝胶等。
按材质的不同,分为硅系气凝胶和碳系气凝胶。
1.1 硅系气凝胶
硅系的气凝胶是气凝胶中最传统最常见的一类。气凝胶因纳米多孔网络结构,孔隙率高达80~99.8%,室温导热系数可低达0.013w/(m•k),是当前国内外市场绝热性能最佳的材料。
新型气凝胶是由美国国家宇航局下属的“喷气推进实验室”材料科学家史蒂芬·琼斯博士研制的。它的主要成分同玻璃一样也是二氧化硅,但因为它99.8%都是空气,所以密度只有玻璃的千分之一。从外观上看,这种气凝胶呈半透明淡蓝色,重量极轻,因此人们也把它称为“固态烟”。
@NASA StevenM.Jones. J Sol-Gel Sci. Techn. (2006) 40:351–357
目前制约气凝胶市场拓展的最大障碍是高昂的价格,可以预见的是,一旦气凝胶材料的生产成本得以显著下降,市场规模便会随之急剧扩大,产品销量也会迅速提升,并将革命性地替代传统绝热材料。
1.2 碳系气凝胶
碳系气凝胶又可分为碳纳米管气凝胶、石墨烯气凝胶、碳纳米管⁃石墨烯复合气凝胶以及碳纳米纤维气凝胶。目前,石墨烯气凝胶(Graphene Aerogels)简记为GA,就是研究热点.。
2013年3月,浙江大学高分子系高超教授的课题组制备出一种0.16mg/cm³的超轻气凝胶,为空气密度的六分之一,它刷新了世界上最轻固态材料0.18mg/cm³的纪录(2011年)。下图是经典配图之二。

@Sun H Y,Xu Z,Gao C.Adv.Mater.,2013,25:2554.
2016年东华大学纳米纤维研究团队利用普通的静电纺丝的方法研发出密度仅为每立方厘米0.12毫克的“纤维气凝胶”,成为新的世界最轻材科。
2017年,美国麻省理工学院研究人员以石墨烯为基础,通过压缩和熔合石墨烯片制造出了一种新材料结构。该结构能够在热量和压力作用下,仍呈现超轻材料应有的特征:尽管质轻,但强度极高,据研究人员称可达到钢铁的10倍左右。以下是经典配图之一。
2.泡沫材料
泡沫材料是一种含有无序孔隙的多孔材料。需注意的是,多孔材料按照规则程度划分为两种类型,一类是无序多孔材料,如气凝胶和泡沫材料,另一类是有序多孔结构的材料,如点阵材料。
本文提到的超轻材料三大类气凝胶、泡沫材料和点阵材料均属于多孔材料。泡沫材料按照泡沫材质的不同,可分为金属泡沫,聚合物泡沫和碳系泡沫。
2.1 金属泡沫
泡沫金属是指含有泡沫气孔的特种金属材料。
泡沫金属的孔隙度常常达到90%以上,孔隙直径可达至毫米级,透气性很高,几乎都是连通孔,孔隙比表面积大,材料容重很小,具有一定强度和刚度。
已使用的泡沫金属有铝、镍及其合金,此外,泡沫铜也拥有一定的发展空间。
@Murray Raney Ind. Eng.Chem.,1940, 32 (9), pp 1199–1203 PublicationDate: September 1940
泡沫金属具有一定的强度、延展性和可加性,可作轻质结构材料。这种材料很早就用于飞机夹合件的芯材。在航空航天和导弹工业中,泡沫金属被用作轻质、传热的支撑结构。
C919是中国首款具有完全自主知识产权的大型客机。飞机机翼壁板的铝合金由国内东轻公司生产,具有轻量化、高强度等诸多优良性能,是航空领域铝合金轻量化开发的标志性成果之一。
但是,随着碳系泡沫以及点阵材料的出现,金属泡沫不论是受材质还是结构的限制,都在一定程度影响了市场前景。而且,金属泡沫的密度虽属于轻质,但实际上达到超轻范围的却不多。
2.2聚合物泡沫
聚合物泡沫同样具备轻质高强的性质,同时由于聚合物特有的性质,聚合物通常具有形状可塑性以及记忆功能。
国外研究人员Singha 等利用二氧化碳气体发泡的方法制备得到一种密度为 15mg/cm³的聚氨酯泡沫.这种聚合物泡沫材料最大的特点是形状记忆功能好,并且具有生物相容性。
还有一种低密度的大孔聚乳酸泡沫可以通过碳氢化合物颗粒做模板来制备。Shastri等人用碳氢化合物颗粒做模版,成功控制了泡沫空隙的孔径大小和形状,使材料具备了更高的可塑性,这将对进一步应用于固体支撑,机械绝缘体和医疗设备等方面提供了更优选择。
@RaoC N R,Sood A K,Rakesh V, et a1. Phys ChemLett . 2010
2.3碳系泡沫
碳系泡沫由金属泡沫作催化剂在其基础上加工得来,但与金属泡沫相比,碳系泡沫具有更多的功能。
2015年9月24日,中国科学院上海硅酸盐研究所的研究人员利用细小的管状石墨烯构成一个拥有与钻石同等稳定性的蜂窝状结构,创造出了一种石墨烯泡沫材料。这种新材料能够支撑起相当于其自身重量40万倍的物体而不发生弯曲。
这种石墨烯泡沫承受了力度超过每平方英寸1.45万磅的外力的重击——几乎相当于在世界海洋最深处——约10.9千米深——位于美国关岛沿海的马里亚纳海沟,即所谓的“挑战者”号海渊的压力。
3.微点阵材料
微点阵材料与泡沫相比是一种周期性有序的多孔材料。
与金属泡沫材料相比,金属点阵结构性能上可控制,强度和模量比金属泡沫材料高出一个量级,承载效率更高。
与传统的固体材料相比,金属点阵材料的密度大大降低,具有相同性能的点阵结构可以减重达70%以上。从下图就可以看出点阵材料在机械强度方面的优势。
图中标识强度为拉伸强度,除陶瓷为抗压强度。高强度且低密度的材料位于图形的左上部分。
3.1 金属微点阵材料
金属微点阵材料是最先出现的微点阵材料的类型。
2011年,美国加州大学欧文分校和加州理工大学的研究者利用自蔓延光聚合法得到的硫醇⁃烯聚合物微点阵作为模板,在模板上进行化学镀镍,之后将模板刻蚀掉,即可得到正八面体空心管微晶格镍材料。
@Schaedler T A,Jacoson AJ,Torrents A,Sorensen A E,LianJ,GreerJ R,Valdevit L,
Carter W B.Science:2011,334:962.
Schaedler 等研究人员通过此法首次制备出了结构可控、材料利用率高的超轻多孔微点阵材料。该点阵结构由0.01%的固体和99.99%的空气组成,密度仅为0.9mg/cm³,比之前世界上最轻的材料硅土气凝胶(密度为1mg/cm³)还轻,故而被称为2011年世界上最轻的材料,该材料能量吸收强度与弹性体相似。
3.2陶瓷微点阵材料
传统陶瓷的强度、硬度较高,耐高温、抗腐蚀性好,但对裂纹敏感,所以对于结构材料来说,并不是最优的选择。
陶瓷点阵材料可在一定程度上克服传统陶瓷脆性大缺点。
国外研究人员Meza 曾在《Science》杂志上发表了一项研究成果,证实了纳米级的陶瓷材料可以同时具备超轻、比强度高等特性,当压力达到50%时,仍可恢复原形。
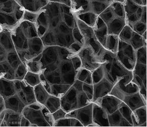
Meza通过双光子光刻技术制备聚合物模型作为模板,通过原子层沉积镀上一层纳米级的氧化铝膜,再通过氧气等离子体将聚合物模板刻蚀掉,得到厚度为5-60nm的中空氧化铝陶瓷点阵(下图),对应的密度为6.3-258mg/cm³。
图:中空氧化铝纳米点阵:(a)170×220 m㎡ 自支撑石墨烯泡沫的照片;(b) 石墨烯泡沫的SEM 照片
@陈济桁,陈亚莉.国外航空超轻材料技术最新进展[J].高科技与产业化,2016(08):52-55
3.3 碳系微点阵材料
微点阵材料作为一种可设计性很强的新型超轻材料种类,已经得到了一些性能优异的超轻材料。与3D 打印等科技的结合也为点阵材料的发展提供支持和保证。 这种材料的结构更利于得到力学性能强的超轻材料,这就更加促进了材料向密度低、力学性能强方向发展。
@《Science》August 15, 2013.
co-authored bypostdoc Kenneth Cheung and Neil Gershenfeld, director of MIT’s Center for Bitsand Atoms.
Jiang等研究人员利用3D 打印技术得到了金刚石结构的高聚物模型,通过化学镀镍、烧蚀模板的方法得到了密度为19 mg/cm³的空心镍微点阵(下图),接近超轻材料的范围。
图:空心镍微点阵(a)空心镍微点阵的照片(b)空心镍微点阵金刚石结构的 SEM照片
@高燕周永风杨青林郭林江雷等仿生智能界面科学与技术教育部重点实验室仿生能源材料与器件北京市重点实验室
编辑:周洁 孟真
——END——
参考文献:(不分先后)
1. Schaedler T A,Jacoson AJ,Torrents A,Sorensen A E,LianJ,Greer JR,Valdevit L,Carter W B.Science:2011,334:962.
2. Dorcheh A S,Abbaai M H. J. Matet. Proc. Technol.,2008,199:10.
3. Tappan B C,Huynh M H,Hiskey MA,Chavez D E,Luther E P,MAng J T,Son S F.J. Am. Chem. Soc.,2006,128:6589.
4. Mecklenburg M, SchuchardtA,Mishra Y K, Kaps S,Adelung R,Lotnyk A,Kienle L,Schulte K.Adv.Matet.,2012,24:3486.
5. Sun H Y,Xu Z,Gao C.Adv.Mater.,2013,25:2554.
6. QianY Q, ISMAIL I M,SteinA.Carbon,2014,68:221.
7. Jiang F,Hsich Y L. J.Mater.Chem.A,2014,2:350.
8. Meza L R,DAd S,Greer J R.Science,2014,345:1332.
9. Tong X G,Wang F,Feng H T,An S W.Materials Review,2006,5(20):24.
10. Xu Y X,Sheng K X,Li C,Shi G Q.ACS Nano,2010,4:4324.
11. Chen X,Li Y X,Materials Review,2003,5(17):5.
12. Banhart J.Prog. Mater. Sci.,2001,46:559.
13. Dong X C,Wang X W,Wang L H,Song H,Zhang H, Huang W,Chen P.ACS Appl.Mater.Interfaces,2012,4:3129.
14. Singhal P,Rodriguez J N,Small W,Eagleston S, Vande Water J,Maitland D J,Wilson T S. J.Polym.Sci. ,Part B:Polym.phys.,2012,50:724.
15. Shastri V P,Martin I,Langet R.PNADS ,2000,197(5):1970
16. Maloney K J,Roper C S,Jacobsen A J,Carter W B, Valdevit L, Schaedler T A.APL Mater.,2013,1:1.
17.Lian J,Jang D C, Valdevit L, Schaedlet T A, Jacobsen A J,Cartet WB,Greer J R.Nano Lett.,2011,11:4118.
18. Han Hu, Zongbin Zhao, Wubo Wan, Yury Gogotsi, Jieshan Qiu, Ultrlight andHighly Compressible Graphene Aerogels, Adv.Mater. 2013,25,2219-2223
19. Jihao Li, Meng Hu et al,Ultra-Light, Compressible and Fire-Resistant Graphene Aerogel as A Highly Efficientand Recyclable Absorbent for Organic Liquids, J.Mater.Chem.A, 2014,2, 2934-2941
20. Liang Chen , Bin Wei , Xuetong Zhang , Chun Li, Bifunctional Graphene/ γ-Fe 2 O 3 Hybrid Aerogels with Double Nanocrystalline Networks for EnzymeImmobilization, Small, 2013(9), 13, 2331–2340
21. Zhong-Shuai Wu,Xinliang Feng etal, 3D Nitrogen-Doped Graphene Aerogel-Supported Fe3O4 .Nanoparticles asEfficient Electrocatalysts for the Oxygen Reduction Reaction, J.Am.Chem.Soc.2012,134, 9082-9085
22. 陈济桁,陈亚莉.国外航空超轻材料技术最新进展[J].高科技与产业化,2016(08):52-55
23. 卢天健,何德坪,陈常青,赵长颖,方岱宁,王晓林.超轻多孔金属材料的多功能特性及应用[J].力学进展,2006(04):517-535.
小编有话说
说了这么多,其实仅仅是超轻材料庞大世界的冰山一角,了解更多有关超轻材料的知识,广泛阅读文献和及时关注国内外研究动态是必不可少的。
如果你想更快更直接的第一时间掌握更多科研知识与最新成果,请点击上方蓝字,关注我们,后续我们会汇总近期国内外最新科技评论与综述文章等,及时更新有价值的科研成果以及让你眼前一亮的玩味科学知识。
“一文带你走进XX世界”系列将为你一键实现大量阅读,以优质内容最大程度地优化你的时间!
快,关注这个公众号,一起涨姿势~

免责声明:本文涉及的研究成果均来源于国内外文献,部分图片来源于网络,由本公众号整理发出。本文旨在传递更多科研信息及分享,提供志同道合者的交流平台。如涉及侵权,请联系下方邮箱,我们将及时进行修改或删除。转载请注明出处,如原创内容转载需授权,请联系下方微信号。
邮箱:zunzun@imeta-center.com
微信号:Jessica_2313


