数字电子电路中的后起之秀是数字逻辑电路。把它叫做数字电路是因为电路中传递的虽然也是脉冲,但这些脉冲是用来表示二进制数码的,例如用高电平表示“ 1 ”,低电平表示“ 0 ”。声音图像文字等信息经过数字化处理后变成了一串串电脉冲,它们被称为数字信号。能处理数字信号的电路就称为数字电路。
这种电路同时又被叫做逻辑电路,那是因为电路中的“ 1 ”和“ 0 ”还具有逻辑意义,例如逻辑“ 1 ”和逻辑“ 0 ”可以分别表示电路的接通和断开、事件的是和否、逻辑推理的真和假等等。电路的输出和输入之间是一种逻辑关系。这种电路除了能进行二进制算术运算外还能完成逻辑运算和具有逻辑推理能力,所以才把它叫做逻辑电路。
由于数字逻辑电路有易于集成、传输质量高、有运算和逻辑推理能力等优点,因此被广泛用于计算机、自动控制、通信、测量等领域。一般家电产品中,如定时器、告警器、控制器、电子钟表、电子玩具等都要用数字逻辑电路。
数字逻辑电路的第一个特点是为了突出“逻辑”两个字,使用的是独特的图形符号。数字逻辑电路中有门电路和触发器两种基本单元电路,它们都是以晶体管和电阻等元件组成的,但在逻辑电路中我们只用几个简化了的图形符号去表示它们,而不画出它们的具体电路,也不管它们使用多高电压,是 TTL 电路还是 CMOS 电路等等。按逻辑功能要求把这些图形符号组合起来画成的图就是逻辑电路图,它完全不同于一般的放大振荡或脉冲电路图。
数字电路中有关信息是包含在 0 和 1 的数字组合内的,所以只要电路能明显地区分开 0 和 1 , 0 和 1 的组合关系没有破坏就行,脉冲波形的好坏我们是不大理会的。所以数字逻辑电路的第二个特点是我们主要关心它能完成什么样的逻辑功能,较少考虑它的电气参数性能等问题。也因为这个原因,数字逻辑电路中使用了一些特殊的表达方法如真值表、特征方程等,还使用一些特殊的分析工具如逻辑代数、卡诺图等等,这些也都与放大振荡电路不同。
( 1 )门电路
门电路可以看成是数字逻辑电路中最简单的元件。目前有大量集成化产品可供选用。
最基本的门电路有 3 种:非门、与门和或门。非门就是反相器,它把输入的 0 信号变成 1 , 1 变成 0 。这种逻辑功能叫“非”,如果输入是 A ,输出写成 P=A 。与门有 2 个以上输入,它的功能是当输入都是 1 时,输出才是 1 。这种功能也叫逻辑乘,如果输入是 A 、 B ,输出写成 P=A·B 。或门也有 2 个以上输入,它的功能是输入有一个 1 时,输出就是 1 。这种功能也叫逻辑加,输出就写成 P=A + B 。
把这三种基本门电路组合起来可以得到各种复合门电路,如与门加非门成与非门,或门加非门成或非门。图 1 是它们的图形符号和真值表。此外还有与或非门、异或门等等。

数字集成电路有 TTL 、 HTL 、 CMOS 等多种,所用的电源电压和极性也不同,但只要它们有相同的逻辑功能,就用相同的逻辑符号。而且一般都规定高电平为 1 、低电平为 0 。
( 2 )触发器
触发器实际上就是脉冲电路中的双稳电路,它的电路和功能都比门电路复杂,它也可看成是数字逻辑电路中的元件。目前也已有集成化产品可供选用。常用的触发器有 D 触发器和 J—K 触发器。
D 触发器有一个输入端 D 和一个时钟信号输入端 CP ,为了区别在 CP 端加有箭头。它有两个输出端,一个是 Q 一个是 Q ,加有小圈的输出端是 Q 端。另外它还有两个预置端 R D 和 S D ,平时正常工作时要 R D 和 S D 端都加高电平 1 ,如果使 R D =0 ( S D 仍为 1 ),则触发器被置成 Q=0 ;如果使 S D =0 ( R D =1 ),则被置成 Q=1 。因此 R D 端称为置 0 端, S D 端称为置 1 端。 D 触发器的逻辑符号见图 2 ,图中 Q 、 D 、 SD 端画在同一侧; Q 、R D 画在另一侧。 R D 和 S D 都带小圆圈,表示要加上低电平才有效。

D 触发器是受 CP 和 D 端双重控制的, CP 加高电平 1 时,它的输出和 D 的状态相同。如 D=0 , CP 来到后, Q=0 ;如 D=1 , CP 来到后, Q=1 。 CP 脉冲起控制开门作用,如果 CP=0 ,则不管 D 是什么状态,触发器都维持原来状态不变。这样的逻辑功能画成表格就称为功能表或特性表,见图 2 。表中 Q n+1 表示加上触发信号后变成的状态, Qn 是原来的状态。“ X ”表示是 0 或 1 的任意状态。
有的 D 触发器有几个 D 输入端: D 1 、 D 2 … 它们之间是逻辑与的关系,也就是只有当 D 1 、 D 2 … 都是 1 时,输出端 Q 才是 1 。
另一种性能更完善的触发器叫 J - K 触发器。它有两个输入端: J 端和 K 端,一个 CP 端,两个预置端: R D 端和 S D 端,以及两个输出端: Q 和 Q 端。它的逻辑符号见图 3 。 J - K 触发器是在 CP 脉冲的下阵沿触发翻转的,所以在 CP 端画一个小圆圈以示区别。图中, J 、 S D 、 Q 画在同一侧, K 、 R D 、 Q 画在另一侧。

J - K 触发器的逻辑功能见图 3 。有 CP 脉冲时(即 CP=1 ): J 、 K 都为 0 ,触发器状态不变; Q n + 1 =Qn , J = 0 、 K=1 ,触发器被置 0 : Q n + 1 =0 ; J=1 、 K=0 , Q n+1 =1 ; J=1 、 K=1 ,触发器翻转一下: Q n + 1 =Qn 。如果不加时钟脉冲,即 CP=0 时,不管 J 、 K 端是什么状态,触发器都维持原来状态不变: Q n + 1 =Qn 。有的 J—K 触发器同时有好几个 J 端和 K 端, J 1 、 J 2 … 和 K 1 、 K 2 … 之间都是逻辑与的关系。有的 J - K 触发器是在 CP 的上升沿触发翻转的,这时它的逻辑符号图的 CP 端就不带小圆圈。也有的时候为了使图更简洁,常常把 R D 和 S D 端省略不画。
能够把数字、字母变换成二进制数码的电路称为编码器。反过来能把二进制数码还原成数字、字母的电路就称为译码器。
( 1 )编码器
图 4 ( a )是一个能把十进制数变成二进制码的编码器。一个十进制数被表示成二进制码必须 4 位,常用的码是使从低到高的每一位二进制码相当于十进制数的 1 、 2 、 4 、 8 ,这种码称为 8 - 4 - 2 - 1 码或简称 BCD 码。所以这种编码器就称为“ 10 线 -4 线编码器”或“ DEC / BCD 编码器”。
从图看到,它是由与非门组成的。有 10 个输入端,用按键控制,平时按键悬空相当于接高电平 1 。它有 4 个输出端 ABCD ,输出 8421 码。如果按下“ 1 ”键,与“ 1 ”键对应的线被接地,等于输入低电平 0 、于是门 D 输出为 1 ,整个输出成 0001 。

如按下“ 7 ”键,则 B 门、 C 门、 D 门输出为 1 ,整个输出成 0111 。如果把这些电路都做在一个集成片内,便得到集成化的 10 线 4 线编码器,它的逻辑符号见图 4 ( b )。左侧有 10 个输入端,带小圆圈表示要用低电平,右侧有 4 个输出端,从上到下按从低到高排列。使用时可以直接选用。
( 2 )译码器
要把二进制码还原成十进制数就要用译码器。它也是由门电路组成的,现在也有集成化产品供选用。图 5 是一个 4 线 —10 线译码器。它的左侧为 4 个二进制码的输入端,右侧有 10 个输出端,从上到下按 0 、 1 、 …9 排列表示 10 个十进制数。输出端带小圆圈表示低电平有效。平时 10 个输出端都是高电平 1 ,如输入为 1001 码,输出“ 9 ”端为低电平 0 ,其余 9 根线仍为高电平 1 ,这表示“ 9 ”线被译中。
二极管,如每段都接低电平 0 ,七段都被点亮,显示出数字“ 8 ”;如 b 、 c 段接低电平 0 ,其余都接 1 ,显示的是“ 1 ”。可见要把十进制数用七段显示管显示出来还要经过一次译码。如果使用“ 4 线 —7 线译码器”和显示管配合使用,就很简单,输入二进制码可直接显示十进制数,见图 6 。译码器左侧有 4 个二进制码的输入端,右侧有 7 个输出可直接和数码管相连。左上侧另有一个灭灯控制端 I B ,正常工作时应加高电平 1 ,如不需要这位数字显示就在 I B 上加低电平 0 ,就可使这位数字熄灭。

如果要想把十进制数显示出来,就要使用数码管。现以共阳极发光二极管( LED )七段数码显示管为例,见图 6 。它有七段发光。

( 1 )寄存器
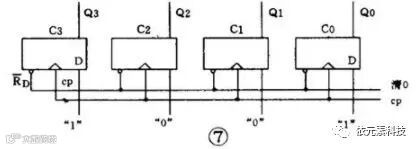
能够把二进制数码存贮起来的的部件叫数码寄存器,简称寄存器。图 7 是用 4 个 D 触发器组成的寄存器,它能存贮 4 位二进制数。 4 个 CP 端连在一起作为控制端,只有 CP=1 时它才接收和存贮数码。 4 个 R D 端连在一起成为整个寄存器的清零端。如果要存贮二进制码 1001 ,只要把它们分别加到触发器 D 端,当 CP 来到后 4 个触发器从高到低分别被置成 1 、 0 、 0 、 1 ,并一直保持到下一次输入数据之前。要想取出这串数码可以从触发器的 Q 端取出。

( 2 )移位寄存器
有移位功能的寄存器叫移位寄存器,它可以是左移的、右移的,也可是双向移位的。
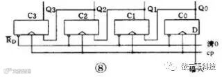
图 8 是一个能把数码逐位左移的寄存器。它和一般寄存器不同的是:数码是逐位串行输入并加在最低位的 D 端,然后把低位的 Q 端连到高一位的 D 端。这时 CP 称为移位脉冲。

先从 R D 端送低电平清零,使寄存器成 0000 状态。假定要输入的数码是 1001 ,输入的次序是先高后低逐位输入。第 1 个 CP 后, 1 被打入第 1 个触发器,寄存器成 0001 ;第 2 个 CP 后, Qo 的 1 被移入 Q 1 ,新的 0 打入 D 1 ,成为 0010 ;第 3 个 CP 后,成为 0100 ;第 4 个 CP 后,成为 1001 。
可见经过 4 个 CP ,寄存器就寄存了 4 位二进制码 1001 。目前已有品种繁多的集成化寄存器供选用。
( 1 )计数器
能对脉冲进行计数的部件叫计数器。计数器品种繁多,有作累加计数的称为加法计数器,有作递减计数的称为减法计数器;按触发器翻转来分又有同步计数器和异步计数器;按数制来分又有二进制计数器、十进制计数器和其它进位制的计数器等等。
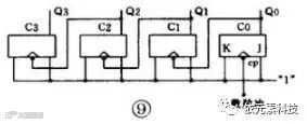
现举一个最简单的加法计数器为例,见图 9 。它是一个 16 进制计数器,最大计数值是 1111 ,相当于十进制数 15 。需要计数的脉冲加到最低位触发器的 CP 端上,所有的 J 、 K 端都接高电平 1 ,各触发器 Q 端接到相邻高一位触发器的 CP 端上。 J—K 触发器的特性表告诉我们:当 J=1 、 K=1 时来一个 CP ,触发器便翻转一次。在全部清零后, ① 第 1 个 CP 后沿,触发器 C0 翻转成 Q0=1 ,其余 3 个触发器仍保持 0 态,整个计数器的状态是 0001 。 ② 第 2 个 CP 后沿,触发器 C0 又翻转成“ Q0=0 , C1 翻转成 Q1=1 ,计数器成 0010 。 …… 到第 15 个 CP 后沿,计数器成 1111 。可见这个计数器确实能对 CP 脉冲计数。

( 2 )分频器
计数器的第一个触发器是每隔 2 个 CP 送出一个进位脉冲,所以每个触发器就是一个 2 分频的分频器, 16 进制计数器就是一个 16 分频的分频器。
为了提高电子钟表的精确度,普遍采用的方法是用晶体
生32768 赫标准信号脉冲,经过 15 级 2 分频处理得到 1 赫的秒信号。因为晶体振荡器的准确度和稳定度很高,所以得到的秒脉冲信号也是精确可靠的。把它们做到一个集成片上便是电子手表专用集成电路产品,见图 10 。

数字逻辑电路的读图步骤和其它电路是相同的,只是在进行电路分析时处处要用逻辑分析的方法。读图时要:
① 先大致了解电路的用途和性能。
②、找出输入端、输出端和关键部件,区分开各种信号并弄清信号的流向。
③、逐级分析输出与输入的逻辑关系,了解各部分的逻辑功能。
④、最后统观全局得出分析结果。
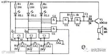
例1: 三路抢答器
图11 是智力竞赛用的三路抢答器电路。裁判按下开关 SA4 ,触发器全部被置零,进入准备状态。这时 Q1 ~ Q3 均为 1 ,抢答灯不亮;门 1 和门 2 输出为 0 ,门 3 和门 4 组成的音频振荡器不振荡,扬声器无声。

竞赛开始,假定 1 号台抢先按下 SA1 ,触发器 C1 翻转成 Q1=1 、 Q1=0 。于是: ① 门 2 输出为 1 ,振荡器振荡,扬声器发声; ②HL1 灯点亮; ③ 门 1 输出为 1 ,这时 2 号、 3 号台再按开关也不起作用。裁判宣布竞赛结果后,再按一下 SA4 ,电路又进入准备状态。
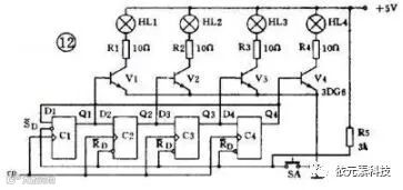
例2: 彩灯追逐电路
图 12 是 4 位移位寄存器控制的彩灯电路。开始时按下 SA ,触发器 C1 ~ C4 被置成 1000 ,彩灯 HL1 被点亮。 CP 脉冲来到后,寄存器移 1 位,触发器 C1 ~ C4 成 0100 ,彩灯 HL2 点亮。第 2 个 CP 脉冲点亮 HL3 ,第 3 个点亮 HL4 ,第 4 个 CP 又把触发器 C1 ~ C4 置成 1000 ,又点亮 HL1 。如此循环往复,彩灯不停闪烁。只要增加触发器可使灯数增加,改变 CP 的频率可变化速度。

文章转载自:电子工程专辑
我们欢迎有意向合作新工科课程改革项目的老师加入Xilinx大学计划,关于联合实验室建设、Vivado软件捐赠、校企共建课程、FPGA师资培训、学生竞赛、学生讲座等联系我们。
联系方式:edu@e-elements.com

E-Elements
FPGA我们是认真的!


