搜索
首页
大数快讯
大数活动
服务超市
文章专题
出海平台
流量密码
出海蓝图
产业赛道
物流仓储
跨境支付
选品策略
实操手册
报告
跨企查
百科
导航
知识体系
工具箱
更多
找货源
跨境招聘
DeepSeek
首页
>
技术指南 | 深视智能SD-C系列激光位移传感器使用说明书
>
技术指南 | 深视智能SD-C系列激光位移传感器使用说明书
深视智能科技
2024-10-13
3
导读:深视智能SD-C系列激光位移传感器使用指南
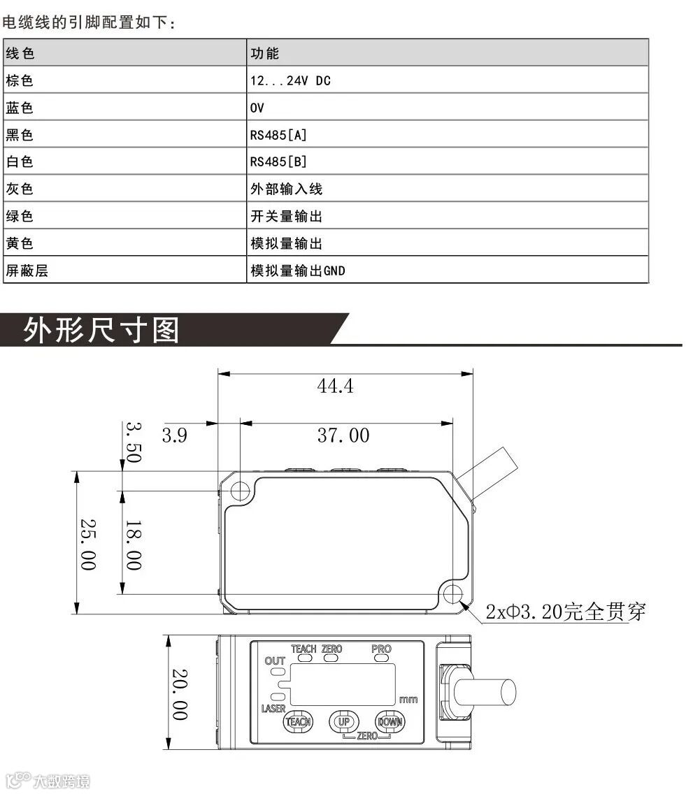
深视智能SD-C系列激光位移传感器使用说明书旨在协助用户更加全面地了解深视智能
SD-C
系列产品。为方便后续使用,您可在文末点击左下角阅读原文,以登陆深视智能官方网站注册下载更多资料。
(本文为节选内容,具体内容请登录深视智能官网查看。)
推荐阅读
技术指南丨深视智能点激光/点光谱使用编码器触发采集操作说明
技术指南丨深视智能光谱共焦位移传感器倾斜补正操作流程
技术指南丨深视智能点光谱使用轮廓检测的方法
点击
“阅读原文”
下载文档
【声明】内容源于网络
0
0
深视智能科技
做世界一流的工业传感器
内容
558
粉丝
0
关注
在线咨询
深视智能科技
做世界一流的工业传感器
总阅读
1.5k
粉丝
0
内容
558