本系列所有演示实验均出自由东南大学汤勇明教授、张圣清教授与Xilinx大学计划经理陆佳华先生所编著的教材《搭建你的数字积木·数字电路与逻辑设计(Verilog HDL&Vivado版)》。此教材为教育部Xilinx公司产学合作专业综合改革重点支持项目,并作为Xilinx公司大学计划指定教材。
本书系统论述了数字电路与逻辑设计的理论、方法与实践技术。全书基于Verilog HDL与Vivado开发环境,共18章,详尽介绍了如下内容: 逻辑设计与Vivado基础、布尔代数与Verilog HDL基础、组合逻辑电路设计基础、时序逻辑电路设计基础、有限状态机设计基础、逻辑设计工程技术基础、Vivado数字积木流程、串行通信接口控制器、RAM接口控制器、字符点阵显示模块接口控制器、VGA接口控制器、数字图像采集、数字逻辑系统设计案例、单周期CPU设计案例、数字信号处理设计案例(FIR)、数字图像处理设计案例、大学生FPGA设计案例以及Xilinx资源导读。


为便于教师和广大读者学习与动手实践,本书配套提供了教学课件、教学视频及程序代码等教学资源。本书适合作为普通高等院校电子信息类、电气信息类、自动化类专业的本科生教材,也可作为相关专业研究生参考教材,并适合作为电子与电气工程技术领域的科研工程技术人员的参考用书。
实验内容:本实验通过理解数码管显示原理和驱动方法,实现将数码管点亮并且显示十六位数字0-F。
实验原理:为了减少FPGA芯片的IO口使用数量,一般会采用分时复用的扫描显示方案进行数码管驱动。如下图所示,四位数码管并排在一起,再用4个IO口分别控制每个数码管的公共端,动态驱动每一个数码管,这样只需要用8个IO口就可以实现4个数码管的驱动。(如下图所示)

如下图所示,要数码管显示数字“3”,只需要电路数码管a、b、c、d、g段即可,对应的数码管二进制信号为“00001101”,4个公共端输出信号为“1110”。这种采用分时复用的模式轮流点亮数码管,同一时间只会点亮一个数码管。如果数码管扫描的速度足够快,人眼就分辨不出数码管是逐个点亮,认为4个数码管是同时亮的。

功能实现:通过本实验,实现将数码管点亮并可以显示0-F。
实验资料:可以通过github下载,下载链接请点击这里。
代码说明:本实验代码中,scan_led_hex_disp.v为顶层文件,XDC.xdc为本实验的管脚约束文件。

实验操作:
本实验使用Vivado 2017.1 进行开发,开发界面如下。如果您未安装vivado,安装流程请点击这里。

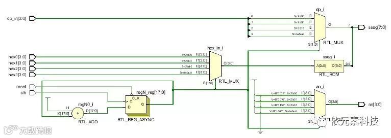
2. 实验RTL视图:

3.代码综合后效果图:

4. 代码实现后效果图:

具体vivado步骤请参看之前的微信文章,文章链接请点击这里。
验证说明:将代码下载到开发板后,通过拨动开关SW0-SW15,数码管显示每4个开关状态对应的16进制数。
实验效果图:

联系方式:edu@e-elements.com

E-Elements
FPGA我们是认真的!


