
管理不善导致的后果:
(1)空调效果不理想;(2)运行成本高;(3)事故和故障多;(4)设备使用寿命短;(5)系统运行不正常。
运行管理要达到的基本目标:

影响运行管理目标实现的质量因素:
(1)系统设计与设备选用的质量
(2)主要设备及辅助装置制造的质量
(3)系统及设备安装调试的质量
(4)使用与操作的质量
(5)维护保养的质量
(6)检修与技改的质量
(7)专业管理队伍的质量
(8)管理制度的质量
中央空调系统主要设备的平均使用寿命:
名 称 |
平均寿命/年 |
名 称 |
平均寿命/年 |
离心式冷水机组 |
23 |
冷却塔 |
23 |
活塞式冷水机组 |
20 |
水冷式空调机 |
23 |
吸收式冷水机组 |
23 |
水源热泵 |
23 |
离心式风机 |
23 |
空气源热泵 |
23 |
水泵 |
20 |
屋顶空调机 |
23 |
室内设计温度改变的节能效果〔kW/(m2.a)〕

室内设计温度与能耗的关系:
《实用供热空调设计手册》:供暖时每降低1℃,节能10~15%;供冷时每提高1℃,节能10%左右。
《空调设备与系统节能控制》:供暖时每降低1℃,节能5~10%;供冷时每提高1℃,节能10~20%左右。
一般计算结果:供暖时每降低1℃,节能5~10%;供冷时每提高1℃,节能8~10%。
GB19577-2015《冷水机组能效限定值及能效等级》:

注意确定能效比时的工况条件(尤其要注意与国外标准之间的差别)
名义工况时的温度条件(GB/T18430.1-2007):

名义工况的其他规定:
a)机组名义工况时的蒸发器水侧污垢系数为0.018m2·℃/kW,冷凝器水侧污垢系数为0.044m2·℃/kW。新机组蒸发器和冷凝器的水侧应被认为是清洁的,测试时污垢系数应考虑为0m2·℃/kW,性能测试时应按附录C模拟污垢系数。
附录C为模拟机组名义工况下水侧污垢系数修正温差的计算方法。
b)大气压力为101kPa。
冷水机组,在运行时主要需关注以下情况:
(1) 蒸发器冷冻水进、出口的温度和压力;
(2) 冷凝器冷却水进、出口的温度和压力;
(3) 蒸发器中制冷剂的压力和温度;
(4) 冷凝器中制冷剂的压力和温度;
(5) 主电机的电流和电压;
(6) 润滑油的压力和温度;
(7) 缩机组运转是否平稳,有否异常的响声;
(8) 机组的各阀门有无泄漏;
(9) 与各水管的接头是否严密。

冷冻水系统:冷冻水系统负责将制冷装置制备的冷冻水输送到空气处理设备。
蒸发器冷冻水进、出口的温度和压力:
空调用冷水机组的名义工况(标准工况):冷冻水回水温度12℃,供水温度7℃,温差5℃的条件下运行的。压力降为0.05MPa。
换热效果的影响因素:水流速,流量,表面污垢,成分(空气)。
提高冷冻水温度:冷冻水温度越高,冷机的制冷效率就越高。冷冻水供水温度提高1摄氏度,冷机的制冷系数可提高3%,所以在日常运行中不要盲目降低冷冻水温度。首先,不要设置过低的冷机冷冻水设定温度。其次一定要关闭停止运行的冷机的水阀,防止部分冷冻水走旁通管路,否则,经过运行中的冷机的水量就会减少,导致冷冻水的温度被冷机降到过低的水平。
蒸发器中制冷剂的压力和温度:蒸发压力0.4~0.6Mpa;
蒸发温度控制在3℃~5℃的范围内,比冷冻水出水温度低2℃~4℃。
过高的蒸发温度往往难以达到所要求的空调效果,而过低的蒸发温度,不但增加冷水机组的能量消耗,还容易造成蒸发管道冻裂。
换热效果的影响因素:制冷剂流速,数量,油,空气。
蒸发温度与冷冻水出水温度之差随蒸发器冷负荷的增减,在同样负荷情况下,温差增大则传热系数减小。
蒸发温度差大小还与传热面积有关。
管内的污垢情况,管外润滑油的积聚情况也有一定影响。为了减小温差,增强传热效果,要定期清除蒸发器水管内的污垢,积极采取措施将润滑油引回到油箱中去。
冷却水系统:冷却水负责吸收制冷剂蒸气冷凝时将放出的热量,并将热量释放到室外。
冷凝器冷却水进、出口的温度和压力:
其冷凝器进水温度为32℃,出水温度为37℃,温差5℃。冷凝器压降为0.07MPa。
冷却水系统:冷却水进出水温度升高1℃,则COP降低3.24%~3.35%;
冷却水进出水温度升高1℃,则能耗系数增加3.14%~3.46%;
冷凝温度升高1℃,则制冷系数降低2.93%~3.66%。

降低冷却水温度:由于冷却水温度越低,冷机的制冷系数就越高。冷却水的供水温度甸上升1摄氏度,冷机的COP下降近4%。降低冷却水温度就需要加强冷却塔的运行管理。首先,对于停止运行的冷却塔,其进出水管的阀门应该关闭。否则,因为来自停开的冷却塔的水温度较高,混合后的冷却水水温就会提高,冷机的制冷系数就减低了。其次,冷却塔使用一段时间后,应及时检修,否则冷却塔的效率会下降,不能充分地为冷却水降温。
冷却塔维护保养的主要内容有:
① 保证水流分布均匀。
② 保证气流分布均匀。
③ 控制冷却塔进水浊度不大于50mg/L。
④ 在冬季应采取相应措施,在集水器内放置电热装置,防止集水器冻裂漏水。如冷却塔不用,需排净塔内存水。
冷凝器中制冷剂的压力和温度:
冷凝压力1.3~1.5Mpa;
冷凝温度一般要高于冷却水出水温度2℃~4℃,如果高于4℃,则应检查冷凝器内的铜管是否结垢需要清洗;
空冷式机组的冷凝温度一般要高于出风温度4℃~8℃。
冷凝温度升高1℃,冷水机组性能约降低4%。
冷凝温度的高低,在蒸发温度不变的情况下,对于冷水机组功率消耗有决定意义。
冷凝温度升高,功耗增大。冷凝温度降低,功耗随之降低。
当空气存在于冷凝器中时,冷凝温度与冷却水出口温差增大,而冷却水进、出口温差反而减小,这时冷凝器的传热效果不好,冷凝器外壳有烫手感。
冷凝温度每增加 1℃,机组单位制冷量的功耗约增加3%~4%
蒸发温度=冷冻水的出水温度-接近温度;
冷凝温度=冷却水的出水温度+接近温度;
一般情况下,接近温度取1-2℃。冷凝温度升高1℃,冷水机组性能约降低4%。
不同厚度的的污垢对冷凝器换热效率的影响
污垢厚度 |
传热系数 |
传热损失系数 |
mm |
W/(m2.℃) |
% |
0 |
526.8 |
0 |
0.3 |
418.7 |
21 |
0.6 |
347.1 |
34 |
0.9 |
296.4 |
44 |
1.2 |
258.9 |
56 |
1.6 |
224.4 |
57 |
制冷系统运行中有哪几种需观察的正常值?
(1)油压压力比吸气压力高0.15-0.3MPa。
(2)水冷式冷凝器R717、R22不超过1.4MPa,R134a不超过1.2MPa。
(3)曲轴箱的温度,氟里昂制冷机不超过70℃,氨机不超过65℃。
(4) 冷冻机的排气温度:
R717、R22不超过135℃。R134a不超过过110℃,R13不超过125℃。
(5)主电机的电流和电压
主电机要求的额定供电电压为400V、三相、50Hz,供电的平均相电压不稳定率小于2%。
三相电流不平衡值<10%。
主电机的运行电流在冷水机组冷冻水和冷却水进、出水温度不变的情况下,随能量调节中的制冷量大小而增加或减少。
运行电流值大的,主电机负荷就重,电流值是一个随电机负荷变化而变化的重要参数。
(6)润滑油的压力和温度
润滑油系统是冷水机组正常运行不可缺少的部分,它为机组的运动部件提供润滑和冷却条件。
离心式、螺杆式和部分活塞式冷水机组还需要利用润滑油来控制能量调节装置或抽气回收装置。
从各种冷水机组润滑系统的组成特点看,除活塞式机组将润滑油贮存在压缩机曲轴箱内依附于制冷系统外,比吸气压力高0.15~0.3MPa。
离心式和螺杆式机组都有独立的润滑油系统,有自己的油贮存器,还有专门用于降低油温的油冷却器。当油温低于30℃时应启动油加热器。此时油冷却器应处于关闭状态,当油温超过40℃时,可打开水阀, 压缩机油泵起动后,10~15秒之内应达到规定的油压。油压差0.05~0.08Mpa。
液体过冷:蒸发冷量增加,防止经过膨胀阀时出现闪发气体。
换热效果的影响因素:
水侧:流速,流量,污垢,成分;
氟侧:制冷剂流速,数量,油,空气;
换热管的换热效果。
空调节能的措施,可归纳为八个方面:
1、减少冷负荷;
2、提高制冷机组效率;
3、利用自然冷源;
4、减少水系统泵机的电耗;
5、减少风机电耗;
6、采用自然通风;
7、使用智能控制系统;
8、中央空调余热回收。
减少冷负荷是空调节能最根本的措施:
①改善建筑的隔热性能;
②选择合理的室内参数;
③局部热源就地排除;
④合理使用室外新风量;
⑤防止冷量的流失。
提高冷源效率可采取以下一些措施:
①降低冷凝温度;
②提高蒸发温度;
③制冷设备优选。
利用自然冷源:
常见的自然冷源主要有两种,
一种是地下水源及土壤源,地下水可以在夏季可作为冷却水为空调系统提供冷量,也就是地温式空调的使用
另一种是春冬季的室外冷空气。较好的自然冷源是春冬季的室外冷空气,当室外空气温度较低时,可以直接将室外低温空气送至室内,为室内降温。
对于全新风系统而言,排风的温度、湿度参数是室内的空调设计参数,通过全热交换器,将排风的冷量传递给新风,可以回收排风冷量的70~80%左右,有明显的节能作用。
减少水系统泵机的电耗:
空调系统中的水泵耗电量也非常大。空调水泵的耗电量占建筑总耗电量的8%~16%,占空调系统耗电量的15%~30%,所以水泵节能非常重要,节能潜力也比较大。减少空调水泵电耗可从以下几个方面着手:
①减小阀门、过滤网阻力;
②提高水泵效率;
③设定合适的空调系统水流量。
减少风机电耗:
减少风机能耗主要从以下几个方面入手:
定期清洗过滤网、定期检修、检查皮带是否太松、工作点是否偏移、送风状态是否合适。
使用变频风机将定风量控制改为变风量控制,降低送风的风速,减小噪音。
末端风机改为变风量控制系统,可根据空调负荷的变化及室内要求参数的改变,自动调节空调送风量(达到最小送风量时调节送风温度),最大限度的减少风机动力以节约能量。
室内无过冷过热现象,由此可减少空调负荷15%~30%。
保持室内空气清新:
杜绝室内空气的污染,可采用双向换气装置,这样,送入的新风温度基本相近于室内温度,既可用于北方冬季室内保湿,又可用于南方夏季隔潮。而且在供热和制冷时还可回收热量,节约制冷供暖用能源可达30%以上。
如果自然通风解决的好,夏季可以节约一半的空调启时间,而且室内空气品质显著提高。
使用智能控制系统:
设自控系统,空调设备的投入均由人工完成,对于面积较大场所,可能有上百台空调箱、新风机组,运行管理人员连每天启停空调箱都没有足够的精力去实现,更不用说适时地调整空调箱的运行参数,让其节能运行。
空调箱、新风机在空调季节只得让它们全天24小时运行。如果为空调系统加装楼宇自控系统,即使是最简单的启停控制,也可以极大节省空调能耗。另外也容易实现末端温度的灵活设置。
空调余热回收:
热回收技术利用压缩机工作过程中会排放大量的废热来获取热水,实现废热利用的目的。
经过热回收改造后,其工作效率都会显著提高。根据实际检测,进行热回收改造后机组效率一般都是提高5~15%。由于技术改造后负载减少,机组故障减少,寿命延长。目前该项技术广泛应用于活塞式、螺杆式冷水机组。
提高冷冻水的出水温度对冷水机组的经济性十分有利,运行中在满足空调使用要求的情况下,应尽可能提高冷冻水出水温度。
冷冻水出水温度升高,可提高冷水机组的运行效率,冷冻水平均温度每升高1℃,冷水机组的运行效率提高3%。
人体感觉舒适的室内空气参数区域:
夏季:温度22~28℃,设定值不低于26℃;相对湿度40~65%;风速不应大于0.3m/s。
冬季:温度18~24℃, 20℃;相对湿度30~60%,风速不应大于0.2m/s;办公新风量:30m3/(h.人)。
舒适性空调:
送风高度,送风温差:5~10℃;送风高度>5m,送风温差:10~15℃;
换气次数不宜小于5次/h(高大空间除外);低温送风口:比露点高1~2℃;
设计送风温差的规定:尽可能加大,≤5m,≥5℃,>5m,≥10℃。
供暖工况下,室内计算温度每降低1℃,能耗减少5%~10%;
供冷工况下,室内计算温度每升高1℃,能耗减少8%~10%。
夏季室内空调温度设置不低于26摄氏度,冬季室内空调温度设置不高于20摄氏度。
冷冻水系统的操作:
对于同台冷水机组来说,其运行条件不变,外界负荷一定的情况下,冷水机组的制冷量是一定的。
蒸发器的冷水流量与供、回水温差成反比,即冷水流量越大,温差越小;反之。流量越小,温差越大所以。
冷水机组工况规定冷水供回水温差5℃,这实际上是规定了机组的冷水流量。这种冷水流量的控制就表现为控制水通过蒸发器的压力降在标准工况下,蒸发器上冷水供回水压降调定为49kPa(0.5 kg/cm)。
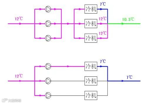
在冷冻水系统的实际操作中,往往存在着以下几种误操作:
(1)一些空调主机房的操作人员开机时未严格按照机组的运行参数调节冷冻水进出水压力降。往往调得高于运行参数,当压力降过高时。不是关小冷水泵出水阀。而是采取打开另一台不运行机组蒸发器进出水阀。将过多的水从另一台机组蒸发器放走。以降低压力降,导致人为增加冷水泵的运行电流,造成电的浪费。
(2)开机时。未先将不开机组蒸发器上的进出水阀关闭,造成一部分冷水从不开的机组蒸发器内流走,影响工作状态下机组的制冷效果。
为了说明这个问题。下面就以两台机组(分别简称为A机和B机)为例,谈谈这种误操作的危害若A机开启,B机不开。A、B两机蒸发器进出水阀均打开。


冷却水系统的操作:
对于一台正在运行的冷水机组。环境条件,负荷都已成为定值这时,冷凝热负荷也为定值。规定进、出水温差为5℃,冷却水量必然也为一定值而且该流量与进出水温差成反比。
冷水机组的运行,只要规定冷却水的进出水温差就行了。
流量通常用进、出冷凝器的冷却水压力降来控制。在标准工况下。冷凝器进出水压力降调定为68.6 kPa(0.7kg/cm)。
在冷却水系统的实际操作中,往往存在着以下几种误操作:
(1)开机前未将不需要开启的机组上冷凝器的进水阀关闭造成窜水。一部分冷却回水从不开机组冷凝器中流走,减少了正在运行机组冷凝器内的冷却水流量,造成冷凝压力上升。主机的运行电流增加。机组的制冷量下降,严重的还会使机组停止运行。既浪费电,又降低了制冷效果,还容易损坏设备。
(2)由于上一项误操作,主机的冷凝压力和冷却水出水温度升高。给操作人员造成误判断。误认为是冷却水量不够而开大冷凝器进水阀和冷却水泵出水阀,有的还增开冷却塔风机,造成水泵、冷却塔风机耗电增加。
(3)更有甚者,盲目地去增开一台冷却水泵。虽然增开冷却水泵的确可降低冷却水温和冷凝压力,但毕竟一台水泵运转的电能白白浪费掉了。
冷却水系统正确的操作方法是:
(1)开机前将不需运行机组冷凝器进水阀关闭。防止窜水。
(2)打开将要运行机组冷凝器上的进出水阀(一般出水阀常开,进水阀根据需要开、关。冷凝器、蒸发器都一样)开启相应的冷却水泵。调整冷凝器进、出水压力降至68.6kPa(0.07MPa)左右(压力降以能克服管路阻力为原则。低一些节电效果更佳)。
(3)若冷凝器进出水压力表指针摆动过大,说明冷却水系统有空气。需排空气待压力表指示正常后继续下一步操作。
(4)操作中,无论开几台机组,均是一台冷却水泵对一台主机(匹配要一样)。
冷却塔不合理旁通:
多台冷却塔并联时,往往根据负荷变化情况调节风扇开启数量;
只开启部分冷却塔的风扇时,没有相应调节冷却水的分配;
大量未经风扇冷却的水与冷却过的混合后送回冷站,回水温度高;
极大降低冷却塔的效率。
冷却塔旁通旁通示意图:

冷却塔正确的操作方法和要求是:
(1)冷却塔的使用台数与机组的开启台数相匹配。
(2)关闭不开风机的冷却塔的进、出水阀,防止冷却水在不使用的塔中流过。
(3)临时增开的冷却塔风机。在关掉该风机后,千万不要忘记关闭该塔的进、出水阀。
冷水机组的节能运行:

空调运行管理的节能:
节能的方法有很多,除操作外,还有管理的问题。
(1)夏季早晨室外气温较低,同时空气新鲜而室内气温较高,可利用空调新风机及消防排烟系统抽、送风约一刻钟。这种做法有以下好处:
① 开机前可降低室温,减少主机负荷。
② 使室内空气质量提高。
③ 检查排烟系统是否正常,对消防工作有利。
(2)随时掌握各用冷场合的具体情况,适时开、停有关风柜、风机盘管等设备,减少系坑热负荷,实际上可降低机组的耗电量和末端设备的耗电量。
(3)根据气温的变化和用冷场合的变化,适时增开或关、停冷水机组,在满足空调需求的前提下,尽量少开机组和减少机组的运行时间(有楼宇自动化的空调系统毕竟不多,大多数机房还得靠人工去调节)。
(4)摸清整个用冷场合的实际情况,掌握最佳的开、停机时问,尤其是用冷冻水泵打循环水的时间,各系统的情况不同,其时间的掌握也不同。
(5)勤巡查:注意各通往室外门窗的关闭,防止漏冷和室外热空气的侵入。尤其对大门朝南的建筑更要想办法防止热空气进入(因夏季南风多)。
(6)夏季每日下午4时为气温较高时,此时应密切注意机组的运行情况。及时调整机组的运行,不要等到室内温度明显上升,热负荷过大才来增开机组。这样易损坏设备,同时增加能耗。增开机组后,要注意观察,当冷冻水回水温度降到一定程度时,立即关闭增开的机组(包括相应的冷冻泵、冷却泵、冷却塔风机及其进出水阀),防止电的浪费,离心式机组更应注意低负荷喘振。
晚上7~9时,商场、娱乐场所等地方热负荷也较大,主要因为天黑不久,白天太阳幅射在地表,外墙的热量散发,以及顾客、游人的增多,导致用冷场合温度升高,此时也应适时调整机组的运行。
(7)重视冷冻水、冷却水的水质,抓好水处理工作。经常检查、督促水处理公司的工作,保证冷凝器、蒸发器内不结垢,无污物,以免冷凝器、蒸发器的热交换效果,增加主机的耗电量。
(8)经常注意中央和当地的天气预报,对每日的气温变化情况心中有数,有的放矢地开展空调工作,沿海经常有台风的地方。更要注意气候的变化。及时调整机组的运行。适时关、停机组,减少电的消耗。
节能措施:
1、运行操作节能:根据不同季度采取不同的运行操作方式。
夏天:空调主机的冷冻水出、回水设定为7℃-12℃,冷却水出、回水温度控制为30℃-35℃,主机电流控制主板设定值设为95%,空调新、回风量比例按25%调整送冷风。
冬天:空调主机的冷冻水出水温度,冷却水的回水温度 及时根据天气及负荷情况进行调整,空调新、回风量比例按85%调整送新鲜冷空气。
根据室外天气及冷却水温度开启、关闭冷却塔风扇,保证冷却水正常运行温度。运行值班人员及时开、关空调设备,并做好相关记录,对运行数据准确记录,及时对数据分析,灵活调整运行节能办法。
维护保养节能:
制定保养计划:
空调专业技术人员负责,按月度、季度、年度保养计划实施保养,冷冻油、过滤器每年更换一次,冷媒质量的检测每年一次,确保高能效性能。在使用中如有零部件磨损或意外损坏,要及时维修更换附件,保证设备完好性。
冷却塔填料,当它老化后,会产生很多碎片,造成系统堵塞,水流量减少,散热效果也差,主机运行时能耗就会增加。及时对老化冷却塔填料,空调水系统、管道清洗、维护到位,设备清洗干净,提高热交换效果。
提高空调使用人节能意识:根据空调节能的管理规定,下班及时关闭所有空调器,空调区不开窗,拉上窗帘。对政府规定的办公房间使用温度设定为26℃,公共区域为28℃表示理解和支持。
⊙版权声明:文章文字资料来源网络整理,版权归原作者所有,如侵权请联系我们删除。

