
空气源热泵带地暖的中央空调,一机多用,节能环保舒适度高,是现代舒适家居生活的优选。当然也有不少用户不太清楚其功能原理,相信这篇问答可以为你解惑。
一
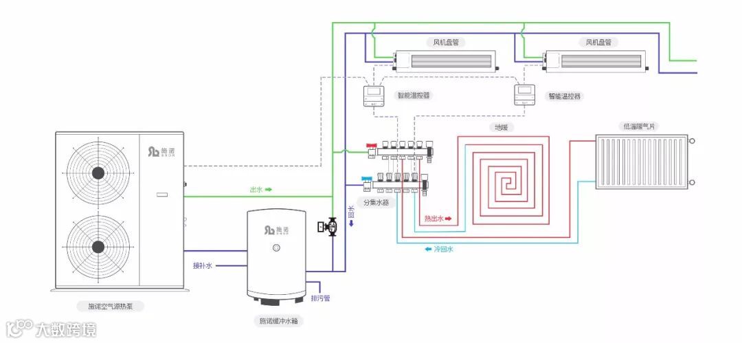
空气源热泵是如何同时解决中央空调和地暖的需求?
空气源热泵应用热泵技术,冬天以极少的电能驱动压缩机运转,吸收空气中大量的低温热能并转变为高温热能,产生不超过55度的热水,并作为热媒在地暖专用管道内循环流动,通过地面辐射和对流的传热使地面升温达到采暖效果;夏天主机改变成空调模式,产出符合条件温度的冷冻水,经过循环系统在风机盘管进行热交换,将冷气吹出,达到制冷的效果。
二
空气源热泵使用时耗电量高吗?
空气源热泵是大自然能量的搬运工,利用空气能量来制冷和制热,通过少量电能驱动压缩机运转,实现能量的转移。一套系统就能解决制冷和采暖的双重需求,安装限制条件少。空气源热泵采暖运行时能效比高,运行高效节能。
冬季采暖具体一个月用多少钱,受很多因素影响,比如房屋保温、是否顶楼、个人使用习惯等。根据武汉水果湖广场业主宋先生实际使用数据来看,120㎡的建筑面积,冬季地暖采暖全天开,不仅健康舒适,而且在用电高峰每月电费不到700(包括其他日常用电),比一般壁挂炉供暖要节能至少40%以上。
三
以前没怎么听过,是新产品吗?技术成熟吗?
空气源热泵不是全新技术,而是传统的水系统中央空调搭配地暖系统。水系统中央空调已经应用了100多年,技术成熟且一直不断升级更新,大型商场酒店大多采用的就是水系统中央空调。
很多人觉得空气源热泵的说法没怎么听过,实际上是因为这套系统的叫法很多,平时说的水机、水系统中央空调、两联供、风冷热泵,都只是在不同应用领域的不同说法,实际上都是同样的运行原理。
四
水系统好还是氟系统中央空调好?
相对于氟系统中央空调,水系统出风更柔和,舒适性更高。水系统的舒适是因为水温可以控制,以及水的比热容最大,热交换过程中温度差只有5度左右,这样不仅通过风机盘管吹出来的冷风柔和,室内的冷凝水少,气液态转换时温差更小,舒适度更高,室内不会过度干燥。
水系统中央空调的独特优势在于可以搭配地暖系统,冬天使用中央空调制热,会感觉头顶燥热,双脚冰凉,而地暖采暖体感舒适度更高,辐射供热温度从地板向上逐层递减,符合中医“足热顶凉”的养生原则。热泵主机带动地暖运行,对比传统壁挂炉带动地暖的形式,不会受到燃气使用的限制。
五
空气源热泵系统安装麻烦吗?水系统中央空调会漏水吗?
水系统中央空调运行属于低压水循环,运行压力小于1.8Mpa,标准的安装过程是在隐蔽工程完工后,要对管路进行打压测试,一般保压到4Mpa以上来检测系统密闭性,长期打压测验直至装修结束。长时间的压力测试,足够检验我们管道的稳定性,保证后期使用不会漏水。
需要注意的是,空气源热泵两联供隐蔽式安装,需要专业的施工团队按规范施工,选择专业可靠的施工团队可有效避免因为冷凝水管未安装好等安装原因产生漏水风险。空气源热泵系统与家装同步进行,要注意避免室内其它装修时破坏空调的管路保温。
空气源热泵两联供高效节能环保,适合有制冷制热需求的家庭,如果对于系统还有不清楚的地方,可以在文末留言。

绿特——以特种热泵为核心技术,是国内顶级非标冷暖设备定制专家,是建筑和工业节能及能源投资运维综合服务商。主导产品有:
一、空气源热泵
1、-35℃大型超低温空气源热泵,适应-40℃以内地区,带铸铁暖气片。
2、-25℃商用超低温变频空气源热泵,比定频机节能30%以上,噪音低。
3、煤改电民用空气源、地源热泵热风机,性价比高,资质齐全。
4、太阳能双源热泵(空气源、水源)是太阳能供暖供热水最佳多能互补方案。
二、水地源热泵
1、工业余热型热泵在热源侧进水温度65-70℃时,最高出液温度165℃,或出120和165℃蒸汽,能效分别为3.5和2.5。
2、降膜式污水源、海水源、地源、地热尾水、洗浴热泵,能效比满液机组高5%以上。
3、能源塔热泵,适应环温-30℃以内供热供冷热水,特别适合老建筑改造。
三、热泵除湿烘干机、大型水源热泵烘干机。
四、特种行业综合清洁能源节能解决方案
针对煤矿,油田,电厂,钢铁冶金,化工,纺织印染等有余热的企业,提供最优化能源节能方案。
五、锅炉 储能
1、燃气真空冷凝锅炉,热效率|105%,氮排放≤30mg/Nm3,电热锅炉。
2、水储、熔盐储能,蓄热锅炉。
六、投资运维能源站。
====================
绿特感谢您的关注
官方网站:http://www.sd-lt.cn
官方微信:sdlvte
阿里巴巴店铺:http://lvtekongtiao.1688.com
新浪微博:www.weibo.com/lvtekongtiao
腾讯qq:2516782612
咨询热线:4008-188-199


