

热泵是一种将低温热源的热能转移到高温热源的装置。通常用于热泵装置的低温热源是我们周围的介质——空气、河水、海水,城市污水,地表水,地下水,中水,消防水池,或者是从工业生产设备中排出助工质,这些工质常与周围介质具有相接近的温度。根据低温热源的不同,热泵一般可分为:空气源、水源、地源。

|
|
|
![]() |
|
|
|
![]() |
(2)调节流量 根据制冷负荷和发动机转速的变化情况自动调节制冷剂流量,使制冷系统始终保持最适宜的制冷量。

|
|
|
![]() |
|
|
|
![]() |



|
|
|
![]() |
|
|
![]() |
|
|
|
|
![]() |







|
|
|
|
|
|
|
|
|
|
|
|
|
|
|
|
|
|
|
|
|
|
|
|
|
|
|
|
|
|
|
|
|
|
|


式中:Q —系统总制热能力,单位Kcal





|
|
|
|
|
|
|
|
|



















|
|
|
|
|
||
|
|
|
|
|
|
|
|
|
|
|
|
|
|







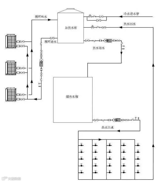
循环大小水箱工程系统图循环机组使用加热水箱和储热水箱分离设计,机组集中热量加热小水箱(加热水箱),时期温度到达设定温度后将热水放至大水箱(储热水箱),如此循环动作。






⊙版权声明:文章视频资料来源网络整理,版权归原作者所有,如侵权请联系我们删除。
扫码关注我们
揭秘热泵应用技术
获取更多行业资讯
咨询热线:4008-188-199








