
来源: 高速射频百花潭 固体电子学研究与进展作者:彭龙新 邹文静 孔令峥 张占龙
综合论述了 GaAs 和 GaN 微波毫米波的收发多功能芯片、幅相多功能芯片和 GaAs 限幅放大器集成芯片的发展状况、电路结构和性能特性,简述了收发多功能中的功率放大器和低噪声放大器的设计方法、幅相多功能中数字移相器和衰减器的设计方法,给出了限幅低噪声放大器中限幅器的设计参考。
引 言
微波单片集成电路(Microwave monolithic inte-grated circuit,MMIC)以其体积小、重量轻、一致性好和可靠性高等优点在微波毫米波领域得到了迅速的发展。但随着T/R组件系统对体积要求越来越小,装配效率和更高可靠性要求越来越高,需要一个芯片有上有更多的功能。一般由2个或2个以上的功能电路集成在同一衬底(如GaAs、SiC或Si等)上的集成电路,定义为多功能集成电路。多功能芯片集成度更高,面积更小,成本更低,不同功能电路之间的连接在内部完成,焊点数量大大减少,因此使T/R组件的装配效率明显提高。最常用的微波毫米波化合物半导体材料主要有GaAs、GaN、SiGe和InP等。由于多功能种类比较多,本文主要涉及GaAs、GaN多功能集成电路芯片,且主要概述收/发多功能芯片、幅相多功能芯片和PIN限幅低噪声放大器芯片。收/发多功能芯片主要含接收支路的低噪声放大器和发射支路的功率放大器以及输入输出转换开关。收/发多功能可由功率放大器工艺、低噪声工艺或ED工艺实现,取决于市场对性能和功能的需要。而幅相多功能芯片除了收/发支路,一般还含有数控移相、衰减功能的公共支路,以及数字控制电路,一般用GaAsE/D(Enhanced/De-pleted) pHEMT工艺实现。GaNE/D工艺也有初步研制,还没有市场化的产品。
1 GaAs多功能芯片
2010年55所研制了GaAsK波段收发集成多功能芯片,由 0.18 μm GaAspHEMT功率工艺研制而成,集成了功率放大器、低噪声放大器及收发开关。文献报道了一款K波段收发多功能GaAsMMIC芯片,基于0.15μm GaAs pHEMT功率工艺制作,接收支路在19.6~23.0GHz内增益大于23 dB,增益平坦度为士0.2dB,噪声系数低于3.5dB;发射支路在21~23GHz增益大于25.6 dB,饱和输出功率为23.3dBm,效率达到25.2%。该多功能芯片接收/发射由单刀双掷开关控制。
2015年彭龙新等使用0.15μm GaAspHEMT 功率工艺研制了毫米波高性能收发多功能芯片(如图1)。由于频率较高功率较大,发射/接收切换开关外接。

图1 收发多功能芯片照片(尺寸:3.67 mm×3.13 mm)
接收支路低噪声放大器采用3级放大拓扑结构,3级级联后的总噪声系数(NF)为:

其中
分别为管子的最小噪声系数、等效噪声电阻、源导纳和最佳源导纳。在 5 V 工作电压下,在 32 ~37 GHz频段内,线性增益(23.5±1) dB,噪声系数小于 2.5 dB,输出功率 1 dB压缩点(P1dB)大于 6 dBm。三级低噪声放大器均采用源级自偏结构,如图 2 所示。第一级 pHEMT 采用最佳噪声源阻抗匹配。值得一提的是对于宽带低噪声放大器是不可能实现全频段源阻抗最佳噪声匹配的,这也就是宽带低噪声放大器的噪声系数比较大的 主要原因之一 。一般pHEMT的最佳阻抗在Smith 圆图上随频率增加在圆图上半部分逆时针旋转,而无源元件一般是顺时针旋转的。

图 2 接收支路中低噪声放大器电路拓扑结构
为了实现最佳噪声和输入驻波同时匹配,在pHEMT的源端串联了合适的电感。
发射支路功率放大器采用三级放大拓扑结构,在32~36 GHz频段内,在6V电压下,线性增益(23士0.75)dB,饱和输出功率30dBm,功率附加效率约30%。发射支路的功率放大器是由2个图3所示的单端放大器用Lange耦合器合成。输出功率主要由末级总栅宽决定,末级总栅宽为1.92mm(8胞),单胞为4X60μm。要获得高的功率附加效率,各级栅宽比是一个很重要的考虑因数。在频率较低时可采用高栅宽比,频率较高时则要缩小栅宽比,同时应考虑pHEMT的增益大小,前级要有足够功率推动后级。为了获得较高的功率附加效率,该文采用了1:2:4的推动比。而末前级选择了8个胞而非4个胞是因为小的单指栅宽有较好的高频特性,在高频处能获得更高的增益和功率附加效率。

图 3 单端功率放大器拓扑
功率放大器的输出功率和效率主要取决于末级输出匹配电路。是否能够准确地获得末级管芯在输出最大功率和效率时的负载阻抗是功率放大器设计成败的关键。一般获得管芯最佳负载阻抗有以下2种方式:
(1)根据Cripps理论,测出管芯的I-V特性曲线,得到其从内部电流源向漏极看的最佳电阻:

其中 VB,DS为管子的源漏击穿电压,Vk为 I-V 特性曲线的膝点电压,Imax为 VGS约为 0.7 V 时的源漏电流。再由小信号模型得到源漏寄生电容 Cds和寄生电感Lds。晶体管的负载阻抗约为:

其中 ω 为角频率。由该种方法获得的最佳阻抗有一定的偏差。
(2)运用 Load-pull 测试系统对管芯进行负载牵引,可获得较精确的管芯最佳阻抗 Zopt。设计匹配电路 将 4 路 共 轭 Zopt *并 联 匹 配 到 50 Ω。图 4 为 利 用ADS 进行电路匹配的单管仿真阻抗。

图 4 单管 4×60 μm 输出阻抗匹配的模拟结果
一般用Load-pull获得的宽带最佳阻抗在Smith圆图上有曲折,可以用公式(2)模拟而获得圆滑曲线。同样对于电抗匹配的宽带功率放大器是不可能实现全频段负载阻抗最佳功率匹配或效率匹配的,这也就是宽带功率放大器的功率或效率比较低的原因。一般 pHEMT/HEMT 的最佳负载阻抗随频率增加在 Smith圆图上逆时针旋转,而无源元件一般是顺时针旋转的,这种现象称作反阻抗旋转,迄今还没有很好的宽带解决办法。在带宽很宽电抗匹配很困难时,一般采用其它功率效率不高的拓扑结构,如行波放大电路等。芯片末前级匹配主要考虑的问题是,除了扣除损耗和一定的失配外,需为末级提供足够的推动功率,否则末级功率不能完全输出、或在某些频率点处出现功率凹坑等现象。前级和输入匹配则主要是优化放大器的增益、增益平坦度以及稳定性等指标,同时要有足够的功率推动其后级。
2016 年三星公司的 Jeffery Curtis 等研发了一款应用于 5G 移动通信的 GaAs 收发芯片,芯片工作在27.50~28.35 GHz。由于芯片应用于通信系统中,因此设计时更侧重于发射通道功率回退7dB工作状态的效率和接收通道的直流功耗。芯片发射通道1dB压缩点输出功率24dBm,回退7dB时功率附加效率(PAE)达到14.5%。接收通道以35 mW的功耗实现了3.0dB的噪声系数。
2018年,韩芹等基于GaAspHEMT研制了一款工作在23~25GHz的收发芯片,在电路设计中利用电流复用技术来降低电路功耗。测得接收通道增益为23 dB,噪声系数为2.5dB,直流电流为12 mA;发射通道饱和输出功率为80mW,1 dB压缩点PAE为30%,动态电流为70mA。
2020年,王美兰等人基于栅长0.15μm的增强型GaAspHEMT研制了一款毫米波收发芯片,收发芯片中开关采用正压控制的对称结构。在24.25~27.50 GHz频带内,测得发射通道饱和输出功率大于22 dBm,PAE大于28%;接收通道噪声系数在3.0 dB 以下,线性增益大于13dB,芯片的通道间隔离度优于20 dB。
2021年,毛晨曦等人基于稳懋公司0.15μmGaAspHEMT(PP15)功率工艺研制了Ka波段收发芯片,如图5所示。在接收通道设计了温度补偿衰减器,以减小高低温增益波动。测得接收通道噪声系数小于3.7 dB,增益为28dB,增益高低温变化量为4.5 dB;发射通道增益为30dB,饱和输出功率为27.3dBm,饱和状态下PAE为22%。

图 5 Ka 波段收发芯片照片
幅相多功能一般除了集成数控移相器和衰减器之外,还会集成放大器、开关和数字控制电路等。
与传输线串联或并联的任何电路都会引入相移。常用的数字移相器电路有四种:开关选择线型、开关选择高低通网络型、加载线型和反射型。开关选择线型移相器的基本原理如图6所示。如果通路I、II均采用延迟线,其相移量△Φ计算公式为:

其中,β 为相位常数,λ 为导波长,Δl为电长度差。

图 6 开关选择线型移相器原理图
开关选择高低通滤波型移相器主要根据滤波器的高通网络传输信号具有相位超前性而低通网络传输信号具有相位滞后性来实现,其电路原理图如图7所示,主要包含π型和T型两种移相网络。随着频率的增加,低通网络的相位滞后增加,高通网络的相位超前减小,经过这两个网络的信号的相位相互补偿,使其相移量在一个相对较宽的带宽内保持一个恒定值。
加载线型移相器电路原理图如图8所示。在特性阻抗为Z,电长度为0(约等于λ/4)的传输线两端,并接两个相同的可用开关变换的负载Y=Gi+jBi(i=1,2,代表控制开关的两态)。负载状态的变化引起网络相移量的变化,从而到达移相的目的。加载线移相器的相移量△Φ₂为:

其中,BN为加载的容抗。加载线型移相器一般用于小的移相位设计。

图 7 开关选择高低通网络移相器原理图:(a)π型;(b) T 型

图 8 加载线型移相器电路原理图
反射型数字移相器原理图如图 9 所示 。该电路由一个 3 dB 耦合器和两组可用开关控制的对称反射性负载组成 ,改变反射性负载 ,可获得不同的插入相移 ,从而达到移相的目的 。 反射型移相器的B+ 、B-分别为两种状态下的归一化电纳 。反射型移相器一般用于大的移相位设计 。

图9 反射型数字移相器电路原理
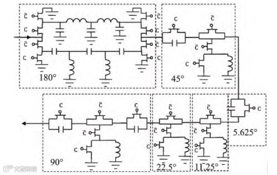
移相器的结构比较多 ,还有其它类型的结构 , 如刘石生的 Ku 波段多功能 MMIC 中的六位移相器(如图10),其由5.625° 、11.25° 、22.5° 、45° 、90° 和 180°级联构成 ,在 0°~360°间以 5.625°为步进形成 64 个移相态 。

图 10 6-bit数控移相器结构示意图
180°移相位因为相对相移量较大,采用2级“T”型高通网络和“π”型低通网络结合的结构,以利于扩宽带宽,如图11所示,单刀双掷开关用GaAsMESFET作为控制器件,采用串、并联管,电路中的移相单元用集总元件的高通/低通网络实现。

图 11 180°移相器的电路原理图
5.625°采用了电容并联开关器件作为移相的核心电路,输入输出以微带作为等效电感,实现较好的匹配。11.25°和22.5°采用全通网络(如图12所示),得到良好的驻波和比较低的传输损耗。45°和 90°移相位采用了5.625°移相网络结构和全通网络结构结合的方式,实现了较高的移相量和比较好的阻抗匹配,同时在传输损耗和附加调幅的斜率上实现了相互补偿。一般180°和90°分别置于移相电路的两侧,而小位度数的移相位被夹在中间保护其精度,尽量免受输入/输出端口外接阻抗的牵引。

图 12 22.5°、11.25°移相器的电路原理图
常见数控衰减器的拓扑有开关选择型衰减器(见图13)、T型衰减器(见图14)、π型衰减器(见图15)、反射型衰减器(见图16)、电容补偿T型衰减器(见图17)、电感补偿π型衰减(见图18)和小位衰减器(见图19)。为了得到更宽带宽、更低附加相移、更好输入输出匹配的衰减器,针对不同的衰减量对衰减器结构进行改进,一般比较典型的改进型衰减器结构有简化T型衰减网络、电容补偿的T型衰减网络和电感补偿的π型衰减网络。

图 13 开关选择型衰减器原理图

图 14 (a) T 型衰减器;(b) 简化 T 型衰减器

图 15 π 型衰减器原理图

图 16 反射型衰减器示意图

图 17 电容补偿 T 型衰减原理图

图18 电感补偿 π 型衰减图

图 19 小位衰减器电原理图
衰减器电路结构中,还有其它类型的结构,如刘石生的Ku波段多功能MMIC中的6-bit数控衰减器("(如图20),其中C为高电平时,衰减器处于参考态;C为高电平时,衰减器处于衰减态。

图 20 6-bit数控衰减器结构图
16 dB衰减器采用标准单刀双掷开关作为通道选择开关的数控衰减网络,参考通路为微带延时通路,衰减通路为“π”型衰减阻抗网络。其中,微带延时通路是为了补偿“π”型衰减阻抗网络中寄生元件和信号传输长度(匹配微带和电阻)导致的相移,这样两路的相移可以相等,实现较低的附加相移。输入输出均以合适的微带线基于开关设计原理实现对通道选择开关的阻抗匹配,有效地降低输入输出驻波比。
8dB衰减器采用改进的“T”型衰减阻抗网络。因标准的“T”型衰减阻抗网络并联电阻较小,且并联电阻对衰减精度的影响最大,考虑到工艺的偏差,将并联电阻等效为三个并联电阻,可以降低工艺偏差带来的影响,提高设计的精度。输入输出匹配同样基于开关匹配的原理。1dB、2dB、4dB衰减器为采用标准的“T”型衰减网络,参考通路以一个串联的开关器件实现较低的参考态传输损耗。
0.5 dB衰减器因为“T”型衰减网络中串联电阻的微小容易受到工艺的影响,同时对输入输出驻波的影响不大,所以采用简化的“T”型衰减网络就可以实现。
在现有材料和工艺技术条件下,GaAs和GaN多功能电路的数字控制电路一般用GaAsE/D 和GaNE/D工艺实现。根据数字电路的不同需要,GaAs场效应管数字电路的基本逻辑单元形式多样,主要可分为缓冲场效应管逻辑(BFL)、肖特基二极管场效应管逻辑(SDFL)、直接耦合场效应管逻辑(DCFL)和源耦合场效应管逻辑(SCFL)等,具体可参考文献。
2006年M/A-COM公司宣布推出一款商用双通道X波段7~12GHz多功能MMIC MAM-FGM0001-DIE(见图21),包括6位移相器、6位衰减器(LSB为0.5 dB)、增益模块、激励放大器以及开关,尺寸为6.000mmX4.000mmx0.075mm,接收通道增益为21dB,发射通道增益为28dB、输出P1B为22 dBm,还集成了24位的串行端口。

图21 X band MAMFGM0001-DIE:(a) 结构图;(b) 照片
2008年M/A-com公司推出的XZ1002-BD芯片由单刀双掷(SPDT)开关、LNA、6位数字移相器、驱动放大器与5位数字衰减器构成,TTL并行数据输入,如图22所示。工作频率为8.5~11 GHz,接收增益为21dB,输出三阶交调(OIP3)为28 dBm;发射增益为19 dB,Pu为23.5 dBm,芯片尺寸为5.0 mmx4.0mmx0.1mm。

图 22 XZ1002-BD 多功能 MMIC:(a) 原理图;(b) 芯片照片
2009年2月UMS公司推出的CHC3014芯片,如图23所示,工作频率为8~12 GHz,采用 0.25 μmGaAs E/D HEMT工艺,6位移相器的最小移相位5.625°,最大移相位为360°,均分根误差(RMS)为2°;6位衰减器最小位为0.55dB,最大位为34.6 dB,RMS为0.3 dB;2位可调衰减器MSB为6 dB,步进为2 dB;接收支路增益为13.5dB,噪声系数(NF)为5.8 dB,P为16.5 dBm;发射支路增益为25 dB,饱和功率(P)为20dBm,DA、SPDT与TTL兼容并行接口,控制电平为0/3.3V。

图23 UMS 8~12 GHz CHC3014多功能MMIC芯片原理图
2018 年 Jin Cheol Jeong和In BokYom等发布了一款应用于有源相控阵系统的时延多功能芯片(如图24),工作频率为6~18GHz,集成了8位时延、7位衰减和串并转换功能,面积为4mmX5mm。该芯片通过时延器的应用,实现了宽频带的优异性能。测得时延均方根误差小于1.7ps、时延寄生调幅小于2.1dB,衰减量均方根误差小于0.9dB、衰减附加相移小于5°,小信号增益12dB,输出功率16.5 dBm。

图 24 时延多功能芯片显微照片
2019年Jin Cheol Jeong和Manseok等发布了一款应用于卫星和5G通讯中相控阵的多功能芯片(如图25)。该芯片工作频率为20~32 GHz,集成了6位移相、6位衰减和串并转换功能,面积为3 mmX3mm。测试结果显示,该芯片小信号增益为2dB,移相均方根误差小于5°,衰减均方根误差小于0.3dB。

图 25 用于卫星和 5G 通讯的多功能芯片显微照片
同年Shancheng Zhou等人发布了一款应用于卫星通信相控阵的双通道高精度幅相多功能芯片(如图26)。该芯片工作频率为7.5~9.0GHz,集成了6位移相、6位衰减和串并转换功能,面积为3.5 mmX4.5mm。测得插入损耗小于13dB,衰减均方根误差小于0.45dB,移相均方根误差小于2°。

图 26 双通道高精度幅相多功能芯片
2020年Hyunkyu Lee和Younghwan Kim等人发布了一款Ku波段可切换收发状态的多功能芯片(如图 27)。该芯片工作频率为12~18 GHz,集成了4位移相、5位衰减和串并转换功能,芯片面积为11.7 mm²。该芯片采用了峰值增益可达27.3 dB的宽带高增益功率放大器以提高通道整体增益,该功率放大器输出1dB压缩点可达18.9dBm,功耗380 mW。同时设计了噪声系数低至0.74 dB的低噪声放大器,降低了通道噪声。测得发射通道增益16.5 dB,输出功率1dB压缩点19.2dBm,衰减均方根误差小于0.6 dB,移相均方根误差小于6.4°;接收通道增益17.3dB,噪声系数4.3dB,衰减均方根误差小于0.7 dB,移相均方根误差小于5.1°。

图 27 Ku 波段可切换收发状态的多功能芯片
同年周守利、张景乐等发布了一款W波段的幅相多功能芯片(如图28)。该芯片工作频率为 96~105 GHz,集成了6位移相、6位衰减和2位时延功能,芯片尺寸为5.0mmX3.5mm。该芯片在幅相多功能的架构上引入了2位延时器,有效降低了波束的空间色散,提高了相控阵系统的扫描角度和瞬时带宽。测试结果显示,该芯片发射增益大于7dB,接收增益大于3dB;发射1dB压缩点大于7.5 dBm,接收1dB压缩点大于5dBm;衰减均方根误差小于0.4dB,移相均方根误差小于3.5°。

图 28 W 波段的幅相多功能芯片
2021年,丁有源和王青松等发布了一款L-S波段宽带多功能芯片(如图29)。该芯片工作频率为0.5~2.7 GHz,集成了并行驱动器、移相器和功率分配器,尺寸为3.4 mmX1.8mm。该芯片的移相器采用磁耦合全通网络(MCAPN)结构,功率分配器使用集总元件进行集成,不仅缩小了芯片面积,并且在超宽带下实现了较好的相位精度和幅度一致性。测得插入损耗小于7dB,相位误差小于8°,寄生调幅小于0.8dB。

图29 L-S 波段宽带多功能芯片
2023年Yang Yuan和Jialong Zeng等人发布了一款X波段可切换收发状态的高精度幅相多功能芯片(如图30)。该芯片工作频率为8~11 GHz,集成了6位移相、6位衰减和串并转换功能,芯片尺寸为 4.30 mmX2.85mm。测试结果显示,该芯片衰减均方根误差小于0.28 dB,移相均方根误差小于3.3°;接收增益8.9dB,输出1dB压缩点7.8 dBm;发射增益15.9dB,输出1dB压缩点11.9 dBm。

图 30 X 波段可切换收发状态的高精度幅相多功能芯片
同年Chiara Ramella等人发布了一款应用于有源电子扫描阵列的幅相多功能芯片(如图31)。该芯片工作频率为7.6~9.1 GHz,集成了6位移相、6位衰减和串并转换功能,芯片尺寸为6mm²。该芯片应用超低功耗的数字逻辑电路,总体功耗43 mW,平均每个控制位消耗2.2mW。测试结果显示,该芯片插入损耗16 dB。

图 31 数字电路部分显微照片
在T/R组件中低噪声放大器紧连天线,这使得低噪声放大器可能承受很大的输入功率而损坏,因此,需要在它前使用限幅器进行保护。在过去几十年,低噪声放大器和限幅器都是独立芯片级联的,这增加了芯片的面积和装配难度。近几年来由于材料工艺的进步,在GaAs衬底上外延pHEMT材料后再外延PIN管材料,将限幅器和低噪声放大器集成在同一衬底上,有效地减小了芯片面积、节省了成本、降低了芯片装配难度,随之提出了限幅器低噪声一体设计法。
限幅低噪声放大器的设计一般是先独立设计限幅器和低噪声放大器,然后再组合在一起进行优化。需要注意的是要独立观察放大器的稳定性,确保其稳定。限幅器的设计可参考文献。根据大功率要求,优化GaAsPIN二极管的I层厚度和表面结构,再确立表面尺寸,建立大、小信号模型,通过优化设计,在限幅器能承受100W的输入功率下,还要有较低的插损。为了更低的限幅低噪声的噪声系数,有一种新的设计方法,就是把限幅器整体作为低噪声放大器的输入匹配,可以较大地减小整体的噪声系数。
图 32 7~13 GHz 大功率限幅低噪声放大器单片的照片
2018年13所研制Ka波段GaAsMMIC 限幅低噪声放大器(如图33),噪声系数小于3.1dB,线性增益大于18dB,芯片静态工作电流为20mA。在70℃恒温条件下,能够承受脉冲功率为2W(脉冲宽度4ms,占空比30%)。

图 33 5~6 GHz 限幅低噪声放大器芯片照片
2019年55所研制了毫米波GaAs单片限幅低噪声放大器(如图34),限幅器采用两级反向并联二极管结构。通过优化限幅器匹配电路,增大了限幅器的耐功率,降低了限幅电路的插损。低噪声放大器为四级级联设计,输入端采用最小噪声匹配,偏置电路增加RC串联谐振电路,减小了噪声,提高了电路稳定性。测得在33~37GHz频带内,增益达到(22士1)dB,噪声系数小于3.0dB,输出P1aB大于5dBm,可以承受15W的脉冲输入功率。

图 34 毫米波 GaAs 限幅低噪声放大器芯片
2020年55所研制了5~6GHz限幅低噪声放大器,低噪声放大器采用并联负反馈、源级电感负反馈以及电流复用结构,减小功耗的同时改善了增益平坦度和稳定性。在工作频带内,限幅低噪声放大器的增益为(27士0.2)dB,噪声系数为1.1~1.3 dB,总功耗为240mW,耐功率大于46 dBm(脉宽2ms,占空比30%),芯片尺寸为3.3mmx1.3mm。
2021年曾志等人研制了5~13GHz GaAs限幅低噪声放大器MMIC(如图35),其中限幅器采用三级二极管反向并联结构,LNA采用两级负反馈和源电感匹配,在5~13GHz内实现平坦的增益和较小的噪声。小信号增益大于20dB,噪声系数小于1.8 dB,耐功率大于46dBm(脉宽2ms,占空比30%),总功耗小于190mW。

图 35 5~13 GHz GaAs 限幅 LNA 一体化芯片照片
2022年邸跃红等研制了32~40GHz高耐功率PIN二极管限幅低噪声放大器(如图36),为了降低放大器的噪声系数,提出了包含电感和PIN二极管的“T”型匹配单元,将多个匹配单元级联作为低噪声放大器的输入匹配网络,采用PIN/0.15μmpHEMT集成工艺制造。测得芯片可以承受最高38 dBm的连续波,30min不损坏。在32~40 GHz频率范围内,电路的小信号增益和噪声系数分别为(18士0.4)dB和2.5~2.8dB。

图 36 32~40 GHz PIN 限幅低噪声放大器 MMIC
2 GaN 多功能芯片
GaAspHEMT工艺的收发芯片尽管在接收通道功耗和噪声方面仍有一定优势,但受限于材料本身特性,GaAspHEMT收发芯片的发射支路的饱和输出功率大多在1W以下。若要更高的发射功率,需要加大功率放大器的输出总栅宽,增大芯片面积,而且输出开关也承受不起更大功率(一般最大能承受1W左右)。功率性能已远不能满足电子战系统对收发芯片的要求。
而GaN HEMT收发芯片在发射通道的高功率、高效率方面具有很大优势,且输出开关能承受10W以上的功率,解决了GaAspHEMT开关功率容量低的问题。其缺点是接收通道的低噪声放大器需要较高的电压(≥8V)工作,因而功耗较大。现在也在研发GaN新工艺以解决这个问题。
2012年,日本富士通实验室MasudaS等人在MTT-S上报道了首款GaN收发芯片MMIC,芯片集成了功率放大器(PA)、LNA和SPDT开关,工作在X波段,基于栅长0.25μm 的SiC基GaNHEMT工艺研制。该收发芯片中的PA子电路在10.5 GHz处饱和输出功率为42.8dBm,PAE 为52%。然而,芯片中的SPDT开关小信号插入损耗为1.2 dB,Pa仅为39.2dBm,受限于SPDT开关的插入损耗和功率容量,整体收发芯片在该频点处发射支路饱和输出功率仅为38.2 dBm。
意大利第二罗马大学E.Limiti团队在GaN收发芯片方向贡献了大量工作。2015年,Limiti等人基于 0.25μm UMS GaN工艺和0.50μm SLX GaN 工艺各设计了一款工作在C波段的收发MMIC。论文仅给出了两款芯片的仿真结果:在5.2~5.6GHz工作频带内,发射通道饱和输出功率达到40W以上,功率增益大于36dB,基于两种工艺的设计PAE分别为 38%和27%,接收通道噪声系数均低于2.5 dB。2017年,该团队的A.Salvucci基于Leonardo foundry的0.25 μm GaN工艺设计了一款工作在同频带的收发芯片,同样仅给出了仿真结果:接收噪声在2dB以下,发射功率达到44W,PAE达到42%。
2016年,MEC实验室的Biondi等人在EuMIC报道了一款基于0.25μmGaN工艺研制的收发芯片,芯片工作在8.6~11.2 GHz,包含PA、LNA和天线侧的开关。该芯片的开关为Rx模式下的PA部分引入了吸收性负载,这将允许在接收期间正确加载PA,避免在PA关闭和Rx启用命令之间出现延迟时PA保持在加电状态可能出现的不稳定行为和故障。测试结果表明,该芯片在发射通道饱和输出功率39dBm,PAE为25%,接收通道功耗800mW,噪声系数在2~3dB之间。
收发幅相一体全单片集成T/R芯片全世界报道很少,南京55所在2016年报道了一款GaN Ku波段GaNT/R收发幅相多功能MMIC,论文形式发表于2017年(如图37)。该芯片集成了T/R的接收通道、发射通道和公共通道。接收通道含功率输出开关、前级低噪声放大器、5位数字衰减器、后级低噪声放大器、小信号开关,发射通道含5位数字移相器、小信号开关、驱动放大器、功率放大器和功率开关,公共通道含5位数字移相器,如图37所示。在16~17GHz工作频率内测得:接收通道增益≥(20士0.5)dB、噪声系数≤3.5dB,发射通道增益约21 dB、饱和功率约41dBm(脉冲宽度100μs,占空比 10%)、功率附加效率约30%,如图38-40所示。在芯片上集成的移相和衰减功能正常。

图 37 Ku 波段 GaN T/R 一体多功能收发全单片芯片:(a) 电路原理图;(b) 照片

图 38 接收支路的增益与噪声系数测试结果

图 39 发射支路输出功率、功率增益和效率测试结果

图 40 (a) 32-bit衰减态与(b) 32-bit移相态测试结果
接收支路低噪声放大器电路的偏置电压为10V、总静态电流为140mA。与GaAs相比,工作电压电流明显偏大。如果电压减小,接收增益就会下降,如图41所示,噪声也明显增大。这是由GaNHEMT的材料和工艺特性决定的。为了解决接收支路功耗偏大的问题,55所从材料和工艺上研制新的工艺,既要尽量保持功率优势,又要降低接收支路的功耗。

图 41 接收增益随电压减小而下降
2022年孔令峥研制了双栅长GaN集成工艺的Ku波段收发多功能芯片(如图42),集成了接收通道的低噪声放大器和发射通道的功率放大器,使用单刀双掷开关实现通道间切换。该芯片采用两种不同栅长集成的GaN HEMT工艺。低噪声放大器使用0.10μm低压低噪声工艺,功率放大器和开关使用 0.15μm高压高功率工艺,两种不同栅长的晶体管集成在同一片SiC衬底上。测试结果表明,在14~18GHz频带内,发射通道线性增益≥30 dB,饱和输出功率≥40.5dBm,功率附加效率典型值为23%;接收通道线性增益为(24士0.2)dB,噪声系数典型值为2.3 dB,功耗仅为140mW(5V/28mA)。芯片面积为4.0mmx3.0mm。

图 42 收发多功能芯片照片
对于低噪声器件,应用高势垒的Ni栅结构,以减小栅极泄露电流,改善器件噪声性能。通过减小源漏间距,降低了器件开态电阻和膝点电压,使得低噪声管在2V漏压下即可工作在饱和区,从而可以实现电流复用结构,如图43所示。

图 43 GaN LNA 电路拓扑图
PA电路采用3级放大结构。一般在工作带宽内使用Load-pull测得的管芯最佳功率阻抗曲线和最佳效率阻抗曲线并不重合,为满足功率和效率的要求,需要在功率和效率间折衷,如图44所示的末级单胞6X75μm管芯阻抗的匹配情况:在14~18 GHz工作频带内,设计匹配曲线(蓝色)位于最佳效率阻抗曲线(黑色)和最佳功率阻抗曲线(红色)之间。图45为GaNPA的整体电路拓扑图。为了改善电路的稳定性,末级相邻管胞间采用并联小电阻以抑制奇模振荡,同时减少相邻管胞间的信号串扰。

图 44 PA 末级匹配阻抗

图 45 GaN PA 电路拓扑图
2018 年,Limiti团队的Rocco Giofrè等人在T-MTT报道了一款工作在S波段、相对带宽13%的收发MMIC,芯片基于UMS 0.25μm GaN工艺研制。为了实现开关的单电源控制和开关两臂的针对性优化,使用了非对称的开关设计,低噪声放大器和功率放大器均采用三级电抗式匹配结构。测试结果显示,该芯片发射通道达到了40W以上的饱和输出功率,线性增益≥35dB,PAE为42%,接收通道以1350 mW的功耗实现了1.75 dB以下的噪声系数,线性增益大于30dB。芯片尺寸为7.0 mmx7.0mm。
2019年,Giofrè等人在MWCL报道了上述S波段收发芯片的改进版本,进一步改善功率和效率性能。在发射通道,通过引入F类的谐波终端,达到了接近47dBm的饱和输出功率和48% 以上的PAE。在接收通道,在不影响噪声和增益性能的前提下将直流功耗由1350mW降低至900 mW。
2020年,Giofrè等人应用相似的电路拓扑将上述工作推广至C波段,基于0.25μmGaN工艺研制了一款工作在5.25~5.57GHz频段的收发芯片该芯片的开关应用了并联谐振技术,降低了开关在带内的插入损耗。该芯片发射通道同样实现了40 W的饱和输出功率,PAE为30%,接收通道以250 mW的较低功耗实现了3.2dB的噪声系数。
2020年,Lorenzo Pace等人应用OMMICD01GH工艺,再次将工作频率推广至更高频率,研制了一款工作在Ka波段的收发芯片。对芯片性能影响较小的后端芯片侧开关在两个支路分别使用串管和并管结构,以便于单电源控制,天线侧开关使用并管结构,并引入并联电感谐振,以实现更低的插入损耗。芯片工作在35.0~36.5GHz频段,饱和输出功率≥32dBm,PAE≥24%,噪声系数3.5 dB。
2022年,LonghiPE等基于两种不同栅长的GaN HEMT集成工艺研制了一款工作在Ka波段的收发芯片(如图46)。该芯片由OMMIC公司栅长100 nm的D01GH工艺和60nm栅长的D006GH工艺集成,对功率放大器和低噪声放大器的输入级应用60nm栅长的管芯以改善发射通道的效率和接收通道的噪声,其余晶体管应用100nm栅长的管芯以保证芯片的功率性能。同时,不同于芯片外部端口的系统阻抗50Ω,芯片的开关与PA、LNA的级联端口阻抗为40Ω,以减小级联匹配的插入损耗。芯片发射通道实现35dBm的饱和输出功率和18%的 PAE,接收通道噪声系数3.2dB,功耗200 mW。

图 46 Ka 波段 GaN 收发芯片:(a) 结构图;(b) 照片
2017年Weijun Luo等发表了GaNE/D5位数控移相器,E/D数字电路把TTL(0~5V)控制电压转换成2个互补负电压(0~5 V,一5~0 V),从而减少一半的控制端。GaNE/D集成还没有产品上市。
3 结束语
简要总结了GaAs、GaN收发多功能芯片和幅相多功能芯片以及GaAs限幅低噪声放大器芯片的发展概况,介绍了这些芯片中主要电路的设计方法,对初学人员和MMIC设计工程师了解化合物多功能芯片的发展进程和设计具有一定的帮助。由于多功能芯片的特定功能,只能用于特定的整机中,因而通用性受限,而且由于多种功能集成在一起,制造的成品率偏低,这是多功能芯片的不足。为了更小的组件体积,现在又发展了集成度更高的技术,如三维集成技术Ku波段四通道T/R模块和异构集成相控阵T/R组件等。

