中华人民共和国住房和城乡建设部公告 第825号 住房城乡建设部关于发布国家标准《城市综合管廊工程技术规范》的公告 现批准《城市综合管廊工程技术规范》为国家标准,编号为GB 50838—2015,自2015年6月1日起实施。 其中,第3.0.2、3.0.6、3.0.9、4.1.4、4.2.2、4.3.4、4.3.5、4.3.6、5.1.7、5.4.1、5.4.7、6.1.1、6.4.2、6.4.6、6.5.5、6.6.1、7.1.1、8.1.3条为强制性条文,必须严格执行。 原《城市综合管廊工程技术规范》GB 50838—2012同时废止。 本规范由我部标准定额研究所组织中国计划出版社出版发行。 中华人民共和国住房和城乡建设部 2015年5月22日 |
前 言
本规范是根据住房城乡建设部《关于请参加〈城市综合管廊工程技术规范〉GB 50838—2012修订工作的通知》(建标标函〔2015〕36号)的要求,由上海市政工程设计研究总院(集团)有限公司和同济大学会同有关单位共同编制。
在编制过程中,本规范编制组经广泛调查研究,认真总结实践经验,参考有关国际标准和国外先进标准,并在广泛征求意见的基础上,完成了报批稿,最后经审查定稿。
本规范共分10章,主要技术内容有:
总则、术语和符号、基本规定、规划、总体设计、管线设计、附属设施设计、结构设计、施工及验收和维护管理。
本规范修订的主要技术内容是:
1-增加对综合管廊工程的基本规定;
2.明确了给水、雨水、污水、再生水、天然气、热力、电力、通信等城市工程管线采用综合管廊方式敷设的规划规定;
3.增加雨水管道采用综合管廊方式敷设时的技术规定;
4.增加污水管道采用综合管廊方式敷设时的技术规定;
5.增加天然气管道采用综合管廊方式敷设时的技术规定;
6.增加热力管道采用综合管廊方式敷设时的技术规定;
7.增加综合管廊配备检修车的技术规定;
8.增加管线设计的技术规定;
9.修订预制拼装综合管廊结构的技术规定。
本规范中以黑体字标志的条文为强制性条文,必须严格执行。
本规范由住房城乡建设部负责管理和对强制性条文的解释,由上海市政工程设计研究总院(集团)有限公司负责具体技术内容的解释。
1 总 则
1.0.1 为集约利用城市建设用地,提高城市工程管线建设安全与标准,统筹安排城市工程管线在综合管廊内的敷设,保证城市综合管廊工程建设做到安全适用、经济合理、技术先进、便于施工和维护,制定本规范。
1.0.2 本规范适用于新建、扩建、改建城市综合管廊工程的规划、设计、施工及验收、维护管理。
1.0.3 综合管廊工程建设应遵循“规划先行、适度超前、因地制宜、统筹兼顾”的原则,充分发挥综合管廊的综合效益。
1.0.4 综合管廊工程的规划、设计、施工及验收、维护管理,除应符合本规范外,尚应符合国家现行有关标准的规定。
2 术语和符号
2.1.1 综合管廊 utility tunnel
建于城市地下用于容纳两类及以上城市工程管线的构筑物及附属设施。
2.1.2 干线综合管廊 trunk utility tunnel
用于容纳城市主干工程管线,采用独立分舱方式建设的综合管廊。
2.1.3 支线综合管廊 branch utility tunnel
用于容纳城市配给工程管线,采用单舱或双舱方式建设的综合管廊。
2.1.4 缆线管廊 cable trench
采用浅埋沟道方式建设,设有可开启盖板但其内部空间不能满足人员正常通行要求,用于容纳电力电缆和通信线缆的管廊。
2.1.5 城市工程管线 urban engineering pipeline
城市范围内为满足生活、生产需要的给水、雨水、污水、再生水、天然气、热力、电力、通信等市政公用管线,不包含工业管线。
2.1.6 通信线缆 communication cable
用于传输信息数据电信号或光信号的各种导线的总称,包括通信光缆、通信电缆以及智能弱电系统的信号传输线缆。
2.1.7 现浇混凝土综合管廊结构 cast-in-site utility tunnel
采用现场整体浇筑混凝土的综合管廊。
2.1.8 预制拼装综合管廊结构 precast utility tunnel
在工厂内分节段浇筑成型,现场采用拼装工艺施工成为整体的综合管廊。
2.1.9 管线分支口 junction for pipe or cable
综合管廊内部管线和外部直埋管线相衔接的部位。
2.1.10 集水坑 sump pit
用来收集综合管廊内部渗漏水或管道排空水等的构筑物。
2.1.11 安全标识 safety mark
为便于综合管廊内部管线分类管理、安全引导、警告警示等而设置的铭牌或颜色标识。
2.1.12 舱室 compartment
由结构本体或防火墙分割的用于敷设管线的封闭空间。
2.2 符 号
2.2.1 材料性能
fpy——预应力筋或螺栓的抗拉强度设计值。
2.2.2 作用和作用效应
M——弯矩设计值;
Mj——预制拼装综合管廊节段横向拼缝接头处弯矩设计值;
Mk——预制拼装综合管廊节段横向拼缝接头处弯矩标准值;
Mz——预制拼装综合管廊节段整浇部位弯矩设计值;
N——轴向力设计值;
Nj——预制拼装综合管廊节段横向拼缝接头处轴力设计值;
Nz——预制拼装综合管廊节段整浇部位轴力设计值。
2.2.3 几何参数
A——密封垫沟槽截面面积;
A0——密封垫截面面积;
Ap——预应力筋或螺栓的截面面积;
h——截面高度;
x——混凝土受压区高度;
θ——预制拼装综合管廊拼缝相对转角。
2.2.4 计算系数及其他
K——旋转弹簧常数;
α1——系数;
ζ——拼缝接头弯矩影响系数。
3 基本规定
3.0.1 给水、雨水、污水、再生水、天然气、热力、电力、通信等城市工程管线可纳入综合管廊。
3.0.2 综合管廊工程建设应以综合管廊工程规划为依据。
3.0.3 综合管廊工程应结合新区建设、旧城改造、道路新(扩、改)建,在城市重要地段和管线密集区规划建设。
3.0.4 城市新区主干路下的管线宜纳入综合管廊,综合管廊应与主干路同步建设。城市老(旧)城区综合管廊建设宜结合地下空间开发、旧城改造、道路改造、地下主要管线改造等项目同步进行。
3.0.5 综合管廊工程规划与建设应与地下空间、环境景观等相关城市基础设施衔接、协调。
3.0.6 综合管廊应统一规划、设计、施工和维护,并应满足管线的使用和运营维护要求。
3.0.7 综合管廊应同步建设消防、供电、照明、监控与报警、通风、排水、标识等设施。
3.0.8 综合管廊工程规划、设计、施工和维护应与各类工程管线统筹协调。
3.0.9 综合管廊工程设计应包含总体设计、结构设计、附属设施设计等,纳入综合管廊的管线应进行专项管线设计。
3.0.10 纳入综合管廊的工程管线设计应符合综合管廊总体设计的规定及国家现行相应管线设计标准的规定。
4 规 划
4.1 一般规定
4.1.1 综合管廊工程规划应符合城市总体规划要求,规划年限应与城市总体规划一致,并应预留远景发展空间。
4.1.2 综合管廊工程规划应与城市地下空间规划、工程管线专项规划及管线综合规划相衔接。
4.1.3 综合管廊工程规划应坚持因地制宜、远近结合、统一规划、统筹建设的原则。
4.1.4 综合管廊工程规划应集约利用地下空间,统筹规划综合管廊内部空间,协调综合管廊与其他地上、地下工程的关系。
4.1.5 综合管廊工程规划应包含平面布局、断面、位置、近期建设计划等内容。
4.2 平面布局
4.2.1 综合管廊布局应与城市功能分区、建设用地布局和道路网规划相适应。
4.2.2 综合管廊工程规划应结合城市地下管线现状,在城市道路、轨道交通、给水、雨水、污水、再生水、天然气、热力、电力、通信等专项规划以及地下管线综合规划的基础上,确定综合管廊的布局。
4.2.3 综合管廊应与地下交通、地下商业开发、地下人防设施及其他相关建设项目协调。
4.2.4 综合管廊宜分为干线综合管廊、支线综合管廊及缆线管廊。
4.2.5 当遇到下列情况之一时,宜采用综合管廊:
1 交通运输繁忙或地下管线较多的城市主干道以及配合轨道交通、地下道路、城市地下综合体等建设工程地段;
2 城市核心区、中央商务区、地下空间高强度成片集中开发区、重要广场、主要道路的交叉口、道路与铁路或河流的交叉处、过江隧道等;
3 道路宽度难以满足直埋敷设多种管线的路段;
4 重要的公共空间;
5 不宜开挖路面的路段。
4.2.6 综合管廊应设置监控中心,监控中心宜与临近公共建筑合建,建筑面积应满足使用要求。
4.3 断 面
4.3.1 综合管廊断面形式应根据纳入管线的种类及规模、建设方式、预留空间等确定。
4.3.2 综合管廊断面应满足管线安装、检修、维护作业所需要的空间要求。
4.3.3 综合管廊内的管线布置应根据纳入管线的种类、规模及周边用地功能确定。
4.3.4 天然气管道应在独立舱室内敷设。
4.3.5 热力管道采用蒸汽介质时应在独立舱室内敷设。
4.3.6 热力管道不应与电力电缆同舱敷设。
4.3.7 110kV及以上电力电缆,不应与通信电缆同侧布置。
4.3.8 给水管道与热力管道同侧布置时,给水管道宜布置在热力管道下方。
4.3.9 进入综合管廊的排水管道应采用分流制,雨水纳入综合管廊可利用结构本体或采用管道方式。
4.3.10 污水纳入综合管廊应采用管道排水方式,污水管道宜设置在综合管廊的底部。
4.4 位 置
4.4.1 综合管廊位置应根据道路横断面、地下管线和地下空间利用情况等确定。
4.4.2 干线综合管廊宜设置在机动车道、道路绿化带下。
4.4.3 支线综合管廊宜设置在道路绿化带、人行道或非机动车道下。
4.4.4 缆线管廊宜设置在人行道下。
4.4.5 综合管廊的覆土深度应根据地下设施竖向规划、行车荷载、绿化种植及设计冻深等因素综合确定。
5 总体设计
5.1 一般规定
5.1.1 综合管廊平面中心线宜与道路、铁路、轨道交通、公路中心线平行。
5.1.2 综合管廊穿越城市快速路、主干路、铁路、轨道交通、公路时,宜垂直穿越;受条件限制时可斜向穿越,最小交叉角不宜小于60o。
5.1.3 综合管廊的断面形式及尺寸应根据施工方法及容纳的管线种类、数量、分支等综合确定。
5.1.4 综合管廊管线分支口应满足预留数量、管线进出、安装敷设作业的要求。相应的分支配套设施应同步设计。
5.1.5 含天然气管道舱室的综合管廊不应与其他建(构)筑物合建。
5.1.6 天然气管道舱室与周边建(构)筑物间距应符合现行国家标准《城镇燃气设计规范》GB 50028的有关规定。
5.1.7 压力管道进出综合管廊时,应在综合管廊外部设置阀门。
5.1.8 综合管廊设计时,应预留管道排气阀、补偿器、阀门等附件安装、运行、维护作业所需要的空间。
5.1.9 管道的三通、弯头等部位应设置支撑或预埋件。
5.1.10 综合管廊顶板处,应设置供管道及附件安装用的吊钩、拉环或导轨。吊钩、拉环相邻间距不宜大于10m。
5.1.11 天然气管道舱室地面应采用撞击时不产生火花的材料。
5.2 空间设计
5.2.1 综合管廊穿越河道时应选择在河床稳定的河段,最小覆土深度应满足河道整治和综合管廊安全运行的要求,并应符合下列规定:
1 在Ⅰ~Ⅴ级航道下面敷设时,顶部高程应在远期规划航道底高程2.0m以下;
2 在Ⅵ、Ⅶ级航道下面敷设时,顶部高程应在远期规划航道底高程1.0m以下;
3 在其他河道下面敷设时,顶部高程应在河道底设计高程1.0m以下。
5.2.2 综合管廊与相邻地下管线及地下构筑物的最小净距应根据地质条件和相邻构筑物性质确定,且不得小于表5.2.2的规定。
表5.2.2 综合管廊与相邻地下构筑物的最小净距

5.2.3 综合管廊最小转弯半径,应满足综合管廊内各种管线的转弯半径要求。
5.2.4 综合管廊的监控中心与综合管廊之间宜设置专用连接通道,通道的净尺寸应满足日常检修通行的要求。
5.2.5 综合管廊与其他方式敷设的管线连接处,应采取密封和防止差异沉降的措施。
5.2.6 综合管廊内纵向坡度超过10%时,应在人员通道部位设置防滑地坪或台阶。
5.2.7 综合管廊内电力电缆弯曲半径和分层布置,应符合现行国家标准《电力工程电缆设计规范》GB 50217的有关规定。
5.2.8 综合管廊内通信线缆弯曲半径应大于线缆直径的15倍,且应符合现行行业标准《通信线路工程设计规范》YD 5102的有关规定。
5.3 断面设计
5.3.1 综合管廊标准断面内部净高应根据容纳管线的种类、规格、数量、安装要求等综合确定,不宜小于2.4m。
5.3.2 综合管廊标准断面内部净宽应根据容纳的管线种类、数量、运输、安装、运行、维护等要求综合确定。
5.3.3 综合管廊通道净宽,应满足管道、配件及设备运输的要求,并应符合下列规定:
1 综合管廊内两侧设置支架或管道时,检修通道净宽不宜小于1.0m;单侧设置支架或管道时,检修通道净宽不宜小于0.9m。
2 配备检修车的综合管廊检修通道宽度不宜小于2.2m。
5.3.4 电力电缆的支架间距应符合现行国家标准《电力工程电缆设计规范》GB 50217的有关规定。
5.3.5 通信线缆的桥架间距应符合现行行业标准《光缆进线室设计规定》YD/T 5151的有关规定。
5.3.6 综合管廊的管道安装净距(图5.3.6)不宜小于表5.3.6的规定。

图5.3.6 管道安装净距表
5.3.6 综合管廊的管道安装净距

5.4 节点设计
5.4.1 综合管廊的每个舱室应设置人员出入口、逃生口、吊装口、进风口、排风口、管线分支口等。
5.4.2 综合管廊的人员出入口、逃生口、吊装口、进风口、排风口等露出地面的构筑物应满足城市防洪要求,并应采取防止地面水倒灌及小动物进入的措施。
5.4.3 综合管廊人员出入口宜与逃生口、吊装口、进风口结合设置,且不应少于2个。
5.4.4 综合管廊逃生口的设置应符合下列规定:
1 敷设电力电缆的舱室,逃生口间距不宜大于200m。
2 敷设天然气管道的舱室,逃生口间距不宜大于200m。
3 敷设热力管道的舱室,逃生口间距不应大于400m。
当热力管道采用蒸汽介质时,逃生口间距不应大于100m。
4 敷设其他管道的舱室,逃生口间距不宜大于400m。
5 逃生口尺寸不应小于1m×1m,当为圆形时,内径不应小于1m。
5.4.5 综合管廊吊装口的最大间距不宜超过400m。
吊装口净尺寸应满足管线、设备、人员进出的最小允许限界要求。
5.4.6 综合管廊进、排风口的净尺寸应满足通风设备进出的最小尺寸要求。
5.4.7 天然气管道舱室的排风口与其他舱室排风口、进风口、人员出入口以及周边建(构)筑物口部距离不应小于10m。
天然气管道舱室的各类孔口不得与其他舱室连通,并应设置明显的安全警示标识。
5.4.8 露出地面的各类孔口盖板应设置在内部使用时易于人力开启,且在外部使用时非专业人员难以开启的安全装置。
6 管线设计
6.1 一般规定
6.1.1 管线设计应以综合管廊总体设计为依据。
6.1.2 纳入综合管廊的金属管道应进行防腐设计。
6.1.3 管线配套检测设备、控制执行机构或监控系统应设置与综合管廊监控与报警系统联通的信号传输接口。
6.2 给水、再生水管道
6.2.1 给水、再生水管道设计应符合现行国家标准《室外给水设计规范》GB 50013和《污水再生利用工程设计规范》GB 50335的有关规定。
6.2.2 给水、再生水管道可选用钢管、球墨铸铁管、塑料管等。接口宜采用刚性连接,钢管可采用沟槽式连接。
6.2.3 管道支撑的形式、间距、固定方式应通过计算确定,并应符合现行国家标准《给水排水工程管道结构设计规范》GB 50332的有关规定。
6.3 排水管渠
6.3.1 雨水管渠、污水管道设计应符合现行国家标准《室外排水设计规范》GB 50014的有关规定。
6.3.2 雨水管渠、污水管道应按规划最高日最高时设计流量确定其断面尺寸,并应按近期流量校核流速。
6.3.3 排水管渠进入综合管廊前,应设置检修闸门或闸槽。
6.3.4 雨水、污水管道可选用钢管、球墨铸铁管、塑料管等。压力管道宜采用刚性接口,钢管可采用沟槽式连接。
6.3.5 雨水、污水管道支撑的形式、间距、固定方式应通过计算确定,并应符合现行国家标准《给水排水工程管道结构设计规范》GB 50332的有关规定。
6.3.6 雨水、污水管道系统应严格密闭。管道应进行功能性试验。
6.3.7 雨水、污水管道的通气装置应直接引至综合管廊外部安全空间,并应与周边环境相协调。
6.3.8 雨水、污水管道的检查及清通设施应满足管道安装、检修、运行和维护的要求。重力流管道并应考虑外部排水系统水位变化、冲击负荷等情况对综合管廊内管道运行安全的影响。
6.3.9 利用综合管廊结构本体排除雨水时,雨水舱结构空间应完全独立和严密,并应采取防止雨水倒灌或渗漏至其他舱室的措施。
6.4 天然气管道
6.4.1 天然气管道设计应符合现行国家标准《城镇燃气设计规范》GB 50028的有关规定。
6.4.2 天然气管道应采用无缝钢管。
6.4.3 天然气管道的连接应采用焊接,焊缝检测要求应符合表6.4.3的规定。
表6.4.3 焊缝检测要求

注:
1 射线检验符合现行行业标准《承压设备无损检测 第2部分:射线检测》JB/T 4730.2规定的Ⅱ级(AB级)为合格。
2 超声波检验符合现行行业标准《承压设备无损检测 第3部分:超声检测》JB/T 4730.3规定的Ⅰ级为合格。
6.4.4 天然气管道支撑的形式、间距、固定方式应通过计算确定,并应符合现行国家标准《城镇燃气设计规范》GB 50028的有关规定。
6.4.5 天然气管道的阀门、阀件系统设计压力应按提高一个压力等级设计。6.4.6 天然气调压装置不应设置在综合管廊内。
6.4.7 天然气管道分段阀宜设置在综合管廊外部。当分段阀设置在综合管廊内部时,应具有远程关闭功能。
6.4.8 天然气管道进出综合管廊时应设置具有远程关闭功能的紧急切断阀。
6.4.9 天然气管道进出综合管廊附近的埋地管线、放散管、天然气设备等均应满足防雷、防静电接地的要求。
6.5 热力管道
6.5.1 热力管道应采用钢管、保温层及外护管紧密结合成一体的预制管,并应符合国家现行标准《高密度聚乙烯外护管硬质聚氨酯泡沫塑料预制直埋保温管及管件》GB/T 29047和《玻璃纤维增强塑料外护层聚氨酯泡沫塑料预制直埋保温管》CJ/T 129的有关规定。
6.5.2 管道附件必须进行保温。
6.5.3 管道及附件保温结构的表面温度不得超过50℃。
保温设计应符合现行国家标准《设备及管道绝热技术通则》GB/T 4272、《设备及管道绝热设计导则》GB/T 8175和《工业设备及管道绝热工程设计规范》GB 50264的有关规定。
6.5.4 当同舱敷设的其他管线有正常运行所需环境温度限制要求时,应按舱内温度限定条件校核保温层厚度。
6.5.5 当热力管道采用蒸汽介质时,排气管应引至综合管廊外部安全空间,并应与周边环境相协调。
6.5.6 热力管道设计应符合现行行业标准《城镇供热管网设计规范》CJJ 34和《城镇供热管网结构设计规范》CJJ 105的有关规定。
6.5.7 热力管道及配件保温材料应采用难燃材料或不燃材料。
6.6 电力电缆
6.6.1 电力电缆应采用阻燃电缆或不燃电缆。
6.6.2 应对综合管廊内的电力电缆设置电气火灾监控系统。在电缆接头处应设置自动灭火装置。
6.6.3 电力电缆敷设安装应按支架形式设计,并应符合现行国家标准《电力工程电缆设计规范》GB 50217和《交流电气装置的接地设计规范》GB/T 50065的有关规定。
6.7 通信线缆
6.7.1 通信线缆应采用阻燃线缆。
6.7.2 通信线缆敷设安装应按桥架形式设计,并应符合国家现行标准《综合布线系统工程设计规范》GB 50311和《光缆进线室设计规定》YD/T 5151的有关规定。
7 附属设施设计
7.1 消防系统
7.1.1 含有下列管线的综合管廊舱室火灾危险性分类应符合表7.1.1的规定:
表7.1.1 综合管廊舱室火灾危险性分类

7.1.2 当舱室内含有两类及以上管线时,舱室火灾危险性类别应按火灾危险性较大的管线确定。
7.1.3 综合管廊主结构体应为耐火极限不低于3.0h的不燃性结构。
7.1.4 综合管廊内不同舱室之间应采用耐火极限不低于3.0h的不燃性结构进行分隔。
7.1.5 除嵌缝材料外,综合管廊内装修材料应采用不燃材料。
7.1.6 天然气管道舱及容纳电力电缆的舱室应每隔200m采用耐火极限不低于3.0h的不燃性墙体进行防火分隔。防火分隔处的门应采用甲级防火门,管线穿越防火隔断部位应采用阻火包等防火封堵措施进行严密封堵。
7.1.7 综合管廊交叉口及各舱室交叉部位应采用耐火极限不低于3.0h的不燃性墙体进行防火分隔,当有人员通行需求时,防火分隔处的门应采用甲级防火门,管线穿越防火隔断部位应采用阻火包等防火封堵措施进行严密封堵。
7.1.8 综合管廊内应在沿线、人员出入口、逃生口等处设置灭火器材,灭火器材的设置间距不应大于50m,灭火器的配置应符合现行国家标准《建筑灭火器配置设计规范》GB 50140的有关规定。
7.1.9 干线综合管廊中容纳电力电缆的舱室,支线综合管廊中容纳6根及以上电力电缆的舱室应设置自动灭火系统;其他容纳电力电缆的舱室宜设置自动灭火系统。
7.1.10 综合管廊内的电缆防火与阻燃应符合国家现行标准《电力工程电缆设计规范》GB 50217和《电力电缆隧道设计规程》DL/T 5484及《阻燃及耐火电缆 塑料绝缘阻燃及耐火电缆分级和要求 第1部分:阻燃电缆》GA 306.1和《阻燃及耐火电缆 塑料绝缘阻燃及耐火电缆分级和要求 第2部分:耐火电缆》GA 306.2的有关规定。
7.2 通风系统
7.2.1 综合管廊宜采用自然进风和机械排风相结合的通风方式。
天然气管道舱和含有污水管道的舱室应采用机械进、排风的通风方式。
7.2.2 综合管廊的通风量应根据通风区间、截面尺寸并经计算确定,且应符合下列规定:
1 正常通风换气次数不应小于2次/h,事故通风换气次数不应小于6次/h。
2 天然气管道舱正常通风换气次数不应小于6次/h,事故通风换气次数不应小于12次/h。
3 舱室内天然气浓度大于其爆炸下限浓度值(体积分数)20%时,应启动事故段分区及其相邻分区的事故通风设备。
7.2.3 综合管廊的通风口处出风风速不宜大于5m/s。
7.2.4 综合管廊的通风口应加设防止小动物进入的金属网格,网孔净尺寸不应大于10mm×10mm。
7.2.5 综合管廊的通风设备应符合节能环保要求。天然气管道舱风机应采用防爆风机。
7.2.6 当综合管廊内空气温度高于40℃或需进行线路检修时,应开启排风机,并应满足综合管廊内环境控制的要求。
7.2.7 综合管廊舱室内发生火灾时,发生火灾的防火分区及相邻分区的通风设备应能够自动关闭。
7.2.8 综合管廊内应设置事故后机械排烟设施。
7.3 供电系统
7.3.1 综合管廊供配电系统接线方案、电源供电电压、供电点、供电回路数、容量等应依据综合管廊建设规模、周边电源情况、综合管廊运行管理模式,并经技术经济比较后确定。
7.3.2 综合管廊的消防设备、监控与报警设备、应急照明设备应按现行国家标准《供配电系统设计规范》GB 50052规定的二级负荷供电。
天然气管道舱的监控与报警设备、管道紧急切断阀、事故风机应按二级负荷供电,且宜采用两回线路供电;
当采用两回线路供电有困难时,应另设置备用电源。其余用电设备可按三级负荷供电。
7.3.3 综合管廊附属设备配电系统应符合下列规定:
1 综合管廊内的低压配电应采用交流220V/380V系统,系统接地型式应为TN S制,并宜使三相负荷平衡;
2 综合管廊应以防火分区作为配电单元,各配电单元电源进线截面应满足该配电单元内设备同时投入使用时的用电需要;
3 设备受电端的电压偏差:动力设备不宜超过供电标称电压的±5%,照明设备不宜超过+5%、-10%;
4 应采取无功功率补偿措施;
5 应在各供电单元总进线处设置电能计量测量装置。
7.3.4 综合管廊内电气设备应符合下列规定:
1 电气设备防护等级应适应地下环境的使用要求,应采取防水防潮措施,防护等级不应低于IP54;
2 电气设备应安装在便于维护和操作的地方,不应安装在低洼、可能受积水浸入的地方;
3 电源总配电箱宜安装在管廊进出口处;
4 天然气管道舱内的电气设备应符合现行国家标准《爆炸危险环境电力装置设计规范》GB 50058有关爆炸性气体环境2区的防爆规定。
7.3.5 综合管廊内应设置交流220V/380V带剩余电流动作保护装置的检修插座,插座沿线间距不宜大于60m。
检修插座容量不宜小于15kW,安装高度不宜小于0.5m。
天然气管道舱内的检修插座应满足防爆要求,且应在检修环境安全的状态下送电。
7.3.6 非消防设备的供电电缆、控制电缆应采用阻燃电缆,火灾时需继续工作的消防设备应采用耐火电缆或不燃电缆。
天然气管道舱内的电气线路不应有中间接头,线路敷设应符合现行国家标准《爆炸危险环境电力装置设计规范》GB 50058的有关规定。
7.3.7 综合管廊每个分区的人员进出口处宜设置本分区通风、照明的控制开关。
7.3.8 综合管廊接地应符合下列规定:
1 综合管廊内的接地系统应形成环形接地网,接地电阻不应大于1Ω。
2 综合管廊的接地网宜采用热镀锌扁钢,且截面面积不应小于40mm×5mm。
接地网应采用焊接搭接,不得采用螺栓搭接。
3 综合管廊内的金属构件、电缆金属套、金属管道以及电气设备金属外壳均应与接地网连通。
4 含天然气管道舱室的接地系统尚应符合现行国家标准《爆炸危险环境电力装置设计规范》GB 50058的有关规定。
7.3.9 综合管廊地上建(构)筑物部分的防雷应符合现行国家标准《建筑物防雷设计规范》GB 50057的有关规定;
地下部分可不设置直击雷防护措施,但应在配电系统中设置防雷电感应过电压的保护装置,并应在综合管廊内设置等电位联结系统。
7.4 照明系统
7.4.1 综合管廊内应设正常照明和应急照明,并应符合下列规定:
1 综合管廊内人行道上的一般照明的平均照度不应小于15lx,最低照度不应小于5lx;
出入口和设备操作处的局部照度可为100lx。
监控室一般照明照度不宜小于300lx。
2 管廊内疏散应急照明照度不应低于5lx,应急电源持续供电时间不应小于60min。
3 监控室备用应急照明照度应达到正常照明照度的要求。
4 出入口和各防火分区防火门上方应设置安全出口标志灯,灯光疏散指示标志应设置在距地坪高度1.0m以下,间距不应大于20m。
7.4.2 综合管廊照明灯具应符合下列规定:
1 灯具应为防触电保护等级I类设备,能触及的可导电部分应与固定线路中的保护(PE)线可靠连接。
2 灯具应采取防水防潮措施,防护等级不宜低于IP54,并应具有防外力冲撞的防护措施。
3 灯具应采用节能型光源,并应能快速启动点亮。
4 安装高度低于2.2m的照明灯具应采用24V及以下安全电压供电。
当采用220V电压供电时,应采取防止触电的安全措施,并应敷设灯具外壳专用接地线。
5 安装在天然气管道舱内的灯具应符合现行国家标准《爆炸危险环境电力装置设计规范》GB 50058的有关规定。
7.4.3 照明回路导线应采用硬铜导线,截面面积不应小于2.5mm2。
线路明敷设时宜采用保护管或线槽穿线方式布线。
天然气管线舱内的照明线路应采用低压流体输送用镀锌焊接钢管配线,并应进行隔离密封防爆处理。
7.5 监控与报警系统
7.5.1 综合管廊监控与报警系统宜分为环境与设备监控系统、安全防范系统、通信系统、预警与报警系统、地理信息系统和统一管理信息平台等。
7.5.2 监控与报警系统的组成及其系统架构、系统配置应根据综合管廊建设规模、纳入管线的种类、综合管廊运营维护管理模式等确定。
7.5.3 监控、报警和联动反馈信号应送至监控中心。
7.5.4 综合管廊应设置环境与设备监控系统,并应符合下列规定:
1 应能对综合管廊内环境参数进行监测与报警。环境参数检测内容应符合表7.5.4的规定,含有两类及以上管线的舱室,应按较高要求的管线设置。
气体报警设定值应符合国家现行标准《密闭空间作业职业危害防护规范》GBZ/T 205的有关规定。
表7.5.4 环境参数检测内容

注:●应监测;▲宜监测。
2 应对通风设备、排水泵、电气设备等进行状态监测和控制;设备控制方式宜采用就地手动、就地自动和远程控制。
3 应设置与管廊内各类管线配套检测设备、控制执行机构联通的信号传输接口;当管线采用自成体系的专业监控系统时,应通过标准通信接口接入综合管廊监控与报警系统统一管理平台。
4 环境与设备监控系统设备宜采用工业级产品。
5 H2S、CH4气体探测器应设置在管廊内人员出入口和通风口处。
7.5.5 综合管廊应设置安全防范系统,并应符合下列规定:
1 综合管廊内设备集中安装地点、人员出入口、变配电间和监控中心等场所应设置摄像机;综合管廊内沿线每个防火分区内应至少设置一台摄像机,不分防火分区的舱室,摄像机设置间距不应大于100m。
2 综合管廊人员出入口、通风口应设置入侵报警探测装置和声光报警器。
3 综合管廊人员出入口应设置出入口控制装置。
4 综合管廊应设置电子巡查管理系统,并宜采用离线式。
5 综合管廊的安全防范系统应符合现行国家标准《安全防范工程技术规范》GB 50348、《入侵报警系统工程设计规范》GB 50394、《视频安防监控系统工程设计规范》GB 50395和《出入口控制系统工程设计规范》GB 50396的有关规定。
7.5.6 综合管廊应设置通信系统,并应符合下列规定:
1 应设置固定式通信系统,电话应与监控中心接通,信号应与通信网络联通。
综合管廊人员出入口或每一防火分区内应设置通信点;不分防火分区的舱室,通信点设置间距不应大于100m。
2 固定式电话与消防专用电话合用时,应采用独立通信系统。
3 宜设置用于对讲通话的无线信号覆盖系统。
7.5.7 干线、支线综合管廊含电力电缆的舱室应设置火灾自动报警系统,并应符合下列规定:
1 应在电力电缆表层设置线型感温火灾探测器,并应在舱室顶部设置线型光纤感温火灾探测器或感烟火灾探测器;
2 应设置防火门监控系统;
3 设置火灾探测器的场所应设置手动火灾报警按钮和火灾警报器,手动火灾报警按钮处宜设置电话插孔;
4 确认火灾后,防火门监控器应联动关闭常开防火门,消防联动控制器应能联动关闭着火分区及相邻分区通风设备、启动自动灭火系统;
5 应符合现行国家标准《火灾自动报警系统设计规范》GB 50116的有关规定。
7.5.8 天然气管道舱应设置可燃气体探测报警系统,并应符合下列规定:
1天然气报警浓度设定值(上限值)不应大于其爆炸下限值(体积分数)的20%;
2 天然气探测器应接入可燃气体报警控制器;3 当天然气管道舱天然气浓度超过报警浓度设定值(上限值)时,应由可燃气体报警控制器或消防联动控制器联动启动天然气舱事故段分区及其相邻分区的事故通风设备;
4 紧急切断浓度设定值(上限值)不应大于其爆炸下限值(体积分数)的25%;
5 应符合国家现行标准《石油化工可燃气体和有毒气体检测报警设计规范》GB 50493、《城镇燃气设计规范》GB 50028和《火灾自动报警系统设计规范》GB 50116的有关规定。
7.5.9 综合管廊宜设置地理信息系统,并应符合下列规定:
1 应具有综合管廊和内部各专业管线基础数据管理、图档管理、管线拓扑维护、数据离线维护、维修与改造管理、基础数据共享等功能;
2 应能为综合管廊报警与监控系统统一管理信息平台提供人机交互界面。
7.5.10 综合管廊应设置统一管理平台,并应符合下列规定:
1 应对监控与报警系统各组成系统进行系统集成,并应具有数据通信、信息采集和综合处理功能;
2 应与各专业管线配套监控系统联通;
3 应与各专业管线单位相关监控平台联通;
4 宜与城市基础设施地理信息系统联通或预留通信接口;
5 应具有可靠性、容错性、易维护性和可扩展性。
7.5.11 天然气管道舱内设置的监控与报警系统设备、安装与接线技术要求应符合现行国家标准《爆炸危险环境电力装置设计规范》GB 50058的有关规定。
7.5.12 监控与报警系统中的非消防设备的仪表控制电缆、通信线缆应采用阻燃线缆。消防设备的联动控制线缆应采用耐火线缆。
7.5.13 火灾自动报警系统布线应符合现行国家标准《火灾自动报警系统设计规范》GB 50116的有关规定。
7.5.14 监控与报警系统主干信息传输网络介质宜采用光缆。
7.5.15 综合管廊内监控与报警设备防护等级不宜低于IP65。
7.5.16 监控与报警设备应由在线式不间断电源供电。
7.5.17 监控与报警系统的防雷、接地应符合现行国家标准《火灾自动报警系统设计规范》GB 50116、《电子信息系统机房设计规范》GB 50174和《建筑物电子信息系统防雷技术规范》GB 50343的有关规定。
7.6 排水系统
7.6.1 综合管廊内应设置自动排水系统。
7.6.2 综合管廊的排水区间长度不宜大于200m。
7.6.3 综合管廊的低点应设置集水坑及自动水位排水泵。
7.6.4 综合管廊的底板宜设置排水明沟,并应通过排水明沟将综合管廊内积水汇入集水坑,排水明沟的坡度不应小于0.2%。
7.6.5 综合管廊的排水应就近接入城市排水系统,并应设置逆止阀。
7.6.6 天然气管道舱应设置独立集水坑。
7.6.7 综合管廊排出的废水温度不应高于40℃。
7.7 标识系统
7.7.1 综合管廊的主出入口内应设置综合管廊介绍牌,并应标明综合管廊建设时间、规模、容纳管线。
7.7.2 纳入综合管廊的管线,应采用符合管线管理单位要求的标识进行区分,并应标明管线属性、规格、产权单位名称、紧急联系电话。标识应设置在醒目位置,间隔距离不应大于100m。
7.7.3 综合管廊的设备旁边应设置设备铭牌,并应标明设备的名称、基本数据、使用方式及紧急联系电话。
7.7.4 综合管廊内应设置“禁烟”、“注意碰头”、“注意脚下”、“禁止触摸”、“防坠落”等警示、警告标识。
7.7.5 综合管廊内部应设置里程标识,交叉口处应设置方向标识。
7.7.6 人员出入口、逃生口、管线分支口、灭火器材设置处等部位,应设置带编号的标识。
7.7.7 综合管廊穿越河道时,应在河道两侧醒目位置设置明确的标识。
8 结构设计
8.1 一般规定
8.1.1 综合管廊土建工程设计应采用以概率理论为基础的极限状态设计方法,应以可靠指标度量结构构件的可靠度。
除验算整体稳定外,均应采用含分项系数的设计表达式进行设计。
8.1.2 综合管廊结构设计应对承载能力极限状态和正常使用极限状态进行计算。
8.1.3 综合管廊工程的结构设计使用年限应为100年。
8.1.4 综合管廊结构应根据设计使用年限和环境类别进行耐久性设计,并应符合现行国家标准《混凝土结构耐久性设计规范》GB/T 50476的有关规定。
8.1.5 综合管廊工程应按乙类建筑物进行抗震设计,并应满足国家现行标准的有关规定。
8.1.6 综合管廊的结构安全等级应为一级,结构中各类构件的安全等级宜与整个结构的安全等级相同。
8.1.7 综合管廊结构构件的裂缝控制等级应为三级,结构构件的最大裂缝宽度限值应小于或等于0.2mm,且不得贯通。
8.1.8 综合管廊应根据气候条件、水文地质状况、结构特点、施工方法和使用条件等因素进行防水设计,防水等级标准应为二级,并应满足结构的安全、耐久性和使用要求。
综合管廊的变形缝、施工缝和预制构件接缝等部位应加强防水和防火措施。
8.1.9 对埋设在历史最高水位以下的综合管廊,应根据设计条件计算结构的抗浮稳定。
计算时不应计入综合管廊内管线和设备的自重,其他各项作用应取标准值,并应满足抗浮稳定性抗力系数不低于1.05。
8.1.10 预制综合管廊纵向节段的长度应根据节段吊装、运输等施工过程的限制条件综合确定。
8.2 材 料
8.2.1 综合管廊工程中所使用的材料应根据结构类型、受力条件、使用要求和所处环境等选用,并应考虑耐久性、可靠性和经济性。
主要材料宜采用高性能混凝土、高强钢筋。
当地基承载力良好、地下水位在综合管廊底板以下时,可采用砌体材料。
8.2.2 钢筋混凝土结构的混凝土强度等级不应低于C30。
预应力混凝土结构的混凝土强度等级不应低于C40。
8.2.3 地下工程部分宜采用自防水混凝土,设计抗渗等级应符合表8.2.3的规定。
表8.2.3 防水混凝土设计抗渗等级

8.2.4 用于防水混凝土的水泥应符合下列规定:1 水泥品种宜选用硅酸盐水泥、普通硅酸盐水泥;2 在受侵蚀性介质作用下,应按侵蚀性介质的性质选用相应的水泥品种。8.2.5 用于防水混凝土的砂、石应符合现行国家标准《普通混凝土用砂、石质量及检验方法标准》JGJ 52的有关规定。8.2.6 防水混凝土中各类材料的氯离子含量和含碱量(Na2O当量)应符合下列规定:1 氯离子含量不应超过凝胶材料总量的0.1%。2 采用无活性骨料时,含碱量不应超过3kg/m3;采用有活性骨料时,应严格控制混凝土含碱量并掺加矿物掺合料。8.2.7 混凝土可根据工程需要掺入减水剂、膨胀剂、防水剂、密实剂、引气剂、复合型外加剂及水泥基渗透结晶型材料等,其品种和用量应经试验确定,所用外加剂的技术性能应符合国家现行标准的有关质量要求。8.2.8 用于拌制混凝土的水,应符合现行国家标准《混凝土用水标准》JGJ 63的有关规定。8.2.9 混凝土可根据工程抗裂需要掺入合成纤维或钢纤维,纤维的品种及掺量应符合国家现行标准的有关规定,无相关规定时应通过试验确定。
8.2.10 钢筋应符合现行国家标准《钢筋混凝土用钢 第1部分:热轧光圆钢筋》GB 1499.1、《钢筋混凝土用钢 第2部分:热轧带肋钢筋》GB 1499.2和《钢筋混凝土用余热处理钢筋》GB 13014的有关规定。8.2.11 预应力筋宜采用预应力钢绞线和预应力螺纹钢筋,并应符合现行国家标准《预应力混凝土用钢绞线》GB/T 5224和《预应力混凝土用螺纹钢筋》GB/T 20065的有关规定。8.2.12 用于连接预制节段的螺栓应符合现行国家标准《钢结构设计规范》GB 50017的有关规定。8.2.13 纤维增强塑料筋应符合现行国家标准《结构工程用纤维增强复合材料筋》GB/T 26743的有关规定。8.2.14 预埋钢板宜采用Q235钢、Q345钢,其质量应符合现行国家标准《碳素结构钢》GB/T 700的有关规定。8.2.15 砌体结构所用材料的最低强度等级应符合表8.2.15的规定。
表8.2.15 砌体结构所用材料的最低强度等级

8.2.16 弹性橡胶密封垫的主要物理性能应符合表8.2.16的规定。
表8.2.16 弹性橡胶密封垫的主要物理性能

注:以上指标均为成品切片测试的数据,若只能以胶料制成试样测试,则其伸长率、拉伸强度的性能数据应达到本规定的120%。
8.2.17 遇水膨胀橡胶密封垫的主要物理性能应符合表8.2.17的规定。
表8.2.17 遇水膨胀橡胶密封垫的主要物理性能


注:
1 *硬度为推荐项目。
2 成品切片测试应达到标准的80%。
3 接头部位的拉伸强度不低于上表标准性能的50%。
8.3 结构上的作用
8.3.1 综合管廊结构上的作用,按性质可分为永久作用和可变作用。
8.3.2 结构设计时,对不同的作用应采用不同的代表值。永久作用应采用标准值作为代表值;可变作用应根据设计要求采用标准值、组合值或准永久值作为代表值。作用的标准值应为设计采用的基本代表值。
8.3.3 当结构承受两种或两种以上可变作用时,在承载力极限状态设计或正常使用极限状态按短期效应标准值设计时,对可变作用应取标准值和组合值作为代表值。
8.3.4 当正常使用极限状态按长期效应准永久组合设计时,对可变作用应采用准永久值作为代表值。
8.3.5 结构主体及收容管线自重可按结构构件及管线设计尺寸计算确定。常用材料及其制作件的自重可按现行国家标准《建筑结构荷载规范》GB 50009的规定采用。
8.3.6 预应力综合管廊结构上的预应力标准值,应为预应力钢筋的张拉控制应力值扣除各项预应力损失后的有效预应力值。张拉控制应力值应按现行国家标准《混凝土结构设计规范》GB 50010的有关规定确定。
8.3.7 建设场地地基土有显著变化段的综合管廊结构,应计算地基不均匀沉降的影响,其标准值应按现行国家标准《建筑地基基础设计规范》GB 50007的有关规定计算确定。
8.3.8 制作、运输和堆放、安装等短暂设计状况下的预制构件验算,应符合现行国家标准《混凝土结构工程施工规范》GB 50666的有关规定。
8.4 现浇混凝土综合管廊结构
8.4.1 现浇混凝土综合管廊结构的截面内力计算模型宜采用闭合框架模型。
作用于结构底板的基底反力分布应根据地基条件确定,并应符合下列规定:
1 地层较为坚硬或经加固处理的地基,基底反力可视为直线分布;
2 未经处理的软弱地基,基底反力应按弹性地基上的平面变形截条计算确定。
8.4.2 现浇混凝土综合管廊结构设计应符合现行国家标准《混凝土结构设计规范》GB 50010、《纤维增强复合材料建设工程应用技术规范》GB 50608的有关规定。
8.5 预制拼装综合管廊结构
8.5.1 预制拼装综合管廊结构宜采用预应力筋连接接头、螺栓连接接头或承插式接头。
当场地条件较差,或易发生不均匀沉降时,宜采用承插式接头。当有可靠依据时,也可采用其他能够保证预制拼装综合管廊结构安全性、适用性和耐久性的接头构造。
8.5.2 仅带纵向拼缝接头的预制拼装综合管廊结构的截面内力计算模型宜采用与现浇混凝土综合管廊结构相同的闭合框架模型。
8.5.3 带纵、横向拼缝接头的预制拼装综合管廊的截面内力计算模型应考虑拼缝接头的影响,拼缝接头影响宜采用K-ζ法(旋转弹簧ζ法)计算,构件的截面内力分配应按下列公式计算:

式中:
K——旋转弹簧常数,25000kN·m/rad≤K≤50000kN·m/rad;
M——按照旋转弹簧模型计算得到的带纵、横向拼缝接头的预制拼装综合管廊截面内各构件的弯矩设计值(kN·m);
Mj——预制拼装综合管廊节段横向拼缝接头处弯矩设计值(kN·m);
Mz——预制拼装综合管廊节段整浇部位弯矩设计值(kN·m);
N——按照旋转弹簧模型计算得到的带纵、横向拼缝接头的预制拼装综合管廊截面内各构件的轴力设计值(kN);
Nj——预制拼装综合管廊节段横向拼缝接头处轴力设计值(kN);
Nz——预制拼装综合管廊节段整浇部位轴力设计值(kN·m);
θ——预制拼装综合管廊拼缝相对转角(rad);
ζ——拼缝接头弯矩影响系数。
当采用拼装时取ζ=0,当采用横向错缝拼装时取0.3<ζ<0.6。
K、ζ的取值受拼缝构造、拼装方式和拼装预应力大小等多方面因素影响,一般情况下应通过试验确定。
8.5.4 预制拼装综合管廊结构中,现浇混凝土截面的受弯承载力、受剪承载力和最大裂缝宽度宜符合现行国家标准《混凝土结构设计规范》GB 50010的有关规定。
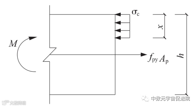
8.5.5 预制拼装综合管廊结构采用预应力筋连接接头或螺栓连接接头时,其拼缝接头的受弯承载力(图8.5.5)应符合下列公式要求:

图8.5.5 接头受弯承载力计算简图

式中:
M——接头弯矩设计值(kN·m);
fpy——预应力筋或螺栓的抗拉强度设计值(N/mm2);
Ap——预应力筋或螺栓的截面面积(mm2);
h——构件截面高度(mm);
x——构件混凝土受压区截面高度(mm);
a1——系数,当混凝土强度等级不超过C50时,a1取1.0,当混凝土强度等级为C80时,a1取0.94,期间按线性内插法确定。
8.5.6 带纵、横向拼缝接头的预制拼装综合管廊结构应按荷载效应的标准组合,并应考虑长期作用影响对拼缝接头的外缘张开量进行验算,且应符合下式要求:

式中:
Δ——预制拼装综合管廊拼缝外缘张开量(mm);
Δmax——拼缝外缘最大张开量限值,一般取2mm;
h——拼缝截面高度(mm);
K——旋转弹簧常数;
Mk——预制拼装综合管廊拼缝截面弯矩标准值(kN·m)。
8.5.7 预制拼装综合管廊拼缝防水应采用预制成型弹性密封垫为主要防水措施,弹性密封垫的界面应力不应低于1.5MPa。
8.5.8 拼缝弹性密封垫应沿环、纵面兜绕成框型。
沟槽形式、截面尺寸应与弹性密封垫的形式和尺寸相匹配(图8.5.8)。

图8.5.8 拼缝接头防水构造
a—弹性密封垫材;
b—嵌缝槽
8.5.9 拼缝处应至少设置一道密封垫沟槽,密封垫及沟槽的截面尺寸应符合下式要求:

式中:
A——密封垫沟槽截面积;
A0——密封垫截面积。
8.5.10 拼缝处应选用弹性橡胶与遇水膨胀橡胶制成的复合密封垫。
弹性橡胶密封垫宜采用三元乙丙(EPDM)橡胶或氯丁(CR)橡胶。
8.5.11 复合密封垫宜采用中间开孔、下部开槽等特殊截面的构造形式,并应制成闭合框型。
8.5.12 采用高强钢筋或钢绞线作为预应力筋的预制综合管廊结构的抗弯承载能力应按现行国家标准《混凝土结构设计规范》GB 50010有关规定进行计算。
8.5.13 采用纤维增强塑料筋作为预应力筋的综合管廊结构抗弯承载力能力计算应按现行国家标准《纤维增强复合材料建设工程应用技术规范》GB 50608有关规定进行设计。
8.5.14 预制拼装综合管廊拼缝的受剪承载力应符合现行行业标准《装配式混凝土结构技术规程》JGJ 1的有关规定。
8.6 构造要求
8.6.1 综合管廊结构应在纵向设置变形缝,变形缝的设置应符合下列规定:
1 现浇混凝土综合管廊结构变形缝的最大间距应为30m;
2 结构纵向刚度突变处以及上覆荷载变化处或下卧土层突变处,应设置变形缝;
3 变形缝的缝宽不宜小于30mm;
4 变形缝应设置橡胶止水带、填缝材料和嵌缝材料等止水构造。
8.6.2 混凝土综合管廊结构主要承重侧壁的厚度不宜小于250mm,非承重侧壁和隔墙等构件的厚度不宜小于200mm。
8.6.3 混凝土综合管廊结构中钢筋的混凝土保护层厚度,结构迎水面不应小于50mm,结构其他部位应根据环境条件和耐久性要求并按现行国家标准《混凝土结构设计规范》GB 50010的有关规定确定。
8.6.4 综合管廊各部位金属预埋件的锚筋面积和构造要求应按现行国家标准《混凝土结构设计规范》GB 50010的有关规定确定。预埋件的外露部分,应采取防腐保护措施。
9 施工及验收
9.1 一般规定
9.1.1 施工单位应建立安全管理体系和安全生产责任制,确保施工安全。
9.1.2 施工项目质量控制应符合国家现行有关施工标准的规定,并应建立质量管理体系、检验制度,满足质量控制要求。
9.1.3 施工前应熟悉和审查施工图纸,并应掌握设计意图与要求。应实行自审、会审(交底)和签证制度;对施工图有疑问或发现差错时,应及时提出意见和建议。当需变更设计时,应按相应程序报审,并应经相关单位签证认定后实施。
9.1.4 施工前应根据工程需要进行下列调查:
1 现场地形、地貌、地下管线、地下构筑物、其他设施和障碍物情况;
2 工程用地、交通运输、施工便道及其他环境条件;
3 施工给水、雨水、污水、动力及其他条件;
4 工程材料、施工机械、主要设备和特种物资情况;
5 地表水水文资料,在寒冷地区施工时尚应掌握地表水的冻结资料和土层冰冻资料;
6 与施工有关的其他情况和资料。
9.1.5 综合管廊防水工程的施工及验收应按现行国家标准《地下防水工程质量验收规范》GB 50208的相关规定执行。
9.1.6 综合管廊工程应经过竣工验收合格后,方可投入使用。
9.2 基础工程
9.2.1 综合管廊工程基坑(槽)开挖前,应根据围护结构的类型、工程水文地质条件、施工工艺和地面荷载等因素制定施工方案。
9.2.2 土石方爆破必须按照国家有关部门规定,由专业单位进行施工。
9.2.3 基坑回填应在综合管廊结构及防水工程验收合格后进行。回填材料应符合设计要求及国家现行标准的有关规定。
9.2.4 综合管廊两侧回填应对称、分层、均匀。管廊顶板上部1000mm范围内回填材料应采用人工分层夯实,大型碾压机不得直接在管廊顶板上部施工。
9.2.5 综合管廊回填土压实度应符合设计要求。当设计无要求时,应符合表9.2.5的规定。
表9.2.5 综合管廊回填土压实度

9.2.6 综合管廊基础施工及质量验收除符合本节规定外,尚应符合现行国家标准《建筑地基基础工程施工质量验收规范》GB 50202的有关规定。
9.3 现浇钢筋混凝土结构
9.3.1 综合管廊模板施工前,应根据结构形式、施工工艺、设备和材料供应条件进行模板及支架设计。模板及支撑的强度、刚度及稳定性应满足受力要求。
9.3.2 混凝土的浇筑应在模板和支架检验合格后进行。入模时应防止离析。连续浇筑时,每层浇筑高度应满足振捣密实的要求。预留孔、预埋管、预埋件及止水带等周边混凝土浇筑时,应辅助人工插捣。
9.3.3 混凝土底板和顶板,应连续浇筑不得留置施工缝。设计有变形缝时,应按变形缝分仓浇筑。
9.3.4 混凝土施工质量验收应符合现行国家标准《混凝土结构工程施工质量验收规范》GB 50204的有关规定。
9.4 预制拼装钢筋混凝土结构
9.4.1 预制拼装钢筋混凝土构件的模板,应采用精加工的钢模板。
9.4.2 构件堆放的场地应平整夯实,并应具有良好的排水措施。
9.4.3 构件的标识应朝向外侧。
9.4.4 构件运输及吊装时,混凝土强度应符合设计要求。当设计无要求时,不应低于设计强度的75%。
9.4.5 预制构件安装前,应复验合格。当构件上有裂缝且宽度超过0.2mm时,应进行鉴定。
9.4.6 预制构件和现浇结构之间、预制构件之间的连接应按设计要求进行施工。
9.4.7 预制构件制作单位应具备相应的生产工艺设施,并应有完善的质量管理体系和必要的试验检测手段。
9.4.8 预制构件安装前应对其外观、裂缝等情况进行检验,并应按设计要求及现行国家标准《混凝土结构工程施工质量验收规范》GB 50204的有关规定进行结构性能检验。
9.4.9 预制构件采用螺栓连接时,螺栓的材质、规格、拧紧力矩应符合设计要求及现行国家标准《钢结构设计规范》GB 50017和《钢结构工程施工质量验收规范》GB 50205的有关规定。
9.5 预应力工程
9.5.1 预应力筋张拉或放张时,混凝土强度应符合设计要求。当设计无要求时,不应低于设计的混凝土立方体抗压强度标准值的75%。
9.5.2 预应力筋张拉锚固后,实际建立的预应力值与工程设计规定检验值的相对允许偏差应为±5%。
9.5.3 后张法有粘结预应力筋张拉后应尽早进行孔道灌浆,孔道内水泥浆应饱满、密实。
9.5.4 锚具的封闭保护应符合设计要求。当设计无要求时,应符合现行国家标准《混凝土结构工程施工质量验收规范》GB 50204的有关规定。
9.6 砌体结构
9.6.1 砌体结构所用的材料应符合下列规定:
1 石材强度等级不应低于MU40,并应质地坚实,无风化削层和裂纹。
2 砌筑砂浆应采用水泥砂浆,强度等级应符合设计要求,且不应低于M10。
9.6.2 砌体结构中的预埋管、预留洞口结构应采取加强措施,并应采取防渗措施。
9.6.3 砌体结构的砌筑施工除符合本节规定外,尚应符合现行国家标准《砌体结构工程施工质量验收规范》GB 50203的相关规定和设计要求。
9.7 附属工程
9.7.1 综合管廊预埋过路排管的管口应无毛刺和尖锐棱角。
排管弯制后不应有裂缝和显著的凹瘪现象,弯扁程度不宜大于排管外径的10%。9.7.2 电缆排管的连接应符合下列规定:
1 金属电缆排管不得直接对焊,应采用套管焊接的方式。连接时管口应对准,连接应牢固,密封应良好。套接的短套管或带螺纹的管接头的长度,不应小于排管外径的2.2倍。
2 硬质塑料管在套接或插接时,插入深度宜为排管内径的1.1倍~1.8倍。插接面上应涂胶合剂粘牢密封。
3 水泥管宜采用管箍或套接方式连接,管孔应对准,接缝应严密,管箍应设置防水垫密封。
9.7.3 支架及桥架宜优先选用耐腐蚀的复合材料。
9.7.4 电缆支架的加工、安装及验收应符合现行国家标准《电气装置安装工程电缆线路施工及验收规范》GB 50168的有关规定。
9.7.5 仪表工程的安装及验收应符合现行国家标准《自动化仪表工程施工及质量验收规范》GB 50093的有关规定。
9.7.6 电气设备、照明、接地施工安装及验收应符合现行国家标准《电气装置安装工程电缆线路施工及验收规范》GB 50168、《建筑电气工程施工质量验收规范》GB 50303、《建筑电气照明装置施工与验收规范》GB 50617和《电气装置安装工程接地装置施工及验收规范》GB 50169的有关规定。
9.7.7 火灾自动报警系统施工及验收应符合现行国家标准《火灾自动报警系统施工及验收规范》GB 50166的有关规定。
9.7.8 通风系统施工及验收应符合现行国家标准《风机、压缩机、泵安装工程施工及验收规范》GB 50275和《通风与空调工程施工质量验收规范》GB 50243的有关规定。
9.8 管 线
9.8.1 管线施工及验收应符合本规范第6章的有关规定。
9.8.2 电力电缆施工及验收应符合现行国家标准《电气装置安装工程电缆线路施工及验收规范》GB 50168和《电气装置安装工程接地装置施工及验收规范》GB 50169的有关规定。
9.8.3 通信管线施工及验收应符合国家现行标准《综合布线系统工程验收规范》GB 50312、《通信线路工程验收规范》YD 5121和《光缆进线室验收规定》YD/T 5152的有关规定。
9.8.4 给水、排水管道施工及验收应符合现行国家标准《给水排水管道工程施工及验收规范》GB 50268的有关规定。
9.8.5 热力管道施工及验收应符合国家现行标准《通风与空调工程施工质量验收规范》GB 50243和《城镇供热管网工程施工及验收规范》CJJ 28的有关规定。
9.8.6 天然气管道施工及验收应符合现行国家标准《城镇燃气输配工程施工及验收规范》CJJ 33的有关规定,焊缝的射线探伤验收应符合现行行业标准《承压设备无损检测 第2部分:射线检测》JB/T 4730.2的有关规定。
10 维护管理
10.1 维 护
10.1.1 综合管廊建成后,应由专业单位进行日常管理。
10.1.2 综合管廊的日常管理单位应建立健全维护管理制度和工程维护档案,并应会同各专业管线单位编制管线维护管理办法、实施细则及应急预案。
10.1.3 综合管廊内的各专业管线单位应配合综合管廊日常管理单位工作,确保综合管廊及管线的安全运营。
10.1.4 各专业管线单位应编制所属管线的年度维护维修计划,并应报送综合管廊日常管理单位,经协调后统一安排管线的维修时间。
10.1.5 城市其他建设工程施工需要搬迁、改建综合管廊设施时,应报经城市建设主管部门批准后方可实施。
10.1.6 城市其他建设工程毗邻综合管廊设施,应按有关规定预留安全间距,并应采取施工安全保护措施。
10.1.7 综合管廊内实行动火作业时,应采取防火措施。
10.1.8 综合管廊内给水管道的维护管理应符合现行行业标准《城镇供水管网运行、维护及安全技术规程》CJJ 207的有关规定。
10.1.9 综合管廊内排水管渠的维护管理应符合现行行业标准《城镇排水管道维护安全技术规程》CJJ 6和《城镇排水管渠与泵站维护技术规程》CJJ 68的有关规定。
10.1.10 利用综合管廊结构本体的雨水渠,每年非雨季清理疏通不应少于2次。
10.1.11 综合管廊的巡视维护人员应采取防护措施,并应配备防护装备。
10.1.12 综合管廊投入运营后应定期检测评定,对综合管廊本体、附属设施、内部管线设施的运行状况应进行安全评估,并应及时处理安全隐患。
10.2 资 料
10.2.1 综合管廊建设、运营维护过程中,档案资料的存放、保管应符合国家现行标准的有关规定。
10.2.2 综合管廊建设期间的档案资料应由建设单位负责收集、整理、归档。建设单位应及时移交相关资料。维护期间,应由综合管廊日常管理单位负责收集、整理、归档。
10.2.3 综合管廊相关设施进行维修及改造后,应将维修和改造的技术资料整理、存档。
本规范用词说明
1 为便于在执行本规范条文时区别对待,对要求严格程度不同的用词说明如下:
1)表示很严格,非这样做不可的:正面词采用“必须”,反面词采用“严禁”;
2)表示严格,在正常情况下均应这样做的:正面词采用“应”,反面词采用“不应”或“不得”;
3)表示允许稍有选择,在条件许可时首先应这样做的:正面词采用“宜”,反面词采用“不宜”;
4)表示有选择,在一定条件下可以这样做的,采用“可”。
2 条文中指明应按其他有关标准执行的写法为:“应符合……的规定”或“应按……执行”。

