
一、背景与挑战
现代企业的竞争驱动力主要来自两个方面:全球化和个性化。
中国创造业企业也要做出相应的调整,以适应这样的竞争形势。
企业如果能够以有竞争力的价格,提供满足每个消费者需要的个性化产品,可以预见它将具有更强大的竞争能力。
因此,最近十几年内大批量定制迅速成为业界的热门词汇。
大批量定制就是要结合大批量生产(标准化、通用化)和定制生产(个性化)的优点满足竞争的需要。
标准化、通用化体现在零部件上,而个性化则体现在产品上,产品通过组合不同的零部件来满足不同的客户需求。
这种同时具有标准化、通用化,而又能够组合的零部件,就是模块的基本要求。
模块化设计也成为实现大批量定制的重要支持手段。
模块化设计解决方案包括建立模块化产品架构(Modular ProductArchitecture)和对模块的管理两部分内容。
前者能指导企业对产品设计进行整理、规划,明确定义企业中的模块,形成模块化设计的基础;
后者能够提供IT系统的支持,让企业能够真正实现基于模块的产品设计。
二、解决方案
目前,企业虽然实现了系统中的产品设计管理,在产品和工程的开发过程中总结了常用的通用件、标准件等设计资源库,以供产品设计工程师在新产品设计过程中参考借用,在产品三化(即标准化、模块化、平台化)上取得了一定的成果,但同时还存在下列问题

●标准件库、通用件库在TC中仅以目录的形式存储,缺少具体参数的定义和详细的设计指南,不便于查询和借用,同时工程师在开发设计中的经验教训没有固化到数据管理系统中,无法很好地实现知识共享,保证设计效率和设计质量,降低成本。 ●对于现有归纳的库,在实际的产品和工程设计过程中,为了满足客户需求的多样性和适应特定的安装空间限制,很难直接引用某个现有的模块;目前的设计实践中往往还是以“另存为”的方法新建新的项目,然后再做修改,导致重用率很低。 ●缺乏系统的库管理,没有相应的流程和明确的角色定义来进行管理,也没有相应的指标来衡量。 ●对于标准件库中的零部件,其三维模型缺乏统一的建模规范和标准,也缺乏统一的典型零部件的建模流程,三维模型的可读性和参数化水平低,带来的结果是后续模型重用和参数化修改的可能性非常低,不利于后续仿真分析验证和工艺制造过程中模型重用效率的提高。 |
打造企业的基于模型的产品型谱化和模块化设计能力,通常意味着建立和实现如下能力:
(1)模块化内外部咨询
现状分析: ●市场和谱系分析(目标市场、关键需求、变型驱动、产品变型、销量)。 ●产品分析(功能、技术方案、产品结构、部件变型、模块化、成本、装配、供应链)。 ●创建关联的数据分析模型和可视化视图。 ●确定整个价值链中的关键改进因素。 ●综合各关键相关方的需求,确定优化目标。 |
概念设计: ●基于优化目标为平台定义供选择的多个策略。 ●基于定义的KPI评估策略。 ●从下列多个方面来进行平台优化:产品多样性、模块化、变型影响、标准化、降成本、供应链优化和装配优化。 ●标准和可选模块的定义。 ●模块和接口的定义。 ●平台成本和效率提高的评估。 ●平台管理流程、角色和组织的定义。 ●为持续的平台控制定义KPI。 |
三维模型梳理和参数化整理: ●梳理三维建模规范和标准,更新三维客制化软件环境,制定模型质量检查器,优化模型发布流程并与模型质量检查结果联系起来。 ●典型元件的建模流程梳理。 ●三维应用提升培训。 ●模块实例模型梳理和整理。 |
(2)建立模块化产品架构

产品架构(Product Architecture)是指产品的基本构成方式,一般有功能元素架构、物理零部件架构等。
如果功能元素与零部件之间的关系是多对多的关系,则认为该产品是集成式产品架构;
如果功能元素与零部件之间的关系是一对一的关系,则认为该产品是模块式产品架构。
一般企业的产品都是集成式和模块式之间的混合式结构。
建立模块化产品架构就是对现在的产品结构(Product Structure)、零部件和功能实现方式进行分析、改善,尽量提高产品的模块化率

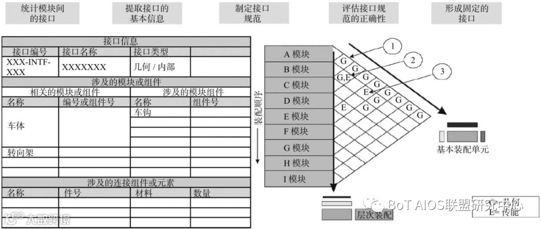
(3)产品的模块化定义
选定产品,进行模块化现状分析并确定优化目标;
根据优化目标和策略对试点产品进行模块定义和优化,确定模块的参数定义、类型定义、接口定义、设计经验总结等;
定义模块化的管理流程和组织,以及相应的指标系统来衡量平台和模块的有效性等

(4)模块三维模型数据的梳理和参数化整理
根据模块划分和定义的结果,收集模块实例的三维模型,制定统一的三维建模标准和规范,梳理典型元件的三维设计流程,对工程师进行规范建模培训,在此基础上整理或重建所有模块实例的三维参数化模型,为产品四化平台打好数据基础,实现产品或工程快速配置和产品三维模型的快速设计。
(5)3D模板定义和用户自定义特征
3D模板定义和用户自定义特征(UDF)是实现CAD模型的有效重用的一个工具。
它不仅具有参数化方法的优点,同时能够做到更有效率地重用CAD模型,能够定制描述性用户接口,无须编程就可以将参数化模型进行封装并使用。
该模型的重用者能够及时得到反馈。
用户自定义特征模块提供交互式方法来定义和存储基于用户自定义特征概念、便于调用和编辑的零件族,形成用户专有的UDF库,提高设计建模效率,支持从已生成的参数化实体模型中提取参数、定义特征变量、建立参数间相关关系、设置变量缺省值、定义代表该UDF的图标菜单,UDF创建后可变成可通过图标菜单被所有用户调用的用户专有特征。
当使用该特征时,其所有预设变量参数均可编辑并按设计意图变化。
(6)3D模型全关联管理
提供可用于产品初步设计到详细设计每个阶段的、面向产品的总体方案参数化优化设计技术,能够实现总体设计参数自上而下地自动传递关键设计变量。
通过将这些变量放入WAVE顶层控制结构,并建立与子部件、零件的设计关系,可实现零部件设计根据顶层结构更改而自动更改关键设计变量,设计变量不仅可以是数值变量,也可以是样条曲线或空间曲面等广义几何变量。
其变化都可以根据定义好的控制条件传递到相关子/零部件的设计中。
(7)产品型谱化与模块化分类管理

分类管理提供企业分类结构的建立、维护等,包括组、类、视图、属性、选择值列表等的创建与维护能够按照组、角色、用户、项目等组织属性;
能够使用访问控制管理对组、类、分类属性等的权限,能够定义分类树的显示形式,为组、类等增加显示图片,能够对企业内的零部件进行分类,填写分类属性;
能够修改零部件的分类和属性,能够按照分类树查询零部件,能够与模板结合,自动生成符合分类要求的模型。
(8)IT平台落地应用



模块化设计平台具备如下能力:
●能够定义企业内部的平台并管理平台的标准产品架构,构建架构模板。 ●能够使用选项和值定义产品上下文的可变性,管理产品的变型要素。
●能够将零部件加入产品架构中,形成产品BOM。 ●能够将设计文件加入产品架构中,形成产品的数字样机。 ●能够检查产品架构中零部件与设计文件的关联关系,标识出零部件和设计文件的完整性。 |
(9)基于业务知识的自动化设计平台

在ETO(面向订单交付)产品销售过程中经常会遇到一个问题,即新进销售人员可能对自家产品不熟悉,无法推荐最佳方案给客户。
任何客制化的需求都要与研发反复沟通确认,客户往往需要漫长的时间来等待回应;客制化订单成本预估失准,同时迫于时间压力,没有办法进行确实的技术与风险评估。
以上问题轻则侵蚀研发、生产、采购资源;重则影响产品质量,甚至无法交付,最终导致企业获利效率不彰——产品销售与研发的恶性循环。
上述问题主要是因为ETO产品都是接单依需求生产。
研发通常只准备一个或数个基础型号,不会把所有的产品型号都事先设计好,也无法都事先设计好。
那么问题来了,研发人员如何有效地让销售人员知道:
这些基础型号上还有哪些可选配置? 哪些设计参数容许变更? 范围如何? 如何选择出有正确配置关系的产品? |
如果在接单时,销售人员身边有研发团队,能在第一时间给予技术上的支持,则相信可以解决这些问题,对接单成功率有很大的帮助。
基于业务知识的自动化设计解决方案除了在接单阶段给予销售人员支持,同时也在产品设计阶段协助研发人员进行设计。
一个了解与掌握所有产品知识的系统就像是一位智能设计顾问,能为售前与设计提供及时的帮助。
基于业务知识的自动化设计解决方案提供的关键能力如下:

●将产品阵容、平台化、模块优选库、CBB货架等研发的规划结果直接固化在其规则库内,串联研发与销售,并与PLM/PDM集成,以调用对应的2D/3D模型。 ●销售可以利用销售配置仿真器找到最合适方案;研发可以利用工程配置器进行自动化设计。 ●支撑产品的快速自动化设计能力。 ●与成本管理系统集成,取得现有零部件的成本信息;还可“虚拟”客制化件,分析其成本,做到即时评估成本变化,并自动生成报价文件。 ●将研发部门对于既有产品设计的经验与知识提炼至基于业务知识的自动化设计平台内,在新产品或客制化订单开发时提供最大协助,避免设计资源的浪费与无效率重工。 |
(10)产品模块化平台的系统落地部署
基于产品模块化的参数定义(包括设计变量和约束条件),创建用户配置界面,实现利用参数的选择设置,快速配置出新产品的参数表,以利于参数与模块库的关联匹配查询,自动确定可以重用的模块实例,或者利用参数驱动参数化模块的三维模型生成新的模块实例,并基于接口的定义实现装配的自动约束。
同时,模块库的创建、设计变量词典的创建和平台管理流程的系统定义也在该阶段完成。
(11)模块KPI分析
为了更有效地推进模块化工作,应该调整现有的KPI考核机制,制定模块考核评价指标。
系统自动统计相关指标,对模块的使用维护情况进行监控和评价

三、价值体现
一组明确定义的模块形成了企业内部沟通的有效平台,市场、企划、研发、制造、采购等一系列环节所需要的信息都可以体现到一个模块中,从而形成实现大批量定制的流程基础。

●通过模块化设计,将产品设计转化为基于模块的设计。每一个新的设计需求都可以定位于某一个或几个模块,在模块设计规范和接口规范的指导下设计、实现新模块,快速满足设计需求。 ●标准产品架构的出现可以让研发人员将精力集中于模块。在满足接口规范的要求下,模块可以不断得到技术革新和功能优化,一方面保证产品的质量和成本,另一方面有效形成企业的核心技术。 ●使用IT系统实现模块设计规范和接口规范,能够减少设计人员的学习成本,同时有效保证零部件的设计质量,加快设计的进度,降低产品成本。 ●在模块化产品结构的基础上,可以实现销售配置器、模块化采购、模块化制造等一系列改善措施,减少前端接收需求的盲目性,减少后端的供应商数量、产品线复杂度,从而更进一步提升企业的整体竞争实力。 ●建立产品的型谱化与模块平台,实现基于配置的产品快速设计和订单响应,以及为产品的工艺规划、生产规划和包装设计的效率提高打下坚实的基础;建立模块化的零部件库,利用流程来管理模块实例的修改、增加和删减,控制平台元件实例的数量和质量,提高重用度,降低成本。 |


